公布日:2023.09.08
申請日:2023.05.31
分類號:C02F9/00(2023.01)I;C07C51/42(2006.01)I;C07C51/43(2006.01)I;C07C51/44(2006.01)I;C07C53/10(2006.01)I;C02F1/04(2023.01)I;B01D1/26(2006.01)I;B01D3
/38(2006.01)I;C02F1/38(2023.01)I;C02F101/10(2006.01)N;C02F103/36(2006.01)N;C02F101/34(2006.01)N
摘要
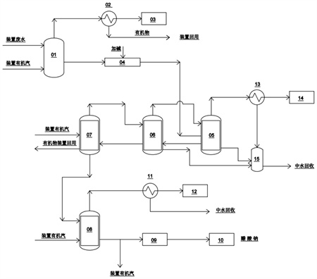
本發明涉及一種從PTA連續廢水中提取醋酸鈉的裝置和方法,包括汽提塔(01);所述汽提塔(01)和pH混合器(04)、三效蒸發單元依次相連;所述三效蒸發單元包括依次相連的三效蒸發器(05)、二效蒸發器(06)、一效蒸發器(07)和單效蒸發器(08);所述單效蒸發器(08)與晶漿罐(09)、離心機(10)依次相連。本發明可以對PTA連續廢水進行處理,充分利用裝置副產有機汽作為熱源,回收PTA廢水中的醋酸鈉以及甲醇、異丁醇等有機物,能大大降低整個工藝的能耗、物耗,具有良好的工業應用背景。

權利要求書
1.一種從PTA連續廢水中提取醋酸鈉的裝置,其特征在于:包括汽提塔(01);所述汽提塔(01)和pH混合器(04)、三效蒸發單元依次相連;所述三效蒸發單元包括依次相連的三效蒸發器(05)、二效蒸發器(06)、一效蒸發器(07)和單效蒸發器(08);所述單效蒸發器(08)與晶漿罐(09)、離心機(10)依次相連。
2.根據權利要求1所述的裝置,其特征在于:所述汽提塔(01)與汽提塔冷卻器(02)、汽提抽真空系統(03)依次相連。
3.根據權利要求1所述的裝置,其特征在于:所述三效蒸發器(05)與三效冷卻器(13)、三效抽真空系統(14)依次相連。
4.根據權利要求1所述的裝置,其特征在于:設置有三效冷凝水罐(15),與三效冷卻器(13)、三效蒸發器(05)和二效蒸發器(06)相連。
5.根據權利要求1所述的裝置,其特征在于:所述單效蒸發器(08)與單效冷卻器(11)、單效抽真空系統(12)依次相連。
6.根據權利要求1所述的裝置,其特征在于:所述PTA裝置產生的有機汽提供單效蒸發器(08)、汽提塔(01)和三效蒸發單元的熱源。
7.一種從PTA連續廢水中提取醋酸鈉的方法,包括如下步驟:將PTA連續廢水進到汽提塔(01),汽提塔(01)塔頂氣相產物進到汽提塔冷卻器(02)冷凝,得到的冷凝液進行回收利用;汽提塔(01)塔釜液相產物進到pH混合器(04)加堿調節pH至堿性,再輸送至三效蒸發器(05)、二效蒸發器(06)、一效蒸發器(07)和單效蒸發器(08)依次蒸發濃縮,濃縮液達到設定濃度時經泵打至晶漿罐(09)冷卻結晶,通過離心機(10)分離出醋酸鈉,母液返回至系統。
8.根據權利要求7所述的方法,其特征在于:所述PTA裝置產生的有機汽用于單效蒸發器(08)、汽提塔(01)和一效蒸發器(07);二效蒸發器(06)使用一效蒸發器(07)產生的二次閃蒸汽;三效蒸發器(05)使用二效蒸發器(06)產生的二次蒸汽,三效蒸發器(05)產生的二次蒸汽進入三效冷卻器(13)冷凝。
發明內容
本發明所要解決的技術問題是提供一種從PTA連續廢水中提取醋酸鈉的裝置和方法,該裝置能大大降低整個工藝的能耗、物耗,裝置占地面積,與傳統的工藝流程相比有著根本的改變。
本發明提供了一種從PTA連續廢水中提取醋酸鈉的裝置,包括汽提塔;所述汽提塔和pH混合器、三效蒸發單元依次相連;所述三效蒸發單元包括依次相連的三效蒸發器、二效蒸發器、一效蒸發器和單效蒸發器;所述單效蒸發器與晶漿罐、離心機依次相連。
進一步的,所述汽提塔與汽提塔冷卻器、汽提抽真空系統依次相連。
進一步的,所述三效蒸發器與三效冷卻器、三效抽真空系統依次相連。
進一步的,設置有三效冷凝水罐,與三效冷卻器、三效蒸發器和二效蒸發器相連。
進一步的,所述單效蒸發器與單效冷卻器、單效抽真空系統次相連。
進一步的,所述PTA裝置產生的有機汽提供單效蒸發器、汽提塔和三效蒸發單元的熱源。
本發明還提供了一種從PTA連續廢水中提取醋酸鈉的方法,包括如下步驟:
將PTA連續廢水進到汽提塔,汽提塔塔頂氣相產物進到汽提塔冷卻器冷凝,得到的冷凝液進行回收利用;
汽提塔塔釜液相產物進到pH混合器加堿調節pH至堿性,再輸送至三效蒸發器、二效蒸發器、一效蒸發器和單效蒸發器依次蒸發濃縮,濃縮液達到設定濃度時經泵打至晶漿罐冷卻結晶,通過離心機分離出醋酸鈉,母液返回至系統。
所述PTA裝置產生的有機汽用于單效蒸發器、汽提塔和一效蒸發器;二效蒸發器使用一效蒸發器產生的二次閃蒸汽;三效蒸發器使用二效蒸發器產生的二次蒸汽,三效蒸發器產生的二次蒸汽進入三效冷卻器冷凝。
有益效果
(1)本發明將PTA連續廢水特性先經汽提塔將甲醇、異丁醇、醋酸甲酯及少量其他輕組分有機物分離提取回收,節省物耗。
(2)本發明采用三級蒸發將廢水中醋酸鈉和干凈水分離,醋酸鈉溶液濃縮再至單效處理,蒸發產水至中水回用處理。
(3)本發明濃縮醋酸鈉,通過晶漿罐冷卻結晶,離心機分離水分,得到醋酸鈉固體。
(4)本發明充分利用PTA裝置副產有機汽作為熱源,回收PTA廢水中的醋酸鈉以及甲醇、異丁醇等有機物,能大大降低整個工藝的能耗、物耗,具有良好的工業應用背景。
(發明人:楊生東;楊東;徐興珍;黃文威;王永富)






