公布日:2023.11.10
申請日:2023.09.04
分類號:C02F9/00(2023.01)I;C02F103/32(2006.01)N;C02F3/30(2023.01)N;C02F1/00(2023.01)N;C02F1/78(2023.01)N;C02F3/26(2023.01)N;C02F3/12(2023.01)N
摘要
本發明公開一種MBBR組合高級氧化對白酒廢水深度處理的方法,屬于廢水處理領域,其包括進水口、純膜缺氧區、純膜好氧區、硝化液回流區、高密度沉淀區、臭氧反應區、臭氧反應出水回流區、凈水出水口。本發明可對經二級生化處理后的白酒廢水進行深度處理,保證最終出水的COD、氨氮和總氮濃度滿足相關排放標準,能夠應用于現有白酒廢水處理設施的新建和改造。

權利要求書
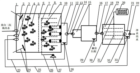
1.一種MBBR組合高級氧化對白酒廢水深度處理的方法,其特征在于,其包括進水口、純膜缺氧區、純膜好氧區、硝化液回流區、高密度沉淀區、臭氧反應區、臭氧反應出水回流區、凈水出水口,其中,純膜缺氧區通過平板穿孔篩網和純膜好氧區相連通;純膜好氧區通過出水滾筒篩網和硝化液回流區相連通;硝化液回流區依次通過生化處理出水口和生化處理出水管與高密沉淀區入水口相連通;高密度沉淀區依次通過高密度沉淀區出水口和高密度沉淀區出水管與臭氧反應區入水口相連通;臭氧反應區通過臭氧反應區出水口與臭氧反應出水回流區相連通;所述方法包括以下步驟:1)污水通過進水口流入純膜缺氧區,純膜缺氧區內的純膜缺氧區懸浮填料在純膜缺氧區攪拌器推動下,填料生長的生物膜反硝化細菌利用進水中的部分碳源,將來自純膜好氧區回流過來的硝化液中硝態氮反硝化去除;2)缺氧反應后的泥水通過平板穿孔篩網上的過水孔洞流入純膜好氧區,純膜好氧區懸浮填料在曝氣管組件的曝氣充氧和推力下實現流化,并生長生物膜,生物膜上的硝化菌將氨氮硝化成硝態氮,反應后的泥水通過出水滾筒篩網流入到硝化液回流區;3)硝化液回流區內的部分硝化液泥水通過硝化液內回流潛水泵組件提升到硝化液回流管,然后再通過硝化液回流入口進入純膜缺氧區,另外一部分硝化液泥水依次通過生化處理出水口、生化處理出水管和高密沉淀區入水口流入高密度沉淀區,在高密度沉淀區實現泥水分離;4)高密度沉淀區內的上部清水依次通過高密度沉淀區出水口、高密度沉淀區出水管和臭氧反應區入水口流入臭氧反應區,通過臭氧供氣管將臭氧制備組件產生的臭氧提供到臭氧曝氣組件中,再通過臭氧曝氣組件將通入的臭氧與水混合氧化反應,將水中經前端處理剩余的部分COD進行高級氧化去除;5)臭氧反應區內反應后的水通過臭氧反應區出水口流入臭氧反應出水回流區,通過臭氧反應出水回流潛水泵組件實現部分最終出水回流到純膜缺氧區,形成內回流,最終凈水通過凈水出水口流出裝置外。
2.根據權利要求1所述MBBR組合高級氧化對白酒廢水深度處理的方法,其特征在于,所述硝化液內回流潛水泵組件通過硝化液回流管與硝化液回流入口相連通。
3.根據權利要求1所述MBBR組合高級氧化對白酒廢水深度處理的方法,其特征在于,所述臭氧曝氣組件通過臭氧供氣管與臭氧制備組件相連通。
4.根據權利要求1所述MBBR組合高級氧化對白酒廢水深度處理的方法,其特征在于,所述臭氧反應出水回流潛水泵組件通過臭氧反應出水回流管與臭氧反應出水回流入口相連通。
發明內容
本發明的目的是針對現有白酒廢水深度處理技術的不足,提供一種MBBR組合高級氧化對白酒廢水深度處理的方法,應用于現有白酒廢水處理設施的新建和改造。
本發明的技術方案是:
一種MBBR組合高級氧化對白酒廢水深度處理的方法,其包括進水口、純膜缺氧區、純膜好氧區、硝化液回流區、高密度沉淀區、臭氧反應區、臭氧反應出水回流區、凈水出水口,其中,純膜缺氧區通過平板穿孔篩網和純膜好氧區相連通;純膜好氧區通過出水滾筒篩網和硝化液回流區相連通;硝化液回流區依次通過生化處理出水口和生化處理出水管與高密沉淀區入水口相連通;高密度沉淀區依次通過高密度沉淀區出水口和高密度沉淀區出水管與臭氧反應區入水口相連通;臭氧反應區通過臭氧反應區出水口與臭氧反應出水回流區相連通。
進一步的,所述純膜缺氧區內設置有純膜缺氧區懸浮填料、純膜缺氧區攪拌器。
進一步的,所述純膜好氧區內設置有曝氣管組件、純膜好氧區懸浮填和出水滾筒篩網,所述曝氣管組件通過曝氣供氣管與曝氣鼓風機相連通。
進一步的,所述硝化液回流區內設置有硝化液內回流潛水泵組件,所述硝化液內回流潛水泵組件通過硝化液回流管與硝化液回流入口相連通。
進一步的,所述高密度沉淀區內設置有高密度沉淀排泥泵將裝置內產生的剩余污泥排出裝置外。
進一步的,所述臭氧反應區內設置有臭氧曝氣組件,所述臭氧曝氣組件通過臭氧供氣管與臭氧制備組件相連通。
進一步的,所述臭氧反應出水回流區內設置有臭氧反應出水回流潛水泵組件,所述臭氧反應出水回流潛水泵組件通過臭氧反應出水回流管與臭氧反應出水回流入口相連通。
本發明的有益效果:
1)MBBR生化工藝的純膜缺氧區內的純膜缺氧區懸浮填料在純膜缺氧區攪拌器推動下,填料生長的生物膜反硝化細菌利用進水中的部分碳源將來自純膜好氧區回流過來的硝化液中硝態氮反硝化去除,如果進水碳源不足,額外添加碳源提高其反硝化去除總氮的效率。純膜缺氧區內的純膜好氧區懸浮填料通過純膜缺氧區底部的曝氣管組件即能夠充分流化,在進水COD比較低的情況下,填料上也生長硝化菌生物膜。
2)MBBR生化工藝的純膜缺氧區和純膜好氧區內不存在來自后續處理區的沉淀回流污泥,懸浮生長的MLSS濃度很低,而對于COD濃度比較低的污水,MBBR懸浮填料上易于生長生物膜,去除COD、氨氮和TN的生化作用也主要發生在懸浮填料生物膜上,老化的生物膜由于懸浮填料的流化而自動脫膜,不需要任何額外的反沖洗過程;另外,因MBBR懸浮填料處于高速流化狀態,MBBR工藝耐受一定范圍內硬度濃度的污水,一定范圍內硬度濃度的鈣鎂離子形成的沉淀物不會沉積在懸浮填料的表面上。
3)因純膜缺氧區和純膜好氧區內的懸浮MLSS濃度很低,脫落的生物膜和進水帶入的部分SS懸浮物直接進入高密度沉淀區,而不會因進水SS過高影響高密度沉淀區的功能或導致其運行困難。在常規的高密度沉淀區內額外添加絮凝劑和助凝劑提高其沉淀性能,高密度沉淀區內也設置刮泥機,形成的部分底部污泥回流其前部區域,保證高密度沉淀區內絮凝反應的污泥濃度;另外,整個發明裝置僅僅通過設置在高密度沉淀區的高密度沉淀排泥泵一處進行剩余污泥的外排,排泥濃度高,保證高密度沉淀區的出水SS濃度達標。
4)如需要進一步去除進水中的鈣鎂硬度,本發明裝置中的高密度沉淀區不但實現泥水的固液分離,也通過向其內添加沉淀藥劑,達到去除大進水中大部分鈣鎂硬度的目的,從而避免較高的SS濃度和硬度對后續臭氧反應區的不利影響。
5)通過臭氧反應區的高級氧化作用將部分難生物降解的有機物降解為易于生物降解的COD或/和氨氮;實際運行時,如果檢測發現臭氧高級氧化對復雜有機物的斷鏈作用導致了最終出水COD或氨氮超標,通過本發明裝置的臭氧反應出水回流區內設置臭氧反應出水回流潛水泵組件,實現部分最終出水回流到純膜缺氧區,一定程度上避免最終出水水質因臭氧氧化的作用而再次導致COD或氨氮超標。
(發明人:駱建明;牛學義;蔡先明)






