公布日:2024.04.30
申請日:2023.12.01
分類號:C02F1/00(2023.01)I;C02F1/28(2023.01)I;F28D21/00(2006.01)I;C02F103/34(2006.01)N
摘要
本發明公開了一種硫磺制酸污水回用裝置,涉及污水回收利用技術領域,凈化箱組件,其包括凈化箱本體,凈化箱本體的內腔安裝有L型安裝板,L型安裝板的左側設置有過濾網板,L型安裝板的底部分別安裝有阻隔網板和活性炭吸附網板,凈化箱本體右側的底部連接有排水管,清理組件,清理組件設置于凈化箱本體的內腔。本發明通過第一清掃件、驅動件、第二清掃件、清污口和擋料件的配合設置,通過第一清掃件能夠對L型安裝板表面堆積的雜質進行及時清掃,通過第二清掃件能夠對阻隔網板和活性炭吸附網板表面堆積的雜質進行及時清掃,無需停機更換過濾組件,提高了裝置的過濾效果。

權利要求書
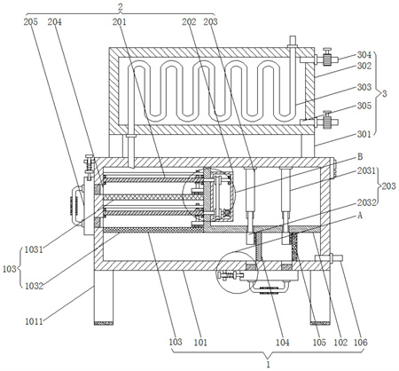
1.一種硫磺制酸污水回用裝置,其特征在于:包括,凈化箱組件(1),其包括凈化箱本體(101),所述凈化箱本體(101)的內腔安裝有L型安裝板(102),所述L型安裝板(102)的左側設置有過濾網板(103),所述L型安裝板(102)的底部分別安裝有阻隔網板(104)和活性炭吸附網板(105),所述凈化箱本體(101)右側的底部連接有排水管(106);清理組件(2),所述清理組件(2)設置于所述凈化箱本體(101)的內腔,其包括第一清掃件(201),所述第一清掃件(201)位于過濾網板(103)的上方,所述L型安裝板(102)的右側設置有驅動件(202),所述驅動件(202)的左端與所述第一清掃件(201)的右端連接,所述凈化箱本體(101)內腔靠近所述阻隔網板(104)和所述活性炭吸附網板(105)的一端均設置有驅動件(202),所述凈化箱本體(101)的左側和底部均開設有清污口(204),所述凈化箱本體(101)靠近所述清污口(204)的一端設置有擋料件(205)。
2.根據權利要求1所述的一種硫磺制酸污水回用裝置,其特征在于:所述凈化箱本體(101)底部的兩端均連接有立柱(1011),兩組所述立柱(1011)的底部均連接有橡膠墊。
3.根據權利要求1所述的一種硫磺制酸污水回用裝置,其特征在于:所述凈化箱本體(101)的頂部設置有余熱回收組件(3),所述余熱回收組件(3)包括兩組支撐柱(301),兩組所述支撐柱(301)分別安裝在所述凈化箱本體(101)頂部的兩端,兩組所述支撐柱(301)的頂部安裝有水箱(302),所述水箱(302)的內腔連接有回旋管(303),所述回旋管(303)的一端伸出所述水箱(302),所述回旋管(303)的另一端伸入所述凈化箱本體(101)的內腔,所述水箱(302)左側的頂部和底部分別連接有進水管(304)和出水管(305)。
4.根據權利要求3所述的一種硫磺制酸污水回用裝置,其特征在于:所述凈化箱本體(101)的表面安裝有第一觀察窗(1012),所述水箱(302)的表面安裝有第二觀察窗(3021)。
5.根據權利要求3所述的一種硫磺制酸污水回用裝置,其特征在于:所述進水管(304)和所述出水管(305)上均設置有控制閥。
6.根據權利要求1所述的一種硫磺制酸污水回用裝置,其特征在于:所述過濾網板(103)包括粗制過濾網板(1031),所述粗制過濾網板(1031)安裝在所述凈化箱本體(101)內腔左端的頂部,所述粗制過濾網板(1031)下方的凈化箱本體(101)內腔安裝有細制過濾網板(1032),所述粗制過濾網板(1031)和所述細制過濾網板(1032)的右端均與所述L型安裝板(102)的左側固定連接。
7.根據權利要求6所述的一種硫磺制酸污水回用裝置,其特征在于:所述第一清掃件(201)包括兩組絲桿(2011),兩組所述絲桿(2011)通過軸承轉動連接在所述凈化箱本體(101)的內壁和所述L型安裝板(102)的左側之間,兩組所述絲桿(2011)分別位于所述粗制過濾網板(1031)和所述細制過濾網板(1032)的上方,兩組所述絲桿(2011)的外壁均螺紋連接有絲母(2012),兩組所述絲母(2012)的底部均連接有連接桿(2013),兩組所述連接桿(2013)的底部均安裝有第一清掃刷(2014),兩組所述第一清掃刷(2014)的底部分別與所述粗制過濾網板(1031)和所述細制過濾網板(1032)的頂部貼合連接,所述凈化箱本體(101)內腔靠近所述絲桿(2011)的一端安裝有滑套(2015),所述滑套(2015)的外壁套設有光桿(2016),所述光桿(2016)的底部與所述絲母(2012)的頂部固定連接。
8.根據權利要求7所述的一種硫磺制酸污水回用裝置,其特征在于:所述驅動件(202)包括驅動箱(2021),所述驅動箱(2021)安裝在所述L型安裝板(102)的右側,所述驅動箱(2021)的內腔安裝有伺服電機(2022),所述伺服電機(2022)的動力輸出端安裝有主動軸(2023),所述主動軸(2023)的外壁套接有第一帶輪(2024),所述驅動箱(2021)內腔遠離所述主動軸(2023)的一端通過軸承連接有從動軸(2025),所述從動軸(2025)的外壁套接有第二帶輪(2026),所述第一帶輪(2024)和所述第二帶輪(2026)外傳動設置有連接皮帶(2027),所述主動軸(2023)和所述從動軸(2025)的左端分別與兩組所述絲桿(2011)的右端固定連接。
9.根據權利要求1所述的一種硫磺制酸污水回用裝置,其特征在于:所述第二清掃件(203)包括兩組電動推桿(2031),兩組所述電動推桿(2031)安裝在所述凈化箱本體(101)的內頂壁,兩組所述電動推桿(2031)的輸出端均安裝有第二清掃刷(2032),兩組所述第二清掃刷(2032)的右端分別與所述阻隔網板(104)和所述活性炭吸附網板(105)的左端貼合連接。
10.根據權利要求1所述的一種硫磺制酸污水回用裝置,其特征在于:所述擋料件(205)包括兩組擋板(2051),兩組所述擋板(2051)分別安裝在所述凈化箱本體(101)的左側和底部,兩組所述擋板(2051)靠近所述凈化箱本體(101)的一端均連接有密封塞(2052),所述密封塞(2052)位于所述清污口(204)的內腔,所述凈化箱本體(101)外側靠近所述擋板(2051)的一端安裝有固定板(2053),所述固定板(2053)的中心處貫穿有活動桿(2054),所述活動桿(2054)遠離所述擋板(2051)的一端安裝有拉板(2055),所述活動桿(2054)遠離所述拉板(2055)的一端連接有T型插桿(2056),所述活動桿(2054)的外壁套設有復位彈簧(2057),所述復位彈簧(2057)位于所述固定板(2053)和所述T型插桿(2056)之間,所述擋板(2051)靠近所述固定板(2053)的一端開設有與所述T型插桿(2056)插接配合的插槽(2058)。
發明內容
本部分的目的在于概述本發明的實施例的一些方面以及簡要介紹一些較佳實施例。在本部分以及本發明的說明書摘要和發明名稱中可能會做些簡化或省略以避免使本部分、說明書摘要和發明名稱的目的模糊,而這種簡化或省略不能用于限制本發明的范圍。
因此,本發明目的是提供一種硫磺制酸污水回用裝置,能夠解決現有的裝置通常是在裝停機后將堵塞的過濾網是拆卸之后,更換新的過濾網,但這種方式浪費時間,降低了污水的處理效率的問題。
為解決上述技術問題,本發明提供一種硫磺制酸污水回用裝置,采用如下的技術方案:凈化箱組件,其包括凈化箱本體,所述凈化箱本體的內腔安裝有L型安裝板,所述L型安裝板的左側設置有過濾網板,所述L型安裝板的底部分別安裝有阻隔網板和活性炭吸附網板,所述凈化箱本體右側的底部連接有排水管;
清理組件,所述清理組件設置于所述凈化箱本體的內腔,其包括第一清掃件,所述第一清掃件位于過濾網板的上方,所述L型安裝板的右側設置有驅動件,所述驅動件的左端與所述第一清掃件的右端連接,所述凈化箱本體內腔靠近所述阻隔網板和所述活性炭吸附網板的一端均設置有驅動件,所述凈化箱本體的左側和底部均開設有清污口,所述凈化箱本體靠近所述清污口的一端設置有擋料件。
通過采用上述技術方案,本方案污水進入凈化箱本體內部,先經過過濾網板將污水中的大顆粒雜質和較大顆粒雜質進行濾除,接著通過阻隔網板將污水中未被過濾的細小雜質進行附著,最后通過活性炭吸附網板將污水中的有害物質進行吸附,吸附后的污水經排水管排出,回收利用,當裝置在對污水進行過濾處理的過程中,通過驅動件帶動第一清掃件工作,從而能夠對過濾網板表面的雜質進行清掃,并且通過第二清掃件對阻隔網板和活性炭吸附網板表面的雜質進行清掃,從而能夠在裝置工作時對雜質進行及時清理,無需停機更換過濾組件,提高了污水的處理效率。
可選的,所述凈化箱本體底部的兩端均連接有立柱,兩組所述立柱的底部均連接有橡膠墊。
通過采用上述技術方案,從而能夠通過立柱對整個裝置進行支撐,橡膠墊的設置,增加了立柱與地面之間的摩擦力,使得裝置在使用時更加穩固。
可選的,所述凈化箱本體的頂部設置有余熱回收組件,所述余熱回收組件包括兩組支撐柱,兩組所述支撐柱分別安裝在所述凈化箱本體頂部的兩端,兩組所述支撐柱的頂部安裝有水箱,所述水箱的內腔連接有回旋管,所述回旋管的一端伸出所述水箱,所述回旋管的另一端伸入所述凈化箱本體的內腔,所述水箱左側的頂部和底部分別連接有進水管和出水管。
通過采用上述技術方案,污水持續通過回旋管,熱量傳導到水箱內的自來水中,從而能夠對自來水進行加熱,以供生活用水需求,使得裝置能夠有效回收鍋爐排污水的余熱。
可選的,所述凈化箱本體的表面安裝有第一觀察窗,所述水箱的表面安裝有第二觀察窗。
通過采用上述技術方案,通過第一觀察窗能夠對凈化箱本體內腔的雜質堆積情況進行觀察,通過第二觀察窗能夠對水箱內的水量進行觀察。
可選的,所述進水管和所述出水管上均設置有控制閥。
通過采用上述技術方案,從而能夠通過控制閥打開或者關閉進水管和出水管。
可選的,所述過濾網板包括粗制過濾網板,所述粗制過濾網板安裝在所述凈化箱本體內腔左端的頂部,所述粗制過濾網板下方的凈化箱本體內腔安裝有細制過濾網板,所述粗制過濾網板和所述細制過濾網板的右端均與所述L型安裝板的左側固定連接。
通過采用上述技術方案,通過粗制過濾網板能夠對污水中的大顆粒雜質進行過濾,通過細制過濾網板能夠對污水中的較大顆粒雜質進行過濾。
可選的,所述第一清掃件包括兩組絲桿,兩組所述絲桿通過軸承轉動連接在所述凈化箱本體的內壁和所述L型安裝板的左側之間,兩組所述絲桿分別位于所述粗制過濾網板和所述細制過濾網板的上方,兩組所述絲桿的外壁均螺紋連接有絲母,兩組所述絲母的底部均連接有連接桿,兩組所述連接桿的底部均安裝有第一清掃刷,兩組所述第一清掃刷的底部分別與所述粗制過濾網板和所述細制過濾網板的頂部貼合連接,所述凈化箱本體內腔靠近所述絲桿的一端安裝有滑套,所述滑套的外壁套設有光桿,所述光桿的底部與所述絲母的頂部固定連接。
通過采用上述技術方案,絲桿轉動驅動絲母移動,絲母移動帶動滑套沿著光桿滑動,從而能夠對絲母進行限位,絲母移動時通過連接桿帶動第一清掃刷移動,從而能夠對和上方的雜質進行清掃。
可選的,所述驅動件包括驅動箱,所述驅動箱安裝在所述L型安裝板的右側,所述驅動箱的內腔安裝有伺服電機,所述伺服電機的動力輸出端安裝有主動軸,所述主動軸的外壁套接有第一帶輪,所述驅動箱內腔遠離所述主動軸的一端通過軸承連接有從動軸,所述從動軸的外壁套接有第二帶輪,所述第一帶輪和所述第二帶輪外傳動設置有連接皮帶,所述主動軸和所述從動軸的左端分別與兩組所述絲桿的右端固定連接。
通過采用上述技術方案,伺服電機啟動時通過主動軸帶動第一帶輪轉動,第一帶輪轉動通過連接皮帶帶動第二帶輪轉動,第二帶輪轉動帶動從動軸轉動,從而能夠通過主動軸和從動軸轉動帶動兩組絲桿同步轉動。
所述第二清掃件包括兩組電動推桿,兩組所述電動推桿安裝在所述凈化箱本體的內頂壁,兩組所述電動推桿的輸出端均安裝有第二清掃刷,兩組所述第二清掃刷的右端分別與所述阻隔網板和所述活性炭吸附網板的左端貼合連接。
通過采用上述技術方案,電動推桿伸出帶動第二清掃刷向下移動,從而能夠對阻隔網板和活性炭吸附網板表面的雜質進行清掃。
可選的,所述擋料件包括兩組擋板,兩組所述擋板分別安裝在所述凈化箱本體的左側和底部,兩組所述擋板靠近所述凈化箱本體的一端均連接有密封塞,所述密封塞位于所述清污口的內腔,所述凈化箱本體外側靠近所述擋板的一端安裝有固定板,所述固定板的中心處貫穿有活動桿,所述活動桿遠離所述擋板的一端安裝有拉板,所述活動桿遠離所述拉板的一端連接有T型插桿,所述活動桿的外壁套設有復位彈簧,所述復位彈簧位于所述固定板和所述T型插桿之間,所述擋板靠近所述固定板的一端開設有與所述T型插桿插接配合的插槽。
通過采用上述技術方案,將密封塞插接在清污口內,從而能夠將擋板安裝在凈化箱本體上,在復位彈簧的彈力作用下,T型插桿插接在插槽內,從而能夠通過T型插桿將擋板鎖緊固定,使得擋板與凈化箱本體連接時更加緊固,盡量避免擋板出現脫落,進而出現漏水的情況。
綜上所述,本發明包括以下至少一種有益效果:
(1)通過第一清掃件、驅動件、第二清掃件、清污口和擋料件的配合設置,通過第一清掃件能夠對L型安裝板表面堆積的雜質進行及時清掃,通過第二清掃件能夠對阻隔網板和活性炭吸附網板表面堆積的雜質進行及時清掃,盡量避免L型安裝板、阻隔網板和活性炭吸附網板出現堵塞的情況,無需停機更換過濾組件,提高了裝置的過濾效果。
(2)通過支撐柱、水箱、回旋管、進水管和出水管的配合設置,污水持續通過回旋管,熱量傳導到水箱內的自來水中,從而能夠對自來水進行加熱,以供生活用水需求,使得裝置能夠有效回收鍋爐排污水的余熱,節約能源。
(3)通過擋板、密封塞、固定板、活動桿、拉板、T型插桿、復位彈簧和插槽的配合設置,通過T型插桿和插槽插接配合,從而能夠將擋板固定,使得擋板和凈化箱本體連接時更加牢固,盡量避免擋板脫落出現漏水的情況。
(發明人:李茂平;張嚴言;滕松;王思浩;陳祖俊;余業剛;孫嘉堃)






