摘要:針對目前用電滲析法處理硝酸銨廢水的現象,提出以電去離子處理作為硝酸銨廢水深度處理,彌補現有電滲析處理的不足,達到硝酸銨廢水處理系統“零排放”,做到廢水資源化利用,硝酸銨和水全部回收。這種改良型電滲析處理方法,除可使濃水中氨氮的質量分數達10%以上外,系統出水氨氮的質量濃度小于或等于5 mg/L。
關鍵詞:電去離子;電滲析;硝酸銨廢水
化工生產中硝酸銨是用50%的稀硝酸與氨進行中和反應制成的。反應過程中放出大量的熱,使水吸熱汽化,最終得到70%~75%的硝酸銨溶液。該硝酸銨溶液經過進一步的蒸發濃縮結晶,得到硝酸銨產品。由于在汽化和結晶過程中水蒸氣夾帶部分硝酸銨和游離氨,蒸汽在冷凝后,冷凝水中就含有這些物料,如冷凝水不加處理,直接排放,會造成很大的環境污染,而且損失了硝酸銨等化工物料,水資源也得不到充分利用。
1 硝酸銨廢水治理現狀和水污染物排放標準
國內從2004 年開始推廣用電滲析處理硝酸銨廢水技術,改變了原來硝酸銨廢水直接沖稀排放而不加處理的局面。至今,近10 套處理硝酸銨廢水電滲析設備已投產使用,在行業內電滲析治理硝酸銨廢水技術推廣面最廣。另外,有幾家公司使用離子交換治理硝酸銨廢水技術(本文不再討論這一技術,另撰文評述)。
幾年來,電滲析處理硝酸銨廢水的技術本身得到顯著的進展。由于該系統的濃水含硝酸銨的質量分數可達10%,再蒸發濃縮使硝酸銨結晶的耗能較少,電滲析處理硝酸銨廢水工藝較其它工藝相比,具有操作少、運行連續等優點,使該技術得到用戶的歡迎。
電滲析處理硝酸銨廢水工藝作為環保治理項目,其出水指標必須滿足對污染物排放的國家標準的要求。
(1)舊標準
根據GB 13458—2001《合成氨工業水污染物排放標準》[1]規定,水污染物最高允許排放限值:對年產量≥30 萬t[氨]的大型企業,排水中ρ(氨氮)≤40 mg/L;對6 萬t[氨]≤年產量< 30 萬t[氨],排水中ρ(氨氮)≤70 mg/L。
據“電驅動膜分離器在硝酸銨的回收中的應用(陜西興化30 m3/h 硝酸銨回收)”一文[2]介紹,其電驅動膜分離器(即常規電滲析器)出水ρ(氨氮)≤100 mg/L,估計這也是當時電滲析處理硝酸銨廢水工藝出水的設計值。根據相關資料介紹,采用電滲析技術處理硝酸銨廢水的硝酸銨生產廠,其當時實際電滲析器出水中氨氮的質量濃度大致在50 mg/L上下波動。
可見,當時這些硝酸銨生產廠電滲析器出水氨氮基本上符合GB 13458—2001 的規定。
(2)新標準
2010 年12 月30 日國家發布了污染物排放新標準。根據新標準GB 26131—2010《硝酸工業污染物排放標準》[3]規定,自2011 年10 月1 日起,現有企業水污染物直接排放限值:ρ(氨氮)≤15 mg/L,ρ(總氮)≤50 mg/L;自2011 年3 月1 日起,新建企業水污染物直接排放限值:ρ(氨氮)≤10mg/L;ρ(總氮)≤30 mg/L。該標準還對特定地區制定了更嚴格的水污染物排污限值。
據了解,由于電滲析工藝本身存在一些不足之處,國家又提高水污染物排放標準后,僅用現有的電滲析工藝達到水污染物排放標準有一定的難度,到2013 年國家還將進一步提高排放標準。因此,我們提出一種新的改良電滲析法來治理硝酸銨廢水。這種方法繼承了原有電滲析工藝的優點,彌補了電滲析器的缺陷。采用該方法可全部回收硝酸銨廢水中的銨鹽,廢水得到回用,實現“零排放”。
2 電滲析工藝的缺陷
(1)易發生透膜擴散現象和串水現象。
在濃水室循環增濃的濃水,與其淡水相比,兩者濃度相差很大,產生了很高的滲透壓,易于發生跨膜遷移,使得淡水的水質變壞,濃水的濃度降低。電滲析器的濃淡水密封是依靠離子交換膜的彈性來密封,當電滲析器拆洗后,再次重裝,發生離子交換膜的錯位,使密封不嚴,易導致濃水和淡水串流,影響最終出水水質。
(2)電滲析器的脫鹽率不高。
以制備純水用的電滲析器為例,一般電滲析器的脫鹽率約為70%左右,近年來發明的無極水全自控電滲析器,其脫鹽率為95%以上[4],即電導率小于1 000 μS/cm 的進水,出水電導率在50 μS/cm 左右。
(3)發生濃差極化反應,無法進行深度處理。
在電滲析工藝處理的水中導電離子很少的情況下,會在電滲析器內發生濃差極化現象,水解離成H+和OH-,來補充導電離子,這一來浪費了大量的電,二來使得水質不能得到提高。(4)電滲析工藝排水無法得到充分利用。目前電滲析工藝的排水中氨氮的質量濃度在
20 mg/L 左右,不能直接排放,設計中大都將處理后的廢水排入循環冷卻水。GB 50335—2002《污水再生利用工程設計規范》規定,在再生水用作冷卻水時排水的水質指標為水中ρ(氨氮)≤10 mg/L,并特別規定當循環冷卻系統為銅材換熱器時,循環冷卻系統水中ρ(氨氮)< 1 mg/L,而目前電滲析器出水一般都達不到這一要求,如將不達標的電滲析器出水直接排入冷卻水系統,很容易發生冷卻系統的腐蝕現象[5-6]。尤其到2013 年執行總氮排放標準時,總氮含量較高的廢水處理將成為新的環保難題。
3 回收硝酸銨廢水用電去離子技術工業試驗
電去離子技術是一種新興的水處理技術,它由電滲析技術改進而來,電滲析器內部填充有離子交換樹脂,因此又稱填充床電滲析器。它結合了電滲析技術和離子交換技術這兩種技術的優點,和普通電滲析器相比,電去離子裝置有占地面積小,不易串水、耗電低、效率高等優點。電去離子裝置與離子交換器相比,電去離子裝置能連續運行、不設置備用,無需用酸堿再生,環保效益好。電去離子裝置內部所填充的樹脂在運行過程中不斷得到自再生,即在直流電場作用下,水不斷電離為H+和OH-,這些離子與失效的樹脂作用,再生為H 型和OH 型新鮮樹脂。這樣電去離子裝置底層的樹脂永遠是新鮮的,就保證電去離子裝置的出水水質很好,在一定條件下可以制得電阻率接近理論純水(18.2 MΩ·cm)的高純水。現在電去離子裝置已經廣泛地應用于能源工業、電子、生物、化工等行業,用以制備行業所需的高級純水。在環保領域中,電去離子裝置正在用以處理重金屬廢水。
近年來,作者曾在國內率先開發,已得到產業化應用的制備純水用電去離子膜技術,又相繼開發了在離子交換樹脂電再生、水的軟化和回收重金屬廢水方面的電去離子應用技術,最近開創性地提出電去離子技術應用于回收氨氮廢水中來,推出濃水循環增濃法用于液態物料的濃縮,從而把電去離子這種膜分離技術變為一種膜濃縮技術[7-9]。
設計處理量為3 m3/h 小型裝置,用它進行回收硝酸銨廢水用電去離子技術的工業試驗研究,即選用6 個經過改造的XL-500RL 模塊(美國Electropure Co.,Ltd.)組成1 套3 m3/h 電去離子裝置系統(見圖1)。XL-500RL 模塊主要性能:淡水流量為1.60~3.35 m3/h,濃水流量僅為淡水流量的10%,極水流量為0.03 m3/h。最大工作壓力為0.7 MPa。
圖1 用濃水循環濃縮電去離子技術處理硝酸銨廢水系統
6 個模塊按串聯連接,每2 個串聯模塊后設一個增壓泵,以克服流動阻力,驅動廢水流動。濃水和極水分別按2 個串聯模塊再并聯來連結。在濃縮試驗過程中,濃水不斷地在模塊濃水室和濃水罐之間循環流動,使從淡水室遷移過來的鹽分進入濃水中,導致濃水中鹽分濃度不斷升高。
硝酸銨化學純產品用反滲透膜制得的初級純水溶解,配成電導率為2 500 μS/cm 以下的溶液,用這種溶液模擬已經預處理過的硝酸銨廢水。在6 個串聯模塊組成的電去離子裝置中,按濃水循環增濃法來濃縮溶液,在試驗中確保末端模塊淡水室出水中氨氮的質量濃度幾乎為0。6 個串聯電去離子模塊處理硝酸銨廢水時出水電導率的變化見圖2。
從圖2 中數據可以看出,經電去離子裝置處理,可以將水中的硝酸銨全部去除,水的電導率可以達到0.2 μS/cm,遠遠低于ρ(氨氮)≤15 mg/L的標準,比反滲透裝置的出水水質還要好,將它作為脫鹽水回用。尤其是制備純水用的電去離子裝置,進水中的離子濃度(以電導率表示)在40 μS/cm 以下,通常離子濃度在10 μS/cm 以下,處理后純水的電導率可達0.06 μS/cm,即將脫鹽水制備成為高純水。所以電去離子裝置不但可以用來進行制備純水的深度處理,而且可以用做回收硝酸銨廢水的深度處理。
4 硝酸銨廢水深度處理用電去離子工藝
電去離子裝置比較適合于配置在電滲析工藝后段,將它作為硝酸銨廢水深度處理工藝。為此,將電滲析工藝處理后的出水,再進入電去離子裝置處理,可使處理后出水ρ(氨氮)≤5 mg/L,甚至為0,這樣就可以將全部硝酸銨廢水回用,實現“零排放”。硝酸銨廢水經多級多段電滲析器處理,廢水中剩余氨氮的質量濃度為15~40 mg/L,由于電滲析工藝本身存在種種缺陷,再增加處理用電滲析器的數量,也無法再將出水水質提高。如在電滲析工藝后,采用2 個電去離子裝置模塊,就可以使硝酸銨廢水中氨氮的質量濃度從43 mg/L(電導率約172.4 μS/cm)下降至0.05 mg/L(電導率約0.2 μS/cm),此時水中的氨氮幾乎為0 (見圖2)。
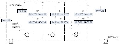
圖3 6 m3/h 硝酸銨廢水處理用改良電滲析系統
圖3 所示是為某硝酸銨生產廠設計的6 m3/h硝酸銨廢水處理用改良電滲析系統。在該硝酸銨廢水處理系統中,前段為電滲析處理工藝:將質量分數為1%硝酸銨廢水通過兩級電滲析工藝濃縮獲得質量分數為10%左右硝酸銨濃縮液,再用蒸汽加熱,蒸濃、結晶就得到固體硝酸銨產品;同時經電滲析工藝處理獲得的淡水(氨氮的質量濃度約為50 mg/L)進入后段。后段為電去離子處理工藝:經電去離子處理工藝處理后的淡水,其氨氮的質量濃度不足5 mg/L,可回收利用;這時在電去離子裝置內循環使用的濃水,待電導率達幾百μS/cm,就送入前段電滲析工藝回收,沒有一點外排廢水。這種以電滲析為主、以電去離子為輔的回收硝酸銨廢水的工藝,稱為改良電滲析工藝。
硝酸銨廢水深度處理用電去離子系統的運行特點如下:
(1)提高了分離效率。硝酸銨廢水經多級多段電滲析裝置處理,進入電去離子裝置后,電去離子裝置中的離子交換樹脂先將水中的氨氮(即硝酸銨)大量吸附,使得離子交換樹脂床層中的硝酸銨的濃度提高,在電場的作用下,能快速向濃水室遷移,提高了分離效率。
(2)密封好,不會串水。電去離子裝置克服了電滲析器密封不好的缺陷。由于每個電去離子裝置的濃、淡水室是由多層密封圈密封的,使電去離子裝置內水溶液只能跨膜遷移,不會發生淡水和濃水串流現象。
(3)濃差擴散小。在已知的工程實踐中(制備純水時),電去離子裝置的濃水室加鹽運行,并進行濃水循環,而此時淡水出水電導率卻只有0.06μS/cm,不會發生透膜擴散現象。
(4)出水水質好。電去離子裝置在低濃度條件下,脫鹽率很高,該技術已經在很多地方代替了混床進行末端的深度脫鹽,其出水水質極佳。電去離子裝置末端,水中大部分鹽已經遷移出來了,水會發生解離反應,生成H+和OH-,其中H+再生陽離子交換樹脂、OH-再生陰離子交換樹脂,使得電去離子裝置內部的離子交換樹脂再生,保證了最終出水水質。硝酸銨廢水經過電去離子裝置處理后,出水的水質很好,出水ρ(氨氮)≤5 mg/L,甚至可以使ρ(氨氮)≤1 mg/L。
(5)占地面積小。電去離子裝置模塊化設計,可以像書架上的書本一樣多層疊加,減少了裝置的占地面積。
我們開發了電去離子裝置深度處理硝酸銨廢水的技術,用這種技術來彌補電滲析工藝的這些缺陷,使得電滲析工藝既保留了操作簡便、水中銨鹽回收率高等優點,又可以使廢水全部回收利用,真正實現“零排放”。具體參見http://www.bnynw.com更多相關技術文檔。
5 結論
電去離子技術,又稱填充床電滲析技術,通過對常規電滲析和填充床電滲析工藝的有機集成,開發得到改良型電滲析工藝,實現了電滲析工藝的創新。硝酸銨廢水經本系統處理后可達到硝酸銨產品的全部回收及水資源得到循環利用,濃水中氨氮的質量分數大于或等于10%,經蒸濃結晶,得到固體硝酸銨產品;得到氨氮的質量濃度小于或等于5mg/L,甚至可達小于或等于1 mg/L 的淡水,可作為脫鹽水回用,真正實現了“零排放”。
參考文獻:
[1] GB 13458—2001,合成氨工業水污染物排放標準[S].
[2]陳觀文,徐平.分離膜應用與工程案例[M].北京:國防工業出版社,2007. 465-467.
[3] GB 26131—2010,硝酸工業污染物排放標準[S].
[4]沈英立.電滲析純水技術關鍵性突破[J].工業水處理,1992,12(5):38,31.
[5]段錦章.對《污水再生利用工程設計規范》中氨氮指標的建議[J].給水排水,2006,32(4):113-114.
[6]許晶晶,李進,李強,等.回用水中氨氮對不銹鋼耐腐蝕件的影響[J].工業水處理,2007,27(7):6-63.
[7]王方. 電去離子軟水技術的原理與應用前景[J].工業用水與廢水,2007,38(1):1-3.
[8]王方.綠色電去離子水處理技術[M].北京:中國環境科學出版社,2010. 1-131.
[9]王方.一種回收無機氨氮廢水用的電去離子方法及裝置[P].CN:200810222280.5,2008-09-16.
作者簡介:王方(1938-),男,浙江平湖人,教授,研究方向為工業水處理的研究和開發。(工業用水與廢水)


