公布日:2023.09.12
申請日:2023.07.28
分類號:C02F9/00(2023.01)I;C02F1/00(2023.01)N;C02F1/68(2023.01)N;C02F1/66(2023.01)N;C02F1/62(2023.01)N;C02F103/18(2006.01)N
摘要
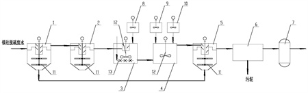
本發明涉及一種鎂法脫硫廢水除鈣預處理系統,包括廢水預沉罐、廢水收集罐、反應器一、反應器二、過濾裝置、加藥系統一、加藥系統二、加藥系統三、污泥濃縮罐和壓濾裝置,廢水預沉罐、廢水收集罐、反應器一、反應器二、污泥濃縮罐、壓濾裝置、過濾裝置依次連接,加藥系統一與反應器一連接,加藥系統二和加藥系統三均與反應器二連接,廢水預沉罐與污泥濃縮罐連接。本發明針對高含量鎂離子和低含量鈣離子的鎂法脫硫廢水,有選擇性的對鈣離子進行去除,廢水中的鎂離子不被去除,經除鈣預處理后的清液中懸浮物含量小于5mg/L,鈣離子去除率在80%~95%以上。

權利要求書
1.一種鎂法脫硫廢水除鈣預處理系統,其特征在于,包括廢水預沉罐、廢水收集罐、反應器一、反應器二、過濾裝置、加藥系統一、加藥系統二、加藥系統三、污泥濃縮罐和壓濾裝置,廢水預沉罐、廢水收集罐、反應器一、反應器二、污泥濃縮罐、壓濾裝置、過濾裝置依次連接,加藥系統一與反應器一連接,加藥系統二和加藥系統三均與反應器二連接,廢水預沉罐與污泥濃縮罐連接。
2.根據權利要求1所述的一種鎂法脫硫廢水除鈣預處理系統,其特征在于,所述的廢水預沉罐、廢水收集罐及污泥濃縮罐均為圓形下錐體結構,其內部均設置攪拌裝置。
3.根據權利要求1所述的一種鎂法脫硫廢水除鈣預處理系統,其特征在于,所述的反應器一內設置攪拌裝置和曝氣裝置。
4.根據權利要求1所述的一種鎂法脫硫廢水除鈣預處理系統,其特征在于,所述的反應器二內設置攪拌裝置。
5.根據權利要求1所述的一種鎂法脫硫廢水除鈣預處理系統,其特征在于,所述的壓濾裝置為高壓隔膜板框壓濾裝置。
6.根據權利要求1所述的一種鎂法脫硫廢水除鈣預處理系統,其特征在于,所述的過濾裝置為細砂過濾裝置或陶瓷膜過濾裝置。
7.采用權利要求1所述鎂法脫硫廢水除鈣預處理系統的鎂法脫硫廢水除鈣預處理方法,其特征在于,將鎂法脫硫廢水通入廢水預沉罐進行預沉淀,清液溢流至廢水收集罐,污泥水流至污泥濃縮罐,廢水收集罐內廢水進行均質均量處理后通入反應器一內,在反應器一內加入草酸溶液進行攪拌,pH調節至2~4,進行曝氣反應,化學反應沉淀,去除廢水中的鈣離子和堿度;廢水進入反應器二內,在反應器二內加入氫氧化鈉堿性液體、PAM溶液進行攪拌,化學中和反應沉淀,控制pH至6~7,獲得中性高鹽懸濁水;將中性高鹽懸濁水依次通入污泥濃縮罐、壓濾裝置,壓濾裝置的濾液進入過濾裝置進行過濾處理,獲得經除鈣預處理后的清液。
8.根據權利要求7所述的鎂法脫硫廢水除鈣預處理方法,其特征在于,所述的草酸溶液的質量濃度5%~10%范圍內。
9.根據權利要求7所述的鎂法脫硫廢水除鈣預處理方法,其特征在于,所述的氫氧化鈉堿性液體質量濃度10%~20%,PAM溶液的質量濃度0.05%~0.1%。
10.根據權利要求7所述的鎂法脫硫廢水除鈣預處理方法,其特征在于,所述鎂法脫硫廢水在廢水預沉罐內停留時間大于3h;鎂法脫硫廢水在反應器一反應停留時間大于20min;鎂法脫硫廢水在反應器二反應停留時間大于20min。
發明內容
本發明所要解決的技術問題是提供一種鎂法脫硫廢水除鈣預處理系統,能夠對冶金行業鎂法脫硫廢水選擇性除鈣處理,保留廢水中的鎂離子,沉淀物少,處理設備占地面積小。
為實現上述目的,本發明采用以下技術方案實現:
一種鎂法脫硫廢水除鈣預處理系統,包括廢水預沉罐、廢水收集罐、反應器一、反應器二、過濾裝置、加藥系統一、加藥系統二、加藥系統三、污泥濃縮罐和壓濾裝置,廢水預沉罐、廢水收集罐、反應器一、反應器二、污泥濃縮罐、壓濾裝置、過濾裝置依次連接,加藥系統一與反應器一連接,加藥系統二和加藥系統三均與反應器二連接,廢水預沉罐與污泥濃縮罐連接。
所述的廢水預沉罐為圓形下錐體結構,廢水預沉罐內設置攪拌裝置,
所述的廢水收集罐為圓形下錐體結構,廢水收集罐內設置攪拌裝置。
所述的反應器一內設置攪拌設備和曝氣裝置。
所述的反應器二內設置攪拌設備。
所述的污泥濃縮罐為圓形下錐體結構,污泥濃縮罐內設置攪拌裝置。
所述的壓濾裝置為高壓隔膜板框壓濾裝置。
所述的過濾裝置為細砂過濾裝置或陶瓷膜過濾裝置。
采用鎂法脫硫廢水除鈣預處理系統的鎂法脫硫廢水除鈣預處理方法,將鎂法脫硫廢水通入廢水預沉罐進行預沉淀,清液溢流至廢水收集罐,污泥水流至污泥濃縮罐,廢水收集罐內廢水進行均質均量處理后通入反應器一內,在反應器一內加入草酸溶液進行攪拌,pH調節至2~4,進行曝氣反應,化學反應沉淀,去除廢水中的鈣離子和堿度;廢水進入反應器二內,在反應器二內加入氫氧化鈉堿性液體、PAM溶液進行攪拌,化學中和反應沉淀,控制pH至6~7,獲得中性高鹽懸濁水;將中性高鹽懸濁水依次通入污泥濃縮罐、壓濾裝置,壓濾裝置的濾液進入過濾裝置進行過濾處理,獲得經除鈣預處理后的清液。
所述的草酸溶液的質量濃度5%~10%范圍內。
所述的氫氧化鈉堿性液體質量濃度10%~20%,PAM溶液的質量濃度0.05%~0.1%。
所述鎂法脫硫廢水在廢水預沉罐內停留時間大于3h。
所述鎂法脫硫廢水在反應器一反應停留時間大于20min。
所述鎂法脫硫廢水在反應器二反應停留時間大于20min。
與現有的技術相比,本發明的有益效果是:
(1)針對高含量鎂離子和低含量鈣離子的鎂法脫硫廢水,有選擇性的對鈣離子進行去除,廢水中的鎂離子不被去除,經除鈣預處理后的清液中懸浮物含量小于5mg/L,鈣離子去除率在80%~95%以上,保障后續膜濃縮減量工藝和蒸發結晶工藝最大程度回收鎂法脫硫廢水中的鎂離子。
(2)投加除鈣藥劑種類少,投加量小,產生鈣離子沉淀物量少,運行成本低;
(3)除鈣預處理系統加藥反應和沉淀物沉淀停留時間短,設備結構簡單,占地面積小,污泥處理成本低;
(4)除鈣預處理系統自動化水平高,操作方便。
(發明人:高丕強;洪忠強;葛程程;梁松;劉金港)






