公布日:2023.08.29
申請日:2023.07.04
分類號:B01D25/30(2006.01)I;B01D25/12(2006.01)I;B01D25/34(2006.01)I;B01D25/00(2006.01)I;B01D37/04(2006.01)I
摘要
本發明公開了一種吸污脫水處理車技術領域的壓濾機式吸污脫水處理車智能控制系統及方法,旨在解決現有技術的系統操作使用較為復雜,對于工作人員的技術水平依賴度較高,且工作容易出現不連續的問題。其包括取電單元和執行單元;所述取電單元包括電源柜與控制柜,所述電源柜與所述控制柜電性連接;所述電源柜用于獲取所述取電單元和所述執行單元運行所需的動力電;所述控制柜上設有顯示屏、觸屏開關、獨立開關和一鍵開關;本發明適用于污泥脫水,可有效檢測電源柜取電情況,解決傳統系統因缺乏對各系統的集成化、關聯化、自動化、一體化控制,造成的系統操作復雜繁瑣,運行平穩性差,對人員技能素質依賴度高、管理難的情況。

權利要求書
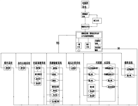
1.一種壓濾機式吸污脫水處理車智能控制系統,其特征在于,包括取電單元和執行單元;所述取電單元與所述執行單元電性連接;所述執行單元包括依次連接的吸污系統、雜污分離系統、藥液輸送系統、泥漿調理系統、高壓注漿系統、壓濾機脫水系統和排渣系統;所述取電單元包括電源柜與控制柜,所述電源柜與所述控制柜電性連接;所述電源柜用于獲取所述取電單元和所述執行單元運行所需的動力電;所述控制柜上設有顯示屏、觸屏開關、獨立開關和一鍵開關,所述觸屏開關用于獲取所述電源柜的閘門開關情況,所述顯示屏用于顯示所述電源柜獲取的所述動力電數據,所述顯示屏用于獲取所述執行單元中各個系統的接通情況;所述一鍵開關用于控制所述執行單元中的所有系統同步開始工作;所述獨立開關用于控制所述執行單元中的其中一個系統開始工作。
2.根據權利要求1所述的壓濾機式吸污脫水處理車智能控制系統,其特征在于,所述吸污系統包括泥漿泵和泥漿輸送管,所述雜污分離系統包括雜污篩分機,所述藥液輸送系統包括藥劑儲存裝置和加藥管,所述泥漿調理系統包括攪拌設備,所述高壓注漿系統包括高壓注漿泵,所述壓濾機脫水系統包括壓濾機、壓榨泵、清水管和循環水箱,所述排渣系統包括皮帶輸送機;所述泥漿泵的輸出端通過所述泥漿輸送管與所述雜污篩分機的輸入端連通,所述雜污篩分機的輸出端與所述攪拌設備的輸入端連通,所述藥劑儲存裝置的輸出端通過所述加藥管與所述攪拌設備的輸入端連通,所述攪拌設備的輸出端與所述高壓注漿泵的輸入端連通,所述高壓注漿泵的輸出端與所述壓濾機的輸入端連通,所述清水管的一端與所述壓濾機的輸入端連通,所述清水管的另一端同時與所述壓榨泵的輸出端和所述循環水箱的輸入端連通,所述循環水箱的輸出端與所述壓榨泵的輸入端連通,所述清水管與所述壓榨泵的輸出端之間設有第一截止閥,所述清水管與所述循環水箱的輸入端之間設有第二截止閥,所述皮帶輸送機位于所述壓濾機輸出端的下方。
3.根據權利要求2所述的壓濾機式吸污脫水處理車智能控制系統,其特征在于,所述藥液輸送系統包括多個藥劑儲存裝置和多個加藥管,所述藥劑儲存裝置與所述加藥管的數量相匹配。
4.根據權利要求2所述的壓濾機式吸污脫水處理車智能控制系統,其特征在于,所述泥漿輸送管上設有泥漿電磁流量計,所述加藥管上設有計量泵和藥劑電磁流量計,所述攪拌設備內設有液位傳感器,所述高壓注漿泵的輸出端與所述壓濾機的輸入端之間設有第三截止閥和第一壓力表,所述壓濾機內設有接近傳感器,所述壓濾機與所述清水管之間設有第二壓力表,所述清水管與所述壓榨泵輸出端之間設有第三壓力表。
5.根據權利要求4所述的壓濾機式吸污脫水處理車智能控制系統,其特征在于,所述取電單元還包括可編程邏輯控制器模塊,所述泥漿電磁流量計、所述藥劑電磁流量計、所述計量泵和所述液位傳感器均與所述可編程邏輯控制器模塊電性連接。
6.根據權利要求4所述的壓濾機式吸污脫水處理車智能控制系統,其特征在于,所述可編程邏輯控制器模塊電性連接有計時模塊,所述計時模塊用于獲取所述壓濾機單次工作中各個階段的時長;其中,所述壓濾機單次工作的階段包括:注漿階段、保壓階段、壓榨階段、卸料階段和合板階段。
7.根據權利要求4所述的壓濾機式吸污脫水處理車智能控制系統,其特征在于,所述顯示屏用于對所述雜污篩分機、所述攪拌設備、所述計量泵、所述高壓注漿泵和所述壓濾機的運動參數進行調節控制。
8.一種壓濾機式吸污脫水處理車智能控制方法,其特征在于,采用權利要求1-7任一項所述的壓濾機式吸污脫水處理車智能控制系統,包括取電單元控制方法和執行單元控制方法,所述取電單元控制方法包括:步驟a:獲取所述取電單元和所述執行單元運行所需的動力電;步驟b,獲取所述電源柜的閘門開關情況,并通過觸屏開關顯示,以獲取觸屏開關工作情況,執行步驟c;步驟c:將獲取觸屏開關工作情況與預設的合閘情況進行比較,若比較結果相同,則執行步驟d,若比較結果不同,則返回步驟b;步驟d:獲取執行單元中各個系統的接通情況,并通過顯示屏顯示,以獲取顯示結果,執行步驟e;步驟e:將獲取的顯示結果與預設的顯示情況進行比較,若比較結果相同,則執行步驟f,若比較結果不同,則停止執行單元中各個系統的工作,并返回步驟d;步驟f:啟動開關,直至執行單元中各個系統均開始工作,工作完成;其中,所述開關包括一鍵開關和獨立開關。
9.根據權利要求8所述的一種壓濾機式吸污脫水處理車智能控制方法,其特征在于,所述執行單元控制方法包括:啟動吸污系統,對于管網中的淤泥進行抽吸工作,并將抽吸后的淤泥輸送至雜污分離系統;啟動雜污分離系統,對于抽吸后的淤泥進行雜污分離工作,并將雜污分離后的淤泥輸送至泥漿調理系統;啟動藥液輸送系統,將藥劑輸送至泥漿調理系統;啟動泥漿調理系統,將藥劑與雜污分離后的淤泥進行混合工作,以獲取絮凝沉淀后的淤泥,并將絮凝沉淀后的淤泥輸送至高壓注漿系統;啟動高壓注漿系統,將絮凝沉淀后的淤泥輸送至壓濾機脫水系統;啟動壓濾機脫水系統,對于絮凝沉淀后的淤泥進行脫水工作,并將脫水后的淤泥輸送至排渣系統;啟動排渣系統,將脫水后的淤泥排出車廂。
10.一種壓濾機式吸污脫水處理車,其特征在于,包括權利要求1-7任一項所述的壓濾機式吸污脫水處理車智能控制系統。
發明內容
本發明的目的在于克服現有技術中的不足,提供一種壓濾機式吸污脫水處理車智能控制系統及方法,解決壓濾機式吸污脫水處理車系統中的每一個設備均為一個獨立控制單元,操作使用較為復雜,對于工作人員的技術水平依賴度較高,且系統的工作容易出現不連續,影響系統的工作穩定性問題。
為解決上述技術問題,本發明是采用下述技術方案實現的:
第一方面,本發明提供了一種壓濾機式吸污脫水處理車智能控制系統,包括取電單元和執行單元;所述取電單元與所述執行單元電性連接;
所述執行單元包括依次連接的吸污系統、雜污分離系統、藥液輸送系統、泥漿調理系統、高壓注漿系統、壓濾機脫水系統和排渣系統;
所述取電單元包括電源柜與控制柜,所述電源柜與所述控制柜電性連接;
所述電源柜用于獲取所述取電單元和所述執行單元運行所需的動力電;
所述控制柜上設有顯示屏、觸屏開關、獨立開關和一鍵開關,所述觸屏開關用于獲取所述電源柜的閘門開關情況,所述顯示屏用于顯示所述電源柜獲取的所述動力電數據,所述顯示屏用于獲取所述執行單元中各個系統的接通情況;
所述一鍵開關用于控制所述執行單元中的所有系統同步開始工作;
所述獨立開關用于控制所述執行單元中的其中一個系統開始工作。
進一步的,所述吸污系統包括泥漿泵和泥漿輸送管,所述雜污分離系統包括雜污篩分機,所述藥液輸送系統包括藥劑儲存裝置和加藥管,所述泥漿調理系統包括攪拌設備,所述高壓注漿系統包括高壓注漿泵,所述壓濾機脫水系統包括壓濾機、壓榨泵、清水管和循環水箱,所述排渣系統包括皮帶輸送機;
所述泥漿泵的輸出端通過所述泥漿輸送管與所述雜污篩分機的輸入端連通,所述雜污篩分機的輸出端與所述攪拌設備的輸入端連通,所述藥劑儲存裝置的輸出端通過所述加藥管與所述攪拌設備的輸入端連通,所述攪拌設備的輸出端與所述高壓注漿泵的輸入端連通,所述高壓注漿泵的輸出端與所述壓濾機的輸入端連通,所述清水管的一端與所述壓濾機的輸入端連通,所述清水管的另一端同時與所述壓榨泵的輸出端和所述循環水箱的輸入端連通,所述循環水箱的輸出端與所述壓榨泵的輸入端連通,所述清水管與所述壓榨泵的輸出端之間設有第一截止閥,所述清水管與所述循環水箱的輸入端之間設有第二截止閥,所述皮帶輸送機位于所述壓濾機輸出端的下方。
進一步的,所述藥液輸送系統包括多個藥劑儲存裝置和多個加藥管,所述藥劑儲存裝置與所述加藥管的數量相匹配。
進一步的,所述泥漿輸送管上設有泥漿電磁流量計,所述加藥管上設有計量泵和藥劑電磁流量計,所述攪拌設備內設有液位傳感器,所述高壓注漿泵的輸出端與所述壓濾機的輸入端之間設有第三截止閥和第一壓力表,所述壓濾機內設有接近傳感器,所述壓濾機與所述清水管之間設有第二壓力表,所述清水管與所述壓榨泵輸出端之間設有第三壓力表。
進一步的,所述取電單元還包括可編程邏輯控制器模塊,所述泥漿電磁流量計、所述藥劑電磁流量計、所述計量泵和所述液位傳感器均與所述可編程邏輯控制器模塊電性連接。
進一步的,所述可編程邏輯控制器模塊電性連接有計時模塊,所述計時模塊用于獲取所述壓濾機單次工作中各個階段的時長;
其中,所述壓濾機單次工作的階段包括:注漿階段、保壓階段、壓榨階段、卸料階段和合板階段。
進一步的,所述顯示屏用于對所述雜污篩分機、所述攪拌設備、所述計量泵、所述高壓注漿泵和所述壓濾機的運動參數進行調節控制。
第二方面,本發明提供了一種壓濾機式吸污脫水處理車智能控制方法,采用第一方面所述的壓濾機式吸污脫水處理車智能控制系統,包括取電單元控制方法和執行單元控制方法,所述取電單元控制方法包括:
步驟a:獲取所述取電單元和所述執行單元運行所需的動力電;
步驟b,獲取所述電源柜的閘門開關情況,并通過觸屏開關顯示,以獲取觸屏開關工作情況,執行步驟c;
步驟c:將獲取觸屏開關工作情況與預設的合閘情況進行比較,若比較結果相同,則執行步驟d,若比較結果不同,則返回步驟b;
步驟d:獲取執行單元中各個系統的接通情況,并通過顯示屏顯示,以獲取顯示結果,執行步驟e;
步驟e:將獲取的顯示結果與預設的顯示情況進行比較,若比較結果相同,則執行步驟f,若比較結果不同,則停止執行單元中各個系統的工作,并返回步驟d;
步驟f:啟動開關,直至執行單元中各個系統均開始工作,工作完成;
其中,所述開關包括一鍵開關和獨立開關。
進一步的,所述執行單元控制方法包括:
啟動吸污系統,對于管網中的淤泥進行抽吸工作,并將抽吸后的淤泥輸送至雜污分離系統;
啟動雜污分離系統,對于抽吸后的淤泥進行雜污分離工作,并將雜污分離后的淤泥輸送至泥漿調理系統;
啟動藥液輸送系統,將藥劑輸送至泥漿調理系統;
啟動泥漿調理系統,將藥劑與雜污分離后的淤泥進行混合工作,以獲取絮凝沉淀后的淤泥,并將絮凝沉淀后的淤泥輸送至高壓注漿系統;
啟動高壓注漿系統,將絮凝沉淀后的淤泥輸送至壓濾機脫水系統;
啟動壓濾機脫水系統,對于絮凝沉淀后的淤泥進行脫水工作,并將脫水后的淤泥輸送至排渣系統;
啟動排渣系統,將脫水后的淤泥排出車廂。
第三方面,本發明提供了一種壓濾機式吸污脫水處理車,包括第一方面所述的壓濾機式吸污脫水處理車智能控制系統。
與現有技術相比,本發明所達到的有益效果:
1、該一種壓濾機式吸污脫水處理車智能控制系統,可有效的檢測電源柜獲取電源電力的取電情況,包括對總電源輸入功率、電流、電壓的數據監控,以及對下一級輸配電線路、各系統電源接通狀態的監控;按照設定的工藝流程對各系統進行自動化關聯控制、數據反饋,數據匯總等自動化控制聯系,解決傳統管網清淤吸污脫水處理系統中,因缺乏對各系統的集成化、關聯化、自動化、一體化控制,造成的系統操作復雜繁瑣,運行平穩性差,對人員技能素質依賴度高、管理難的情況,本申請通過電源柜與控制柜配合,同時對于執行單元中的多個系統進行控制工作,以將多個系統結合為一個整體,簡化了其操作使用的過程,降低了對于人員技能素質的依賴,同時對于執行單元中的多個系統進行統一調配,避免出現工作不連續的問題,保證了系統工作時的穩定性;
2、本發明通過PLC和計時模塊配合,從而獲取壓濾機單次循環的時長,進而獲得泥漿脫水處理后一天內的干排渣次數,有助于用戶根據每天的干排渣量,反向驗算吸污處理量和藥劑用量之間的成本與比例,有助于用戶對濾布這樣的耗材易損件的使用壽命統計,使用成本統計,進一步保證了裝置的實用性。
3、本發明通過在泥漿輸送管和加藥管安置流量計流體傳感元件,對泥漿流量、藥劑流量進行流量監控和計時統計,有效的獲得了泥漿輸入量和藥劑輸入量的具體數據,有助于用戶對接收、處理用藥直接計量,與成本的統計和計算,并能夠結合干排渣量、干排渣次數、單次處理壓濾機脫水所需循環時長等數據,進行驗算,進而更詳盡的發現運行差異,有助于用戶提高處理產能和成本管理效率。
4、本發明通過控制柜將顯示屏、觸屏開關、獨立開關和一鍵開關集成于一體,較傳統按鈕控制柜大幅簡化因多設備組合及復雜關聯控制、順序控制之間而帶來的滿柜體都是按鈕指和示燈所造成的人機交互效率低下,操作復雜繁瑣,操作人員易產生疲勞等缺陷,借助于觸屏視圖化的操控界面,不僅取消了眾多按鈕和指示燈,更使復雜的關聯控制與順序操作,變成了平面化直觀視圖,因此,使控制與監控更加直觀、高效、簡單。
(發明人:葉海濤;郭志娟;單龍;孫進;桑健權;房立國;石祥;杜帥)






