公布日:2023.11.07
申請日:2023.08.10
分類號:C02F1/04(2023.01)I;C02F1/22(2023.01)I;C02F1/38(2023.01)I;C01D5/18(2006.01)I;C01D5/16(2006.01)I;F25B9/00(2006.01)I;F25B49/02(2006.01)I
摘要
本發明涉及一種處理硫酸鈉廢水的零排放系統,包括冷卻結晶單元、蒸發結晶單元和產品制備單元。廢水先經過冷凍結晶單元處理后產生硫酸鈉結晶和冷凍結晶母液;冷凍結晶母液再經過蒸發結晶單元處理。蒸發結晶單元包括一級預熱器、二級預熱器、負壓蒸發器;初始熱蒸汽先通入二級預熱器中對冷凍結晶母液進行二級預熱,二級預熱器出來產生的高溫凝水通入一級預熱器中對冷凍結晶母液進行一級預熱;冷凍結晶母液依次經一級和二級預熱后,通入負壓蒸發器中進行負壓蒸發結晶,產生的硫酸鈉結晶與冷卻結晶單元產生的硫酸鈉結晶合并,干燥后產生硫酸鈉產品。本發明可回收水資源和工業鹽,達到低成本零排放的目的,具有回收率高、能耗低的優點。

權利要求書
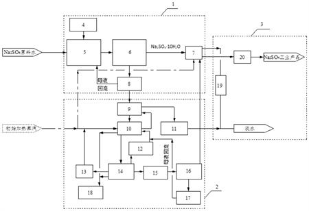
1.一種處理硫酸鈉廢水的零排放系統,其特征在于,其包括冷卻結晶單元(1)、蒸發結晶單元(2)和產品制備單元(3);所述冷卻結晶單元(1)包括冷凍結晶器(5)和第一離心機(6);高濃度硫酸鈉廢水進入冷凍結晶器(5)進行冷凍結晶,產生含有結晶的固液混合物,經第一離心機(6)離心,產生硫酸鈉結晶和冷凍結晶母液;所述蒸發結晶單元(2)包括一級預熱器(9)、二級預熱器(10)、負壓蒸發器(14)和第二離心機(16);初始熱蒸汽先通入二級預熱器(10)中對冷凍結晶母液進行二級預熱,初始熱蒸汽從二級預熱器(10)出來產生的高溫凝水通入一級預熱器(9)中對冷凍結晶母液進行一級預熱;冷卻結晶單元(1)產生的冷凍結晶母液依次經一級預熱器(9)和二級預熱器(10)預熱后,通入負壓蒸發器(14)中進行負壓蒸發結晶,產生含有結晶的固液混合物送入第二離心機(16)離心分離,產生的硫酸鈉結晶與第一離心機(6)產生的硫酸鈉結晶合并,干燥后產生硫酸鈉產品。
2.根據權利要求1所述的零排放系統,其特征在于,所述冷卻結晶單元(1)還包括CO2制冷機(4),其向冷凍結晶器(5)提供冷量,使冷凍結晶器(5)中高濃度硫酸鈉廢水的溫度冷卻至0-5℃。
3.根據權利要求1所述的零排放系統,其特征在于,所述冷卻結晶單元(1)還包括第一母液罐(8),含有結晶的固液混合物進入第一離心機(6)離心后產生的冷凍結晶母液進入第一母液罐(8),第一母液罐(8)以管道連接冷凍結晶器(5),使一部分冷凍結晶母液返回到冷凍結晶器(5)再次被結晶;第一母液罐(8)還以管道連接一級預熱器(9),使另一部分冷凍結晶母液進入到蒸發結晶單元(2)中的一級預熱器(9)被預熱。
4.根據權利要求1所述的零排放系統,其特征在于,所述冷卻結晶單元(1)還包括干燥機(7),所述第二離心機(16)離心分離產生的硫酸鈉結晶與第一離心機(6)產生的硫酸鈉結晶,被送入到干燥機(7)中干燥;初始熱蒸汽通入所述干燥機(7)中以提供干燥所需的熱量,初始熱蒸汽從干燥機(7)出來后產生冷凝淡水,冷凝淡水進入產品制備單元(3)的第一冷凝淡水罐(19)儲存以產生淡水。
5.根據權利要求1-4任一項所述的零排放系統,其特征在于,所述蒸發結晶單元(2)還包括第二冷凝淡水罐(11),初始熱蒸汽先通入二級預熱器(10)中對冷凍結晶母液進行二級預熱,初始熱蒸汽從二級預熱器(10)出來后溫度降低,所產生高溫凝水通入一級預熱器(9)中對冷凍結晶母液進行一級預熱,從一級預熱器(9)出來后溫度進一步降低,產生冷凝淡水,冷凝淡水進入第二冷凝淡水罐(11)儲存以產生淡水。
6.根據權利要求1-4任一項所述的零排放系統,其特征在于,所述蒸發結晶單元(2)還包括真空系統(18),其與負壓蒸發器(14)連接,使負壓蒸發器(14)保持負壓,加快蒸發速度降低蒸發溫度;負壓蒸發器(14)內溫度為85-95℃,優選90℃;真空系統(18)還與二級預熱器(10)連接,使二級預熱器(10)保持負壓。
7.根據權利要求1-4任一項所述的零排放系統,其特征在于,負壓蒸發器(14)連接蒸汽壓縮機(13),經過二級預熱器(10)預熱的冷凍結晶母液進入到負壓蒸發器(14)被閃蒸并產生二次蒸汽,二次蒸汽經蒸汽壓縮機(13)壓縮提溫后進入二級預熱器(10)對冷凍結晶母液進行預熱,其溫度降低并從二級預熱器(10)出來所產生的高溫凝水通入一級預熱器(9)中對冷凍結晶母液進行一級預熱,從一級預熱器(9)出來后溫度進一步降低,產生冷凝淡水,冷凝淡水進入第二冷凝淡水罐(11)儲存以產生淡水;其中,通入二級預熱器(10)的二次蒸汽的量是通入二級預熱器(10)的初始熱蒸汽的1-100倍。
8.根據權利要求1-4任一項所述的零排放系統,其特征在于,所述蒸發結晶單元(2)還包括稠厚器(15),所述冷凍結晶母液在負壓蒸發器(14)中進行負壓蒸發結晶,產生含有結晶的固液混合物進入稠厚器(15)中進行含固率的調整,隨后再進入第二離心機(16)離心分離。
9.根據權利要求1-4任一項所述的零排放系統,其特征在于,第二離心機(16)產生的離心母液進入第二母液罐(17)暫存,暫存的離心母液回流至二級預熱器(10)與來自一級預熱器(9)的冷凍結晶母液一起被預熱并進入負壓蒸發器(14)中進行蒸發結晶;所述蒸發結晶單元(2)還包括循環泵(12),其設于負壓蒸發器(14)與二級預熱器(10)之間,循環泵(12)用于將負壓蒸發器(14)中的冷凍結晶母液循環泵入二級預熱器(10)中,與來自一級預熱器(9)的冷凍結晶母液一起被預熱并進入負壓蒸發器(14)中進行循環蒸發結晶。
10.一種處理硫酸鈉廢水的零排放方法,其特征在于,包括:S1、對含硫酸鈉溶液進行預處理和濃縮減量化處理,得到高濃度硫酸鈉廢水;S2、用冷凍結晶器對高濃度硫酸鈉廢水處理產生含有結晶的固液混合物,離心得到硫酸鈉結晶和冷凍結晶母液;硫酸鈉結晶烘干得到硫酸鈉產品;其中一部分冷凍結晶母液回流到冷凍結晶器中循環被冷凍結晶;S3、另一部分冷凍結晶母液依次被一級預熱器和二級預熱器預加熱后,進入負壓蒸發器中蒸發產生含有結晶的固液混合物,離心得到硫酸鈉結晶和離心母液,硫酸鈉結晶烘干得到硫酸鈉產品;二級預熱的溫度高于一級預熱;負壓蒸發器穩定運行前,二級預熱器最初由外源的初始加熱蒸汽提供熱源,初始加熱蒸汽輸入二級預熱器中對冷凍結晶母液進行二級預熱,初始加熱蒸汽溫度降低后產生的高溫凝水進入一級預熱器對冷凍結晶母液進行一級預熱,高溫凝水從一級預熱器出來后產生冷凝淡水;負壓蒸發器穩定運行后,二級預熱器的加熱熱源由負壓蒸發器提供:冷凍結晶母液經二級預熱器加熱后進入負壓蒸發器被蒸發以產生二次蒸汽,二次蒸汽被壓縮提溫后作為熱源循環輸入二級預熱器,二次蒸汽從二級預熱器出來后溫度降低并產生高溫凝水,其進入一級預熱器對冷凍結晶母液進行一級預熱,最后從一級預熱器出來變成冷凝淡水。
發明內容
(一)要解決的技術問題
鑒于現有技術的上述缺點、不足,本發明提供一種處理硫酸鈉廢水的零排放系統,其包括冷凍結晶單元、蒸發結晶單元和產品制備單元,高濃度硫酸鈉廢水先經冷凍結晶單元處理,之后冷凍結晶母液進入蒸發結晶單元再次結晶,可提高淡水和硫酸鈉固體的回收率,冷凍結晶單元和蒸發結晶單元產生的結晶合并進入產品制備單元產生硫酸鈉產品;所述系統回收水資源的同時回收工業原料變廢為寶,達到低成本零排放的目的,具有回收率高、能耗低的優點。
(二)技術方案
第一方面,本發明提供一種處理硫酸鈉廢水的零排放系統,其包括冷卻結晶單元(1)、蒸發結晶單元(2)和產品制備單元(3);
所述冷卻結晶單元(1)包括冷凍結晶器(5)和第一離心機(6);高濃度硫酸鈉廢水進入冷凍結晶器(5)進行冷凍結晶,產生含有結晶的固液混合物,經第一離心機(6)離心,產生硫酸鈉結晶(十水硫酸鈉固體)和冷凍結晶母液;
所述蒸發結晶單元(2)包括一級預熱器(9)、二級預熱器(10)、負壓蒸發器(14)和第二離心機(16);初始熱蒸汽先通入二級預熱器(10)中對冷凍結晶母液進行二級預熱,初始熱蒸汽從二級預熱器(10)出來產生的高溫凝水通入一級預熱器(9)中對冷凍結晶母液進行一級預熱;冷卻結晶單元(1)產生的冷凍結晶母液依次經一級預熱器(9)和二級預熱器(10)預熱后,通入負壓蒸發器(14)中進行負壓蒸發結晶,產生含有結晶的固液混合物送入第二離心機(16)離心分離,產生的硫酸鈉結晶與第一離心機(6)產生的硫酸鈉結晶合并,干燥后產生硫酸鈉產品。
根據本發明的較佳實施例,所述冷卻結晶單元(1)還包括CO2制冷機(4),其向冷凍結晶器(5)提供冷量,使冷凍結晶器(5)中高濃度硫酸鈉廢水的溫度冷卻至0-5℃。
根據本發明的較佳實施例,所述冷卻結晶單元(1)還包括第一母液罐(8),含有結晶的固液混合物進入第一離心機(6)離心后產生的冷凍結晶母液進入第一母液罐(8),第一母液罐(8)以管道連接冷凍結晶器(5),使一部分冷凍結晶母液返回到冷凍結晶器(5)再次被結晶;第一母液罐(8)還以管道連接一級預熱器(9),使另一部分冷凍結晶母液進入到蒸發結晶單元(2)中的一級預熱器(9)被預熱。
根據本發明的較佳實施例,所述冷卻結晶單元(1)還包括干燥機(7),所述第二離心機(16)離心分離產生的硫酸鈉結晶與第一離心機(6)產生的硫酸鈉結晶,被送入到干燥機(7)中干燥;初始熱蒸汽通入所述干燥機(7)中以提供干燥所需的熱量,初始熱蒸汽從干燥機(7)出來后產生冷凝淡水,冷凝淡水進入產品制備單元(3)的第一冷凝淡水罐(19)儲存以產生淡水。
根據本發明的較佳實施例,所述蒸發結晶單元(2)還包括第二冷凝淡水罐(11),初始熱蒸汽先通入二級預熱器(10)中對冷凍結晶母液進行二級預熱,初始熱蒸汽從二級預熱器(10)出來后溫度降低,所產生高溫凝水通入一級預熱器(9)中對冷凍結晶母液進行一級預熱,從一級預熱器(9)出來后溫度進一步降低,產生冷凝淡水,冷凝淡水進入第二冷凝淡水罐(11)儲存以產生淡水。
根據本發明的較佳實施例,所述蒸發結晶單元(2)還包括真空系統(18),其與負壓蒸發器(14)連接,使負壓蒸發器(14)保持負壓,加快蒸發速度降低蒸發溫度;負壓蒸發器(14)內溫度為85-95℃,優選90℃;真空系統(18)還與二級預熱器(10)連接,使二級預熱器(10)保持負壓。
根據本發明的較佳實施例,負壓蒸發器(14)連接蒸汽壓縮機(13),經過二級預熱器(10)預熱的冷凍結晶母液進入到負壓蒸發器(14)被閃蒸并產生二次蒸汽,二次蒸汽經蒸汽壓縮機(13)壓縮提溫后進入二級預熱器(10)對冷凍結晶母液進行預熱,其溫度降低并從二級預熱器(10)出來所產生的高溫凝水通入一級預熱器(9)中對冷凍結晶母液進行一級預熱,從一級預熱器(9)出來后溫度進一步降低,產生冷凝淡水,冷凝淡水進入第二冷凝淡水罐(11)儲存以產生淡水;其中,通入二級預熱器(10)的二次蒸汽的量是通入二級預熱器(10)的初始熱蒸汽的1-100倍。
根據本發明的較佳實施例,所述蒸發結晶單元(2)還包括稠厚器(15),所述冷凍結晶母液在負壓蒸發器(14)中進行負壓蒸發結晶,產生含有結晶的固液混合物進入稠厚器(15)中進行含固率的調整,隨后再進入第二離心機(16)離心分離。
根據本發明的較佳實施例,第二離心機(16)產生的離心母液進入第二母液罐(17)暫存,暫存的離心母液回流至二級預熱器(10)與來自一級預熱器(9)的冷凍結晶母液一起被預熱并進入負壓蒸發器(14)中進行蒸發結晶。
根據本發明的較佳實施例,所述蒸發結晶單元(2)還包括循環泵(12),其設于負壓蒸發器(14)與二級預熱器(10)之間,循環泵(12)用于將負壓蒸發器(14)中的冷凍結晶母液循環泵入二級預熱器(10)中,與來自一級預熱器(9)的冷凍結晶母液一起被預熱并進入負壓蒸發器(14)中進行循環蒸發結晶。
根據本發明的較佳實施例,所述產品制備單元(3)包括袋裝機(20);第二離心機(16)離心分離產生的硫酸鈉結晶與第一離心機(6)產生的硫酸鈉結晶經干燥機(7)干燥后,由袋裝機(20)對干燥產生的硫酸鈉產品進行封裝。
根據本發明的較佳實施例,所述零排放系統還包括預處理及減量化濃縮處理裝置,用于對硫酸鈉廢水進行預處理和濃縮減量化后產生高濃度硫酸鈉廢水,高濃度硫酸鈉廢水依次通過所述冷卻結晶單元(1)和蒸發結晶單元(2)進行兩級結晶和固液分離處理;所述高濃度硫酸鈉廢水的質量濃度為5-8%。
根據本發明的較佳實施例,所述預處理及減量化濃縮處理裝置包括微濾、超濾、納濾、反滲透中的一種或幾種的組合。
第一方面,本發明提供一種處理硫酸鈉廢水的零排放方法,其包括:
S1、對含硫酸鈉溶液進行預處理和濃縮減量化處理,得到高濃度硫酸鈉廢水;
S2、用冷凍結晶器對高濃度硫酸鈉廢水處理產生含有結晶的固液混合物,離心得到硫酸鈉結晶和冷凍結晶母液;硫酸鈉結晶烘干得到硫酸鈉產品;其中一部分冷凍結晶母液回流到冷凍結晶器中循環被冷凍結晶;
S3、另一部分冷凍結晶母液依次被一級預熱器和二級預熱器預加熱后,進入負壓蒸發器中蒸發產生含有結晶的固液混合物,離心得到硫酸鈉結晶和離心母液,硫酸鈉結晶烘干得到硫酸鈉產品;二級預熱的溫度高于一級預熱;
負壓蒸發器穩定運行前,二級預熱器最初由外源的初始加熱蒸汽提供熱源,初始加熱蒸汽輸入二級預熱器中對冷凍結晶母液進行二級預熱,初始加熱蒸汽溫度降低后產生的高溫凝水進入一級預熱器對冷凍結晶母液進行一級預熱,高溫凝水從一級預熱器出來后產生冷凝淡水;負壓蒸發器穩定運行后,二級預熱器的加熱熱源由負壓蒸發器提供:冷凍結晶母液經二級預熱器加熱后進入負壓蒸發器被蒸發以產生二次蒸汽,二次蒸汽被壓縮提溫后作為熱源循環輸入二級預熱器,二次蒸汽從二級預熱器出來后溫度降低并產生高溫凝水,其進入一級預熱器對冷凍結晶母液進行一級預熱,最后從一級預熱器出來變成冷凝淡水。
由于冷凍結晶排出的冷凍結晶母液的溫度很低,進入一級預熱器和二級預熱器后,可以吸收負壓蒸發器所產生的二次蒸汽的熱量,因此無需再外界額外輸入冷卻水對負壓蒸發器產生的蒸汽進行冷卻,節省了輸入冷卻水所需的能耗和水耗。
(三)有益效果
本發明的技術效果包括:
(1)通過先對高濃度硫酸鈉廢水(5-8%)進行冷凍結晶,后蒸發結晶,可提高硫酸鈉和淡水的回收率,大幅減小后續蒸發結晶的裝置處理規模,整個零排放系統總能耗可降低40%以上。
(2)冷凍結晶單元排出的母液溫度很低,足夠冷凝蒸發結晶的蒸汽熱能,無需外界額外輸入冷卻水,同時節約了冷卻水輸入所產生的泵能耗和水耗。
(3)冷凍結晶單元的采用CO2制冷機提供冷源,CO2是安全、經濟和環保的“自然”制冷劑,制冷能力大,可以減小壓縮機尺寸,系統高效緊湊,占地面積小。
(4)本發明的系統中,負壓蒸發器穩定運行前,二級預熱器最初由外源的初始加熱蒸汽提供熱源,初始加熱蒸汽作為熱源輸入二級預熱器中對冷凍結晶母液進行二級預熱,初始加熱蒸汽溫度降低后產生的高溫凝水進入一級預熱器對冷凍結晶母液進行一級預熱,高溫凝水從一級預熱器出來后產生冷凝淡水;當負壓蒸發器穩定運行起來后,二級預熱器的加熱熱源由負壓蒸發器所提供:冷凍結晶母液經二級預熱器加熱后進入負壓蒸發器中被蒸發產生二次蒸汽,二次蒸汽被蒸汽壓縮機壓縮提溫后作為熱源循環輸入二級預熱器中,二次蒸汽從二級預熱器出來后溫度降低并產生高溫凝水,其進入一級預熱器對冷凍結晶母液進行一級預熱,高溫凝水從一級預熱器出來后產生冷凝淡水。本發明的系統可對熱量進行充分回收利用,并從冷凍結晶母液中回收大量淡水。
(發明人:張信榮;齊春華;劉佳;鄭秋云)






