申請日2015.08.20
公開(公告)日2015.12.30
IPC分類號F17D1/08; B08B13/00; H01L21/67; F17D3/01
摘要
本發明涉及工業廢液的分類排放技術領域,具體涉及一種晶圓清洗設備廢水的排放系統及其應用。該系統包括多組提供清洗液的供液管路和與每組的供液管路對應的排放清洗廢液的排放管路,在每條的供液管路上設置有供液氣動開關閥,在每條的排放管上設置有排放氣動開關閥,系統還包括輸出開關信號的控制裝置、由控制裝置控制的供液電磁閥和由控制裝置控制的排放電磁閥,供液電磁閥連接各個的供液氣動開關閥,排放電磁閥連接各個的排放氣動開關閥,系統還包括多條廢液收集槽。通過本發明所提供的系統,可以對廢液的排放進行切換,達到廢液的分類排放效果,降低廢液排放和回收的處理成本,提高回收化學品的品質和回收量,并有利于環保。
權利要求書
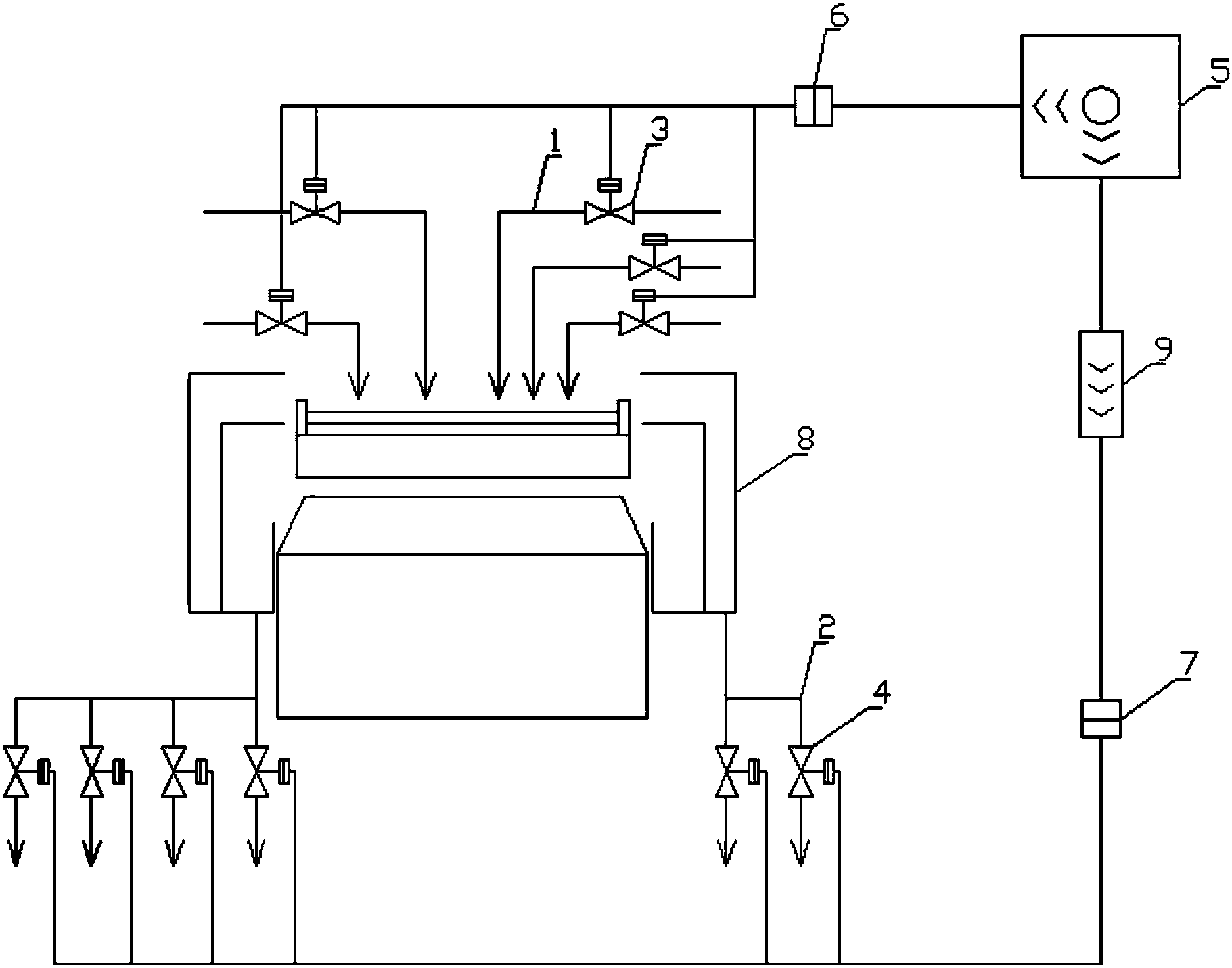
1.一種晶圓清洗設備廢水的排放系統,其特征在于:系統包括多條提供 清洗液的供液管路(1)和與每條所述的供液管路(1)一一對應的排放清洗 廢液的排放管路(2),在每條所述的供液管路(1)上設置有供液氣動開關 閥(3),在每條所述的排放管路(2)上設置有排放氣動開關閥(4),系統 還包括輸出開關信號的控制裝置(5)、由所述控制裝置(5)控制的供液電 磁閥(6)和由所述控制裝置(5)控制的排放電磁閥(7),所述供液電磁閥 (6)連接各個所述的供液氣動開關閥(3),所述排放電磁閥(7)連接各個 所述的排放氣動開關閥(4),系統還包括多條廢液收集槽(8),每條所述的 廢液收集槽(8)將一組相互對應的供液管路(1)和排放管路(2)連通, 或者,每條所述的廢液收集槽(8)將多組相互對應的供液管路(1)和排放 管路(2)連通。
2.根據權利要求1所述的晶圓清洗設備廢水的排放系統,其特征在于: 在所述控制裝置(5)和所述排放電磁閥(7)之間設置有延時器(9)。
3.根據權利要求2所述的晶圓清洗設備廢水的排放系統,其特征在于: 在所述控制裝置(5)向所述供液電磁閥(6)和所述排放電磁閥(7)發出 關閉信號后,所述延時器(9)將所述關閉信號延時3~10s后傳遞給所述排 放電磁閥(7)。
4.根據權利要求3任一所述的晶圓清洗設備廢水的排放系統,其特征在 于:各組相互對應的供液管路(1)和排放管路(2)分別進行不同種類清洗 液的清洗。
5.根據權利要求1至4任一所述的晶圓清洗設備廢水的排放系統,其特 征在于:當某條所述的廢液收集槽(8)將多組相互對應的供液管路(1)和 排放管路(2)連通時,所述控制裝置(5)在控制一組相互對應的供液管路 (1)和排放管路(2)工作完后,再控制另一組相互對應的供液管路(1) 和排放管路(2)工作。
6.一種根據權利要求1至5任一所述的晶圓清洗設備廢水的排放系統的 應用,其特征在于:用于單片晶圓清洗設備廢水的排放。
說明書
一種晶圓清洗設備廢水的排放系統及其應用
技術領域
本發明涉及工業廢液的分類排放技術領域,具體涉及一種晶圓清洗設備 廢水的排放系統及其應用。
背景技術
在WET單片晶圓清洗過程中,會用到多種化學品,并產生相應的清洗 廢液。多種廢液目前一般采用混合排放,或者在硬件設計上,對廢液做簡單 的酸堿排放分類,然后直接排放。這種排放方式會影響廠務廢液處理的難度 和成本,以及降低可回收化學品和水的品質和回收量。對廢液的分類排放或 回收能夠有效的降低成本和利于環保。
目前,在單片清洗制程中,最常用的制程為PRS和RCA,會有SC1, SC2,SPM、HF、IPA和DI等多種廢液排放。當前的對廢液排放分類不足, 或者沒有分類,造成廠務廢液處理的困難和成本增加。
以RCAchamber為例,會用到SC1(NH4OH、H2O2、H2O混合物),SC2 (HCl、H2O2、H2O混合物),HF、IPA和DI。一般使用硬件切換對IPA和 其他化學品分類排放。但由于硬件設計的空間,成本,控制可行度等限制, 很難對所有化學品全部做分類處理。
發明內容
為解決現有技術的不足,本發明提供了一種晶圓清洗設備廢水的排放系 統及其應用。
一種晶圓清洗設備廢水的排放系統,系統包括多組提供清洗液的供液管 路和與每組所述的供液管路對應的排放清洗廢液的排放管路,在每條所述的 供液管路上設置有供液氣動開關閥,在每條所述的排放管上設置有排放氣動 開關閥,系統還包括輸出開關信號的控制裝置、由所述控制裝置控制的供液 電磁閥和由所述控制裝置控制的排放電磁閥,所述供液電磁閥連接各個所述 的供液氣動開關閥,所述排放電磁閥連接各個所述的排放氣動開關閥,系統 還包括多條廢液收集槽,每條所述的廢液收集槽將一組相互對應的供液管路 和排放管路連通,或者,每條所述的廢液收集槽將多組相互對應的供液管路 和排放管路連通。
優選的,在所述控制裝置和所述排放電磁閥之間設置有延時器。
延時器可以通過供應開關的信號,延遲后來控制廢液的排放開關。延時 器的時間設定由具體管路長度決定。
優選的,在所述控制裝置向所述供液電磁閥和所述排放電磁閥發出關閉 信號后,所述延時器將所述關閉信號延時3~10s后傳遞給所述排放電磁閥。
優選的,各組相互對應的供液管路和排放管路分別進行不同種類清洗液 的清洗。
優選的,當某條所述的廢液收集槽將多組相互對應的供液管路和排放管 路連通時,所述控制裝置在控制一組相互對應的供液管路和排放管路工作完 后,再控制另一組相互對應的供液管路和排放管路工作。
本發明還提供了一種所述的晶圓清洗設備廢水的排放系統的應用,用于 單片晶圓清洗設備廢水的排放。
有益效果
通過本發明所提供的晶圓清洗設備廢水的排放系統,可以對廢液的排放 進行切換,達到廢液的分類排放效果,降低廢液排放和回收的處理成本,提 高回收化學品的品質和回收量,并有利于環保。







