經濟的進步推動了工業化生產,在采礦、機械制造、冶金等行業產生了大量被污染的廢水,這些廢水的組成成分復雜,甚至含有重金屬劇毒,帶來不可逆轉的傷害。因此,需要研究解決工業廢水污染的工藝,避免工業廢水排放帶來的環境惡化。
常見的廢水處理方法主要是向廢水中加入某些沉淀劑,促進廢水中的重金屬離子沉淀,達到廢水處理的目的,但這種方法容易在廢水中產生多種化學反應,甚至會形成新的毒物,污染廢水,效果也比較差,因此,本文以酸性重金屬廢水為研究對象,提出了電滲析工藝,實現去除重金屬的同時回收酸。這種方法可以減少污染,避免污水處理過程中產生有毒物質,污染環境,因此,本文在電滲析工藝的基礎上,研究了冶金企業排放重金屬元素廢水的處理工藝,為保護環境,實現污水治理作貢獻。
1、試驗材料與方法
1.1 試驗水質
選取某冶金企業流量為30m3/h的酸性重金屬廢水,分析該酸性廢水的水質報告,模擬其水質,進行冶金企業重金屬廢水處理工藝試驗。
1.2 試驗藥劑與儀器
根據水質分析結果,剔除酸性重金屬廢水的屬性,設計了試驗藥劑,部分主要試驗藥劑如下表1所示。

根據表1的試驗藥劑選取試驗設備與儀器,包括恒溫保溫箱、天平、電滲析設備、光度計、水泵等。
JRBP3010-II型電滲析機的隔板厚度為0.85mm,隔板上有布水孔、布水槽起到流通渠道的作用。測試過程中使用均勻的離子交換膜,立柱區是由支撐杠桿、循環電極、彈性裝置組成,共同形成負極通道。
夾緊裝置將電極、膜堆和隔膜連接在一起,來防止內外部泄漏。此外,在電滲析測試過程中必須調整整流器控制電壓或電流。電極材料的選型。在電解過程中,電解產物和反應速率都受電極材料的影響。本文設計工藝選取電極作為反應電極,增加電解速率,保證電解穩定。
1.3 試驗方法
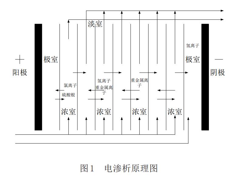
在電滲析中,首先需要利用離子交換選擇法,選取符合電滲析要求的交換膜,分離多價陽離子,其次使用真空膜蒸餾法,濃縮回收原液,最后使用實驗分析測定法,檢測廢水中各個離子的濃度。在電場力的作用下單價選擇的陽離子通過交換膜可以進入到濃水室,其他離子被留在淡水室,該方法的電滲析原理圖如下圖1所示。

由圖1可知,在電滲析試驗之前,必須確保電源處于關閉狀態,除此之外還需要檢查磁泵開關和每個管道閥門。在密閉的前提下,將去離子水放入圓柱形有機玻璃罐中,啟動機器,利用電滲析儀器,檢查儀器側面是否封閉完整,如果存在泄漏,立即關閉發動裝置,將電滲析儀器中的水排出避免儀器損壞。
在電滲析儀器中劃分各個滲析室,分為淡室、濃室等,確定滲析膜兩側離子的傳輸狀態,根據滲析液的濃度依次進行滲析,設置滲析空間后,需要在各個空間內加入不同濃度的去離子水,將去離子水兩側的磁力泵打開,設定參數,保持整個滲析裝置處于勻速滲析狀態,待滲析儲液槽滿后,開啟放液整流器。放液器的電壓必須始終保持穩定,除此之外,相關的參數也必須與電滲析儀器一一對應。除此之外,實驗的時間需要嚴格把控,確保取樣時間與計時時間吻合,在實驗中最符合電滲析要求的參數即電滲析效率最高時的參數,記錄此時的具體參數值,完成滲析。滲析完成后,需要進行裝置處理,清洗各個裝置,統一歸類,關閉滲析閥門,計算此時廢液各個元素的組分。
進行廢液蒸餾回收,需要使用真空膜,除此之外,在蒸餾前應檢查各管的連接情況,檢查有無泄漏問題,確認無問題后,開始試驗,在試驗過程中,首先需要將浴槽調整到指定的溫度,然后啟動蒸餾回收設備,開始進行蒸餾循環,在循環過程中,為了保證蒸餾效率,需要調節蒸餾速度,保證蒸餾速度,蒸餾后用產品收集器收集廢水進行含量測量,每隔2小時檢測一次。再清洗水箱等裝置,待中空纖維膜干燥后再使用,然后根據采集的樣本進行相關分析和計算。
電解試驗前,由于純水具有特殊的物理性質,因此需要靜置后才能進行后續試驗。靜置時間一般保持在30分鐘左右,觀察純水的狀態,達到符合標準后即可開始試驗。實驗還需要在保證裝置穩定的前提下進行。試驗初期,將靜置好的原水放入電解裝置中,啟動電解裝置,觀察此時電解裝置電壓的變化狀態,將電接點呀調整到指定的范圍,一段時間后即可進行樣品采集。每隔三十分鐘采集一次,保證樣品的平均狀態,在樣品檢測值符合標準后即可停止電解,恢復電解裝置的原本狀態,清洗用到的儀器,計算分析此時樣品的組成成分,確保實驗的準確性。
2、試驗結果
電滲析設備在運行過程中,往往需要增加運行電流強度,以提高工作效率。但是,如果工作電流過大,會發生膜堆的極化,污染電阻,產生巨大能耗。為避免這種問題出現,通常在啟動電滲析機前測量極限電流密度,以確保電滲析機的正常運行。影響運行電流的因素有很多,但最重要的因素是膜本身的性質差異。在試驗條件下使用電滲析法測定此時的重金屬離子脫除狀態,實驗結果如下圖2所示。

由圖2可知,隨著時間的增加,膜的選擇透過性下降,廢水中的重金屬離子逐漸被脫除,證明該方法的重金屬離子處理效果較好。當電流較小時,電壓主要呈上升狀態,但隨著電流的增加,電壓增加的速度降低,此時的離子交換膜存在單項選擇狀態,具有反離子作用力,經過檢測發現此時的電場強度最低。
隨著離子通過膜的速率增加,電壓增加的速度也越來越快,因此需要更大的電阻來維持穩定。隨著電流增加,電場強度也增加,此時的例子具有高通過特性。擴散透析機有40片陰離子交換膜,每片膜兩側各有兩個隔室,擴散室和透析室,交替排列。在試驗過程中使用了TWDDAIII陰離子交換膜。試驗結果表明,酸性重金屬廢水酸度為5%時,循環酸度與殘液出水流量之比為1:1。考慮到此次測試中使用的交換膜數量,根據試驗中用到的膜類型,計算每一張離子交換膜的面積,經過計算證明,試驗使用的交換膜的膜面積為傳統技術的0.153倍,因此試驗使用的膜的擴散速率大,約為常規膜的0.077倍,本實驗最佳條件下對重金屬具有較強的阻滯作用。因此,采用電滲析工藝處理冶金企業排放的重金屬廢水可以節約膜材料,減少浪費。除此之外,電滲析工藝需要供電,因此處理成本稍高。
3、結論
采用電滲析法處理冶金企業排放的重金屬廢水具有一定的應用價值,可以節約膜材料,處理效果較好。目前,單價選擇性離子交換膜應用不廣泛,市場上生產廠家相對較少,導致單價選擇性離子交換膜成本較高。因此,為提高電滲析分離重金屬的經濟可行性和實用性,降低成本,未來可考慮自行研制單價選擇性離子交換膜。采用真空膜蒸餾濃縮回收液仍存在處理成本高等問題,未來研究可能會找到更好的處理方法。因此,在進行冶金企業排放重金屬元素廢水處理時,需要積極創新找到更有效的處理方法。
4、結語
綜上所述,經濟發展如火如荼的今天,不僅要注意工業的發展,還需要注意環境與經濟的協調發展,研究重金屬廢水處理工藝對保護環境實現共同發展有重要意義,因此本文采用了電滲析工藝進行重金屬污水處理,結果表明,該方法可以有效處理冶金企業排放的重金屬元素,有一定的應用價值。(來源:河鋼股份有限公司承德分公司,河北省釩鈦工程技術研究中心)



