申請日2015.10.19
公開(公告)日2016.03.30
IPC分類號C02F1/24; C02F1/40
摘要
本實用新型公開了一種三元復合驅含油污水處理裝置,它包含立式氣浮筒、溶氣液連接管道、均布管圈、長纖維、錐形體、導流板、漩渦穩定器、溶氣泵和回氣管線;所述立式氣浮筒設有若干污水進口與環管,若干環管與設置在立式氣浮筒內的對應切向噴嘴相連,所述立式氣浮筒還設有氣體出口、凈水出口;一個錐流體與氣浮筒上部構成浮油收集空間并設有浮油出口,立式氣浮筒內底部設有凈水導流板、漩渦穩定器、均布管圈,該均布管圈通過調節閥與溶氣泵相連,溶氣泵還與循環凈水出口和回氣管線相連。本實用新型可以解決傳統的氣浮污水處理裝置存在的除油除污效率低、適用范圍有限、結構復雜、工作可靠性低、維護費用高等技術問題。
權利要求書
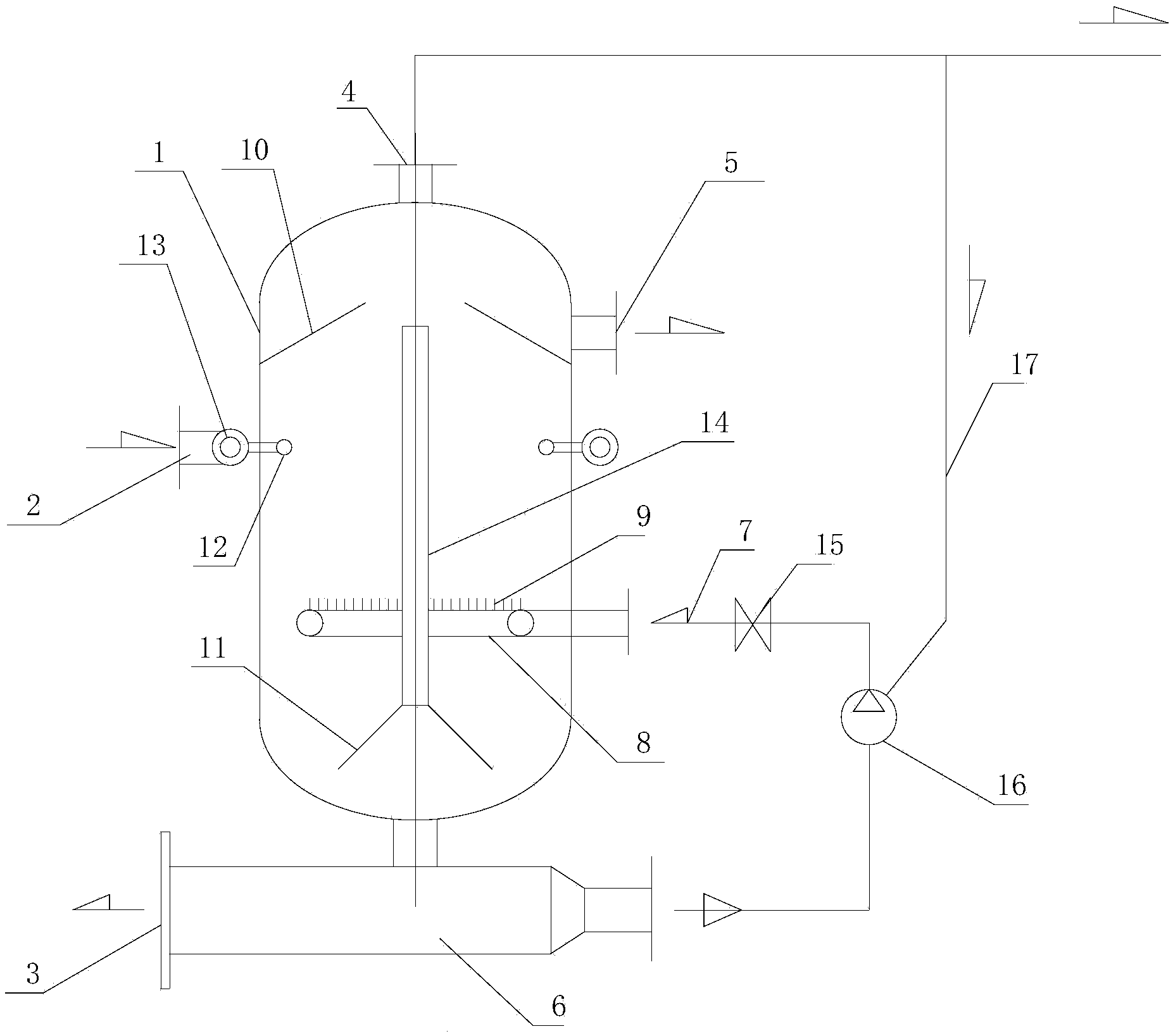
1.一種三元復合驅含油污水處理裝置,它包含立式氣浮筒(1)、溶氣液連接管道(7)、均布管圈(8)、長纖維(9)、錐形體(10)、導流板(11)、漩渦穩定器(14)、溶氣泵(16)和回氣管線(17);所述立式氣浮筒(1)的側面中上部設有若干污水進口(2)與環管(13),若干環管(13)與設置在立式氣浮筒(1)內的對應切向噴嘴(12)相連,所述立式氣浮筒(1)頂部設有氣體出口(4),底部有一個凈水出口(3)和通向溶氣式氣泡發生器的循環凈水出口(6)相連;在立式氣浮筒(1)內的上部設置一中部具有通道的錐形體(10),錐流體與氣浮筒上部構成浮油收集空間;浮油收集空間底部的立式氣浮筒(1)側壁設有浮油出口(5),立式氣浮筒(1)內底部設有一個凈水導流板(11)和安裝在立式氣浮筒(1)中心線上的漩渦穩定器(14);立式氣浮筒(1)內的下部還有一個環形微氣泡均布管圈(8),該均布管圈(8)與溶氣液連接管道(7)相連,在均布管圈(8)周向均布開有若干小孔,表面安置長纖維(9)構成微氣泡均布環管裝置;溶氣液連接管道(7)通過調節閥(15)連接著溶氣泵(16),溶氣泵(16)還與循環凈水出口(6)和回氣管線(17)相連。
說明書
一種三元復合驅含油污水處理裝置
技術領域
本實用新型屬于油田生產設備技術領域,它具體涉及溶氣式含油污水處理裝置的結構。
背景技術
在原油的生產過程中,特別是在原油生產的中后期,產液中的含水率會大大提高,通常會達到產液流量的80%-90%以上,為了提高采收率,大慶、勝利及海上油田陸續采用三元復合驅技術,利用聚合物+堿+表面活性劑從油藏中將油進行提收。其采收液是一種復雜的油水體系,乳化嚴重,油水難以自然沉降分離,其污水中油滴粒徑小,其中小于10微米占90%以上,油滴粒徑中值一般為3-6微米。目前大慶油田采用的是以“波紋板一次除油裝置+氣浮選二次除油+核桃殼過濾器或雙介質過濾器三次除油”污水處理工藝,將分離出來的水相進行處理,達到一定的水質指標后,進行回注。以上工藝關鍵技術為氣浮選。
氣浮選污水處理工作原理:在含油污水中引入或釋放大量微小氣泡,這些微小氣泡在上浮過程中捕捉并粘附在細小油珠和帶油雜質顆粒上,加速油珠和帶油雜質顆粒在污水中的上浮,聚集在液面上的油污由撇油器進行回收。通過氣浮處理可大提高含油污水除油效率。氣浮裝置有水力機械式和溶氣泵式。
1、水力和機械引氣式裝置產生的氣泡尺寸均偏大,一般在100-400微米之間,除油效率低,一般在60-70%左右;水力引氣式凈水回流量較大,需要停機調試;機械引氣式氣浮裝置因具有轉動部件,可靠性較低,維護費用較高。
2、溶氣式氣浮裝置所產生的氣泡尺寸很小,一般在40~70微米之間,除油效率較高,再配合上適當的化學藥劑后,單級除油效率可高達80~90%,因而溶氣式氣浮技術近年來在三次采油污水處理中得到廣泛的應用。
目前現有的溶氣式氣浮裝置的本體一般為水平布置的箱式結構,含油污水在這種臥式氣浮容器內僅做簡單的橫向、上升或下降緩慢平流,微小油珠和帶油微粒與微氣泡碰撞的機率上沒有極大化,存在死角,不能有效利用氣浮容器的所有空間;所收油品含水率偏大。因而,溶氣式氣浮裝置的結構設計有待于進一步優化。
發明內容
本實用新型的目的是提供一種三元復合驅含油污水處理裝置,以解決傳統的氣浮污水處理裝置存在的除油除污效率低、適用范圍有限、結構復雜、工作可靠性低、維護費用高等技術問題。
一種三元復合驅含油污水處理裝置,它包含立式氣浮筒(1)、溶氣液連接管道(7)、均布管圈(8)、長纖維(9)、錐形體(10)、導流板(11)、漩渦穩定器(14)、溶氣泵(16)和回氣管線(17);所述立式氣浮筒(1)的側面中上部設有若干污水進口(2)與環管(13),若干環管(13)與設置在立式氣浮筒(1)內的對應切向噴嘴(12)相連,所述立式氣浮筒(1)頂部設有氣體出口(4),底部有一個凈水出口(3)和通向溶氣式氣泡發生器的循環凈水出口(6)相連;在立式氣浮筒(1)內的上部設置一中部具有通道的錐形體(10),錐流體與氣浮筒上部構成浮油收集空間;浮油收集空間底部的立式氣浮筒(1)側壁設有浮油出口(5),立式氣浮筒(1)內底部設有一個凈水導流板(11)和安裝在立式氣浮筒(1)中心線上的漩渦穩定器(14);立式氣浮筒(1)內的下部還有一個環形微氣泡均布管圈(8),該均布管圈(8)與溶氣液連接管道(7)相連,在均布管圈(8)周向均布開有若干小孔,表面安置長纖維(9)構成微氣泡均布環管裝置;溶氣液連接管道(7)通過調節閥(15)連接著溶氣泵(16),溶氣泵(16)還與循環凈水出口(6)和回氣管線(17)相連。
本使用新型具有如下的優點:①氣浮氣泡在40~70微米之間,數量多;②含有微氣泡污水在緩慢轉動,增加更多的油珠與氣泡的碰撞機會,大大地提高除油的效率,無死角;③適用范圍廣,特別適用于含三元注聚油和微細懸浮顆粒的污水處理;④結構緊湊,重量輕,占地面積小;⑤工作可靠,操作簡單,維護費用低。







