自2002年以來,我國光伏光電行業發展迅速,尤以晶體硅太陽能電池板的發展最為成熟。在晶體硅太陽能電池板生產過程中,由于氫氟酸、硝酸等化學品的大量使用,從而產生高濃度含氟含氮生產廢水。
本項目位于江蘇省某經濟開發區光伏產業園內,生產系統屬于黑硅生產工藝,其產出廢水在硅太陽能電池板行業廢水中具有一定的代表性。
1、項目概況
1.1 原水水質水量情況
原水分為3大類:廢氣塔排水、強酸廢水及綜合廢水。其中,綜合廢水是原水的主體,由一般酸堿廢水、有機物含量極低廢水、無機含氟廢水等混合而成。上述3類廢水的預估水量、水質情況見表1。

1.2 設計規模與進出水水質
本項目原水分類收集,但未分質處理,表1中3類廢水在調節池均值、均量后一并進入后續處理系統。由于原水的預估水量已經考慮了富余度,本項目設計進水量按表1中水量取值,即2545m3/d。
根據表1中的預估水質,結合類似項目實際運行數據,同時兼顧經濟性,確定進水設計水質:pH=1、CODCr≤800mg/L、氟化物(以F計)≤1500mg/L、NH3-N≤50mg/L、TN≤525mg/L。
設計出水水質執行業主要求的考核標準,即優于《電池工業污染物排放標準》(GB30484—2013)表2間接排放標準限值20%,見表2。

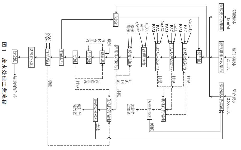
1.3 工藝流程
本項目處理工藝流程見圖1。

2、工藝論證
2.1 水質特點
廢氣塔排水、強酸廢水水量小,與綜合廢水性質較接近,本項目將其分類收集后與綜合廢水混合后一起處理,混合后的廢水特點:(1)氟離子含量高;(2)有機物濃度偏低,不含二乙二醇丁醚,B/C小于0.3;(3)含氮量高,且以硝態氮為主;(4)營養物不均衡,C/N/P比例失衡,碳源、磷源不足;(5)pH低;(6)廢水種類較多,且水質存在一定的波動性。
2.2 工藝論證與選擇
根據廢水特點,對其主體處理工藝進行了論證與選擇。
(1)原水種類較多,宜分類收集。另外,設置調節池、應急池,以應對廢水水質的波動及突發情況。對于強酸廢水,其中HF、HNO3濃度高,且易揮發,單獨預處理難度較大,本項目考慮將其緩慢輸送至調節池稀釋后處理。
(2)脫氮、除氟、控制pH為本項目重點,總體上需采用預處理、二級生物處理、深度處理相結合的工藝。
(3)預處理單元。
預處理單元主要作用是除氟、控制pH。
硅太陽能電池板工業廢水處理方法主要有化學沉淀法、混凝沉淀法、吸附法、離子交換法、反滲透法、電凝聚等多種方法。化學沉淀法原理是利用廢水中的F與Ca2+反應生成CaF2沉淀而除去氟離子,通常采用兩段式,一段通過投加石灰,可將氟離子降至20mg/L以下,二段投氯化鈣,可將氟離子降至10mg/L以下,如果結合鐵鹽或鋁鹽等混凝劑,除氟效果更好。化學沉淀法適用于氟離子濃度高的廢水處理,具有簡單、方便、運行及投資成本低廉、效果好的特點,應用廣泛。混凝沉淀法常用鋁鹽或鐵鹽除氟,一般適用于低濃度含氟廢水的處理。吸附法常應用于處理含氟量低、水量較小的場合。離子交換法、反滲透法、電凝聚法等存在投資或運行成本高昂,對污水水質要求苛刻等問題,都不經常使用或不大規模使用。
除氟系統出水鈣離子過剩,為防止過量鈣離子造成后續反應器內鈣的沉積而影響處理效率和運營維護,需設置除鈣系統。
綜上分析,預處理采用“一級化學除氟+二級化學除氟+化學除鈣”的反應沉淀工藝。
本項目將化學除鈣過程中的沉淀污泥回流至第一級除氟反應區,以節省石灰投加量、減少物化污泥產量。
(4)采用二級生物處理單元。
生化處理單元主要作用是脫氮、除碳。
本項目生化條件惡劣。較其他光伏行業廢水而言,本項目原水中CODCr偏低,且可生化性差,而總氮很高,C/N不足2,碳源嚴重缺乏;受生產工藝的影響,原水幾乎不含磷。為保證微生物生長需要,需額外補充碳源、磷源。
進水條件波動或環境變化時,生化處理系統是最容易受沖擊的單元。本項目生化處理工藝采用分段設計,以增加對微生物的選擇性,提高碳源利用率,增強生化系統抗沖擊的能力。
本項目采用兩級A/O工藝的變形工藝,即一級A段(反硝化池+反硝化沉淀池)+二級A/O段(缺氧池+好氧池+二沉池)。
化學除鈣后出水由于pH較高(8以上),在進入生化系統前,需將其pH調至6.5~7后進入反硝化池。
冬季為保證生化系統的處理效果,在pH調整池設置蒸汽加熱裝置,對進水進行預熱,保證冬季生化運行溫度不得低于20℃。另外,生化系統需不定期(主要在冬季)補充新泥,以維持系統污泥活性。
(5)深度處理單元。
本項目出水對CODCr指標要求較高,生化處理系統出水難以達標,需深度處理。生化系統殘余的CODCr主要為TMAOH(四甲基氫氧化銨)及其衍生物,可被氧化。為節省占地面積、減少污泥量,深度處理系統采用“氣浮+臭氧氧化”工藝。氣浮系統是對臭氧單元進水的預處理,降低SS、CODCr的同時具有一定的除氟作用。臭氧氧化單元可將水中的CODCr氧化分解,操作便捷,不產生污泥。
(6)污泥處理單元。
物化污泥、生化污泥分別脫水。設計脫水效果:物化污泥脫水后含水率≤60%,生化污泥脫水后含水率≤80%。其中生化污泥采用儲存+調理(陽離子PAM)+疊螺式污泥脫水機方式處理;物化污泥采用儲存+高壓板框壓濾脫水機方式處理。脫水后污泥外運處置,濾液排入系統二次處理。各單元對主要污染物的設計去除率見表3。

3、主要工藝單元設計參數
3.1 調節池、應急池
調節池、應急池皆按1個系列設計,鋼砼結構,池內壁FRP防腐。調節池尺寸17.4m×10m×6m,有效水深5.5m,HRT約9h;應急池尺寸12m×9m×7m,有效水深6m,HRT約6.1h。
3.2 反應沉淀池
一級反應沉淀池、二級反應沉淀池、三級反應沉淀池皆按1個系列設計,鋼砼結構,包括反應區和沉淀區,其中一級反應沉淀池、二級反應沉淀池內壁FRP防腐。
一級反應沉淀池反應區設置4格,單格尺寸2.2m×2.6m×4.5m,有效水深4.2m,HRT約0.9h;沉淀區采用輻流沉淀池,池體尺寸11.3m×11.3m×4.5m,池邊水深3.85m,表面負荷0.83m3/(m2·h)。Ca(OH)2投加質量濃度2.5~3.5g/L;PAC投加質量濃度150~300mg/L;PAM投加質量濃度4~5mg/L。
二級反應沉淀池反應區設置3格,單格尺寸3.3m×3m×4.5m,有效水深2.9m,HRT約0.81h;沉淀區采用輻流沉淀池,池體尺寸10.5m×10.5m×4.5m,池邊水深3.55m,表面負荷0.96m3/(m2·h)。CaCl2投加質量濃度400~800mg/L;PAC投加質量濃度100~200mg/L;PAM投加質量濃度3~4mg/L。
三級反應沉淀池反應區設置3格,單格尺寸3.3m×3m×4.5m,有效水深2.6m,HRT約0.73h;沉淀區采用輻流沉淀池,池體尺寸10.5m×10.5m×4.5m,池邊水深3.25m,表面負荷0.96m3/(m2·h)。Na2CO3投加質量濃度200~500mg/L;PAC投加質量濃度50~100mg/L;PAM投加質量濃度2~3mg/L。
3.3 pH調整池
pH調整池按1個系列設計,鋼砼結構,池內壁FRP防腐。池體尺寸2.6m×10.8m×7m,最大水深5m,HRT約1.3h。H2SO4投加質量濃度50~150mg/L。
3.4 反硝化池、反硝化沉淀池
反硝化池、反硝化沉淀池皆按1個系列設計,鋼砼結構。池體尺寸37m×10.8m×7m,有效水深6.6m,有效容積約2637m3,HRT約24.9h。設計污泥質量濃度6000mg/L,設計水溫20℃,設計反硝化速率為0.045kg/(kg·d),污泥回流比控制在100%內。
整個生化系統碳源(葡萄糖)投加質量濃度500~800mg/L,反硝化池、缺氧池根據實際運行情況合理調配投加量。在反硝化池投加磷源(磷酸二氫鉀),投加質量濃度15mg/L。
反硝化沉淀池采用輻流沉淀池,池體尺寸12m×12m×7m,池邊水深6.3m,表面負荷0.74m3/(m·2h)。
3.5 缺氧池、好氧池、二沉池
缺氧池、好氧池、二沉池皆按1個系列設計,鋼砼結構。
缺氧池設計尺寸8.8m×19.8m×7m,有效水深6.3m,有效容積約1098m3,HRT約10.4h。
好氧池,池型不規則,有效水深6.3m,有效容積約3124m3,HRT約29.4h。設計污泥質量濃度5000mg/L,設計水溫20℃,設計反硝化速率為0.035kg/(kg·d),硝化負荷率0.024kg/(kg·d),硝化液回流比控制在150%內,污泥回流比控制在100%內。
二沉池采用輻流沉淀池,池體尺寸12m×12m×7m,池邊水深6m,表面負荷0.74m3/(m2·h)。
3.6 中間水池
中間水池按1個系列設計,鋼砼結構。池體尺寸4.2m×4.3m×7m,最大水深6m,HRT約1h。
3.7 氣浮系統
氣浮系統是槽式反應段、溶氣氣浮器及加藥、排渣系統的組合設備,1套,設計處理能力120m3/h,絮凝氣浮器主體采用碳鋼防腐材質。PAC投加質量濃度20~50mg/L,PAM投加質量濃度1~3mg/L。
3.8 臭氧氧化池、放流池
臭氧氧化池、放流池皆按1個系列設計,鋼砼結構,尺寸皆為3.6m×4.3m×7m,有效6m,HRT約0.67h。單位CODCr臭氧耗量1~1.5g/g。
3.9 污泥濃縮、脫水系統
氣浮浮渣、反硝化沉淀池排泥、二沉池排泥等歸類于生化污泥,一級、二級、三級反應沉淀池排泥歸類于物化污泥,這兩類污泥分開處置。物化污泥易板結;由于物化反應時引入的Ca2+殘留,使得生化污泥沉降性能極好且濃度較市政剩余污泥高;另外受場地所限,用污泥暫存池取代污泥濃縮池。
生化污泥產生量約1.45t/d(絕干),物化污泥產量9.2t/d(絕干)。
4、投資運行成本及運行效果
本項目工程直接費用為1900萬元。本項目噸水處理運行直接成本為12.9元/m3,其中,藥劑費為8.3元/m3,水、電費為1.7元/m3,人工費為0.4元/m3,化驗分析費0.1元/m3,污泥處置費2.3元/m3(單價200元/t),一般維護費0.1元/m3。
考慮到時效性、地域性及項目特點,本投資與運行成本分析僅供參考,類似項目測算時應根據項目自身情況進行測算。
系統自2018年5月投運以來,受生產影響,污水處理一直未能滿負荷運行,但系統處理效果良好且穩定。根據項目的運行數據,二沉池出水水質CODCr<50mg/L,TN<33mg/L,氟化物<7.1mg/L(項目分析數據偶爾會有浮動,絕大部分時間,TN<30mg/L,氟化物<7mg/L)。
5、結語
(1)針對硅太陽能電池板黑硅生產工藝廢水,采用“兩級化學除氟+化學除鈣+兩段生化脫氮+氣浮+臭氧氧化”工藝處理,出水水質標準可穩定優于《電池工業污染物排放標準》(GB30484—2013)表2間接排放標準限值20%。
(2)在化學除氟、除鈣單元,將除鈣污泥(主要成分CaCO3)回流至一級除氟反應區,以節省石灰投加量、減少物化污泥產量。生化系統運行條件較為惡劣,在保證碳源、磷源充足的同時,需考慮不定期補充新泥,以維持系統污泥活性。另外,冬季運行溫度不宜低于15℃。根據實際運行的數據,氣浮系統出水可實現達標,臭氧氧化單元可作為備用或應急裝置。
(3)為降低運行費用,仍需在實際運行過程中摸索最經濟投藥量。本項目中的物化污泥根據相關要求按一般固廢處理,對于其他同類項目,建議對其進行危險廢物鑒別后確定處置方式。(來源:上海環境工程設計研究院有限公司)



