廢水處理技術是一種高效廢水回用的處理技術,采用優勢菌技術對校園生活污水進行處理,經過處理后的中水可以用來澆灌綠地、花木、沖洗廁所及車輛等,從而達到節約水資源的目的。
廢水處理系統方案要充分考慮現實生活中校園生活區較為狹小的特點,力求達到設備體積小,性能穩定,工程投資少的目的。廢水處理過程中環境溫度對菌群代謝產生的作用直接影響廢水處理效果,因此采用地埋式磚混結構處理池以降低溫度對處理效果的影響。同時,廢水處理技術工藝參數變化大,硬件設計選型與設備調試比較復雜,采用先進的PLC控制技術可以提高廢水處理的效率,方便操作和使用。
廢水處理系統分別由污水處理池、清水池、中水水箱、電控箱以及水泵、羅茨風機、電動閥門和電磁閥等部分組成,在污水處理池、清水池、中水水箱中分別設置液位開關,用以檢測水池與水箱中的水位。廢水處理系統示意圖如圖1所示。
污水處理的第一階段:當污水池中的水位處于低水位或無水狀態時,電動閥會自動開起納入污水。當污水池納入的污水至正常高水位時,電動閥自動關閉,污水池中污水呈微氧和厭氧狀態。
污水處理的第二階段:采用能降解大分子污染物的曝氣法,可使污水脫色、除臭、平衡菌群的pH值并對污染物進行高效除污,即好氧處理過程。整個好氧(曝氣)時間一般需要6~8h。在曝氣管路上安裝了排空電磁閥,當電動閥門自動關閉后,排空電磁閥開起,羅茨風機延時空載起動,然后排空電磁閥關閉,污水池開始曝氣。當曝氣處理結束后,排空電磁閥再次開起,羅茨風機空載停機,然后排空電磁閥延時關閉。曝氣風機在無負荷條件下起動和停止,能起到保護電動機和風機的作用。經過0.5h的水質沉淀,PLC下達起動1#清水泵指令,將沉淀后的水泵入到清水池。當清水池中的水位升至正常高水位時,1#清水泵自動停止運行。這時2#清水泵自動起動向中水箱泵水,當水箱內達到正常高水位時,2#清水泵自動停止運行,這時中水箱內的水全部完成處理過程。
如上所示,當中水箱內水位降至低水位時,2#清水泵又自動起動向中水箱泵水。當污水池中的水位降至低水位時,電動閥門會自動打開繼續向污水池納入污水。如此循環往復。
廢水處理技術針對污水水質不同選用生物菌群不同,工藝要求要求有所不同,電氣控制系統應有參數可修正功能,以滿足廢水處理的要求。
2 . SBR 廢水處理系統動力設備
廢水處理系統中所使用的動力設備(水泵、羅茨風機、電動閥),均采用三相交流異步電動機,電動機和電磁閥(AC220V選配)選配防水防潮型。
1#清水泵:立式離心泵LS50-10-A,揚程 10m ,流量 29m 3 /h,1kW。
2#清水泵:立式離心泵LS40-32.1,揚程 30m ,流量 16m 3 /h,3kW。
曝氣羅茨風機:TSA-40, 0.7m 3 /min,1.1kW。
電動閥:閥體D 97A 1X5-10ZB -125mm ,電動裝置LQ20-1,AC380V,60W。
3 . SBR 廢水處理電氣控制系統設計要求
1) 控制裝置選用PLC作為系統的控制核心,根據工藝要求合理選配PLC機型和I/O接口。
2) 可執行手動/自動兩種方式,應能按照工藝要求編輯程序并可實時整定參數。
3) 電動閥上驅動電動機為正、反轉雙向運行,因此要在PLC控制回路加互鎖功能。
4) PLC的接地應按手冊中的要求設計,并在圖中表示或說明。
5) 為了設備安全運行,考慮必要的保護措施,入如電動機過熱保護、控制系統短路保護等。
6) 繪制電氣原理圖:包括主電路、控制電路、PLC硬件電路,編制PLC的I/O接口功能表。
7) 選擇電器元件、編制元器件目錄表。
8) 繪制接線圖、電控柜布置圖和配線圖、控制面板布置圖和配線圖等。
9) 采用梯形圖或指令表編制PLC控制程序。
二、 SBR 廢水處理電氣控制系統總體設計過程
1 .總體方案說明
1) SBR廢水處理系統控制對象電動機均由交流接觸器完成起、?刂,電動閥電動機要采用正、反轉控制。
2) 污水池、清水池、中水水箱水位檢測開關,在選型時考慮抗干擾性能,選用電極考慮耐腐蝕性。
3) 電動閥上驅動電動機,其內部設有過載保護開關,為常閉觸點,作為電動閥過載保護信號,PLC控制電路考慮該信號邏輯關系。
4) 1#清水泵、2#清水泵、羅茨風機電動機、電動閥電動機分別采用熱繼電器實現過載保護,其熱繼電器的常開觸點通過中間繼電器轉換后,作為PLC的輸入信號,用以完成各個電動機系統的過載保護。
5) 羅茨風機的控制要求在無負載條件下起動或停機,需要在曝氣管路上設置排空電磁閥。
6) 主電路用斷路器,各負載回路和控制回路以及PLC控制回路采用熔斷器,實現短路保護。
7) 電控箱設置在控制室內?刂泼姘迮c電控箱內的電器板用BVR型銅導線連接,電控箱與執行裝置之間采用端子板連接。
8) PLC選用繼電器輸出型。
9) PLC自身配有24V直流電源,外接負載時考慮其供電容量。PLC接地端采用第三種接地方式,提高抗干擾能力。
2 . SBR 廢水處理電氣控制原理圖設計
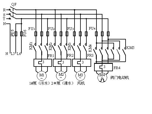
(1)主電路設計 廢水處理電氣控制系統主電路如圖2所示。
1) 主回路中交流接觸器KM1、KM2、KM3分別控制1#清水泵M1、2#清水泵M2、曝氣風機M3;交流接觸器KM4、KM5控制電動閥電動機M4,通過正、反轉完成開起閥門和關閉閥門的功能。
2) 電動機M1、M2、M3、M4由熱繼電器FR1、FR2、FR3、FR4實現過載保護。電動閥電動機M4控制器內還裝有常閉熱保護開關,對閥門電動機M4實現雙重保護。
3) QF為電源總開關,既可完成主電路的短路保護,又起到分斷三相交流電源的作用,使用和維修方便。
4) 熔斷器FU1、FU2、FU3、FU4分別實現各負載回路的短路保護。FU5、FU6分別完成交流控制回路和PLC控制回路的短路保護。
(2)交流控制電路設計 廢水處理系統交流控制電路如圖3所示。
1) 控制電路有電源指示HL。PLC供電回路采用隔離變壓器TC,以防止電源干擾。
2) 隔離變壓器TC的選用根據PLC耗電量配置,可以配置標準型、變比1:1、容量100VA隔離變壓器。
3) 1#清水泵M1、2#清水泵M2、曝氣風機M3分別有運行指示燈HL1、HL2、HL3,由KM1、KM2、KM3接觸器常開輔助觸點控制。
4) 4臺電動機M1、M2、M3、M4的過載保護,分別由4個熱繼電器FR1、FR2、FR3、FR4實現,將其常閉觸點并聯后與中間繼電器KA1連接構成過載保護信號,KA1還起到電壓轉換的作用,將220V交流信號轉換成直流24V信號送入PLC完成過載保護控制功能。
5 ) 上水電磁閥YA1和指示燈HL1、排空電磁閥YA2,分別由中間繼電器KA2和KA3觸點控制。
(3)主要參數計算
1) 斷路器QF脫扣電流。斷路器為供電系統電源開關,其主回路控制對象為電感性負載交流電動機,斷路器過電流脫扣值按電動機起動電流的1.7倍整定。廢水處理系統有3kW負載電動機一臺,起動電流較大,其余三臺為1.1kW以下,起動電流較小,而且工藝要求4臺電動機單獨起動運行,因此可根據3kW電動機選擇自動開關QF脫扣電流 I QF :
I QF = 1.7 I N =1.7 × 6A = 10.2A ≈ 10A ,選用 I QF = 10A 的斷路器。
2) 熔斷器FU熔體額定電流 I FU 。以曝氣風機為例, I FU ≥ 2 I N =2 × 2.5A = 5A ,選用 5A 的熔體。其余熔體額定電流的選擇,按上述方法選配。控制回路熔體額定電流選用 2A 。
3) 熱繼電器的選擇請參考有關技術手冊,自行計算參數。同時可以查看中國污水處理工程網更多技術文檔。
(4) PLC 控制電路設計 包括PLC硬件結構配置及PLC控制原理電路設計。
1) 硬件結構設計。了解各個控制對象的驅動要求,如:驅動電壓的等級、負載的性質等;分析對象的控制要求,確定輸入/輸出接口(I/O)數量;確定所控制參數的精度及類型,如:對開關量、模擬量的控制、用戶程序存儲器的存儲容量等,選擇適合的PLC機型及外設,完成PLC硬件結構配置。
2) 根據上述硬件選型及工藝要求,繪制 PLC 控制電路原理圖,繪制 PLC 控制電路,編制 I/O 接口功能表。圖 4 為 SBR 廢水處理系統 PLC 控制電路原理圖, L6 作為 PLC 輸出回路的電源,分別向輸出回路的負載供電,輸出回路所有 COM 端短接后接入電源 N 端。
3) KM4和KM5接觸器線圈支路,設計了互鎖電路,以防止誤操作故障。
4) PLC輸入回路中,信號電源由PLC本身的24V直流電源提供,所有輸入COM端短接后接入PLC電源DC24V的(+)端。輸入口如果有有源信號裝置,需要考慮信號裝置的電源等級和容量,最好不要使用PLC自身的24V直流電源,以防止電源過載損壞或影響其他輸入口的信號質量。
5) PLC采用繼電器輸出,每個輸出點額定控制容量為AC250V, 2A 。
表1和表2分別為廢水處理系統PLC輸入和輸出接口功能表。
表1 SBR廢水處理系統PLC輸入接口功能表
|
序號 |
工位名稱 |
文字符號 |
輸入口 |
|
1 |
污水池高水位開關信號 |
H1 |
X000 |
|
2 |
污水池低水位開關信號 |
L1 |
X001 |
|
3 |
清水池高水位開關信號 |
H2 |
X002 |
|
4 |
清水池低水位開關信號 |
L2 |
X003 |
|
5 |
中水箱高水位開關信號 |
H3 |
X004 |
|
6 |
中水箱低水位開關信號 |
L3 |
X005 |
|
7 |
起動按鈕(綠色) |
SB1 |
X006 |
|
8 |
停止按鈕(紅色) |
SB2 |
X007 |
|
9 |
旋鈕開關(自動) |
SB3-1 |
X010 |
|
10 |
旋鈕開關(手動) |
SB3-2 |
X011 |
|
11 |
手動開電動閥旋鈕開關 |
SB4 |
X012 |
|
12 |
手動關電動閥旋鈕開關 |
SB5 |
X013 |
|
13 |
1# 清水泵手動旋鈕開關 |
SB6 |
X014 |
|
14 |
2# 清水泵手動旋鈕開關 |
SB7 |
X015 |
|
15 |
電動閥門開起限位開關 |
SQ1 |
X016 |
|
16 |
電動閥門關閉限位開關 |
SQ2 |
X017 |
|
17 |
電動閥電動機故障報警 |
FR0 |
X020 |
|
18 |
電動機熱保護器報警 |
KA1 |
X021 |
|
19 |
曝氣風機手動旋鈕開關 |
SB8 |
X022 |
|
20 |
輸入點備用 |
X023 ~ X027 |
表2 SBR廢水處理系統PLC輸出接口功能表
|
序號 |
工位名稱 |
文字符號 |
輸入口 |
|
1 |
1# 清水泵接觸器 |
KM1 |
Y000 |
|
2 |
2# 清水泵接觸器 |
KM2 |
Y001 |
|
3 |
污水池高水位紅色指示燈 |
HL7 |
Y002 |
|
4 |
污水池低水位綠色指示燈 |
HL8 |
Y003 |
|
5 |
清水池高水位紅色指示燈 |
HL9 |
Y004 |
|
6 |
清水池低水位綠色指示燈 |
HL10 |
Y005 |
|
7 |
中水箱高水位紅色指示燈 |
HL11 |
Y006 |
|
8 |
中水箱低水位綠色指示燈 |
HL12 |
Y007 |
(續)
|
序號 |
工位名稱 |
文字符號 |
輸入口 |
|
9 |
電動閥門開起綠色指示燈 |
HL13 |
Y010 |
|
10 |
電動閥門關閉黃色指示燈 |
HL14 |
Y011 |
|
11 |
開電動閥門接觸器 |
KM4 |
Y012 |
|
12 |
關電動閥門接觸器 |
KM5 |
Y013 |
|
13 |
電動機熱保護器報警紅色指示燈 |
HL6 |
Y014 |
|
14 |
羅茨風機(曝氣風機)接觸器 |
KM3 |
Y015 |
|
15 |
排空電磁閥繼電器 |
KA3 |
Y016 |
|
16 |
上水電磁閥繼電器 |
KA2 |
Y017 |
|
17 |
輸出口備用 |
Y020~Y027 |
6) 根據上述設計,對照主回路檢查交流控制回路、PLC控制回路、各種保護聯鎖電路、PLC控制程序等,全部符合設計要求后,繪制出最終的電氣原理圖。
7) 根據設計方案選擇的電氣元件,編制原理圖的元器件目錄表,如表3所示。
表3 SBR廢水處理系統元器件目錄表
|
序號 |
文字符號 |
名 稱 |
數量 |
規格型號 |
備 注 |
|
1 |
M1~M4 |
電動機 |
4 |
Y系列 |
三相交流異步電動機 |
|
2 |
FR1~FR4 |
熱繼電器 |
4 |
JR16B-20/3 |
參照電動機整定電流 |
|
3 |
FU1~FU4 |
熔斷器 |
12 |
RL1-15 |
熔體2~10A |
|
4 |
FU5、FU6 |
熔斷器 |
2 |
RT16-32X |
熔體 2A |
|
5 |
QF |
斷路器 |
1 |
C45AD |
脫扣電流 10A |
|
6 |
TC |
隔離變壓器 |
1 |
BK-100 |
變比1:1,AC220V |
|
7 |
SB1 |
起動按鈕 |
1 |
LAY37 |
綠色 |
|
8 |
SB2 |
停止按鈕 |
1 |
LAY37 |
紅色 |
|
9 |
SB3 |
轉換開關 |
1 |
LAY37-D2 |
手動/自動轉換 |
|
10 |
SB4~SB8 |
手動開關 |
5 |
LAY37-D2 |
黑色 |
|
11 |
KM1~KM4 |
交流接觸器 |
4 |
DJX-9 |
線圈電壓:AC220V |
|
12 |
KA1~KA3 |
中間繼電器 |
3 |
HH52P |
線圈電壓:AC220V |
|
13 |
HL1~HL15 |
指示燈 |
15 |
AD16-22 |
LED顯示,AC220V |
|
14 |
YA1 |
電磁閥 |
1 |
ZCT -50A |
線圈電壓:AC220V |
|
15 |
YA2 |
電磁閥 |
1 |
ZCT -15A |
線圈電壓:AC220V |
|
16 |
YA3 |
電動閥門裝置 |
1 |
LQA20-1 |
AC380,60W |
|
17 |
PLC |
可編程序控制器 |
1 |
FX2N-48MR |
繼電器輸出 |
(5) PLC 控制程序設計
1) 程序設計。根據控制要求,建立廢水處理系統控制流程圖,如圖11-5所示,表達出各控制對象的動作順序,相互間的制約關系。在明確PLC寄存器空間分配,確定專用寄存器的基礎上,進行控制系統的程序設計,包括主程序編制、各功能子程序編制、其他輔助程序的編制等。
2) 系統靜態調試。空載靜態調試時,針對運行的程序檢查硬件接口電路中各種邏輯關系是否正確,然后先調試子程序或功能模塊程序,然后調試初始化程序,最后調試主程序。調試過程中盡量接近實際系統,并考慮到各種可能發生的情況,作反復調試,出現問題及時分析、調整程序或參數。
3) 系統動態調試及運行。在動態帶負載狀態下調試,密切觀察系統的運行狀態,采用先手動再自動的調試方法,逐步進行。遇到問題及時停機,分析產生問題的原因,提出解決問題的方法,同時做好詳盡記錄,以備分析和改進。


