摘要:硅藻精土水處理工藝可將城市生活污水一次處理達到中水回用標準,本文介紹了硅藻精土水處理工藝和慶中生化工藝的原理和工程運用,歡迎指正!大理慶中環境工程有限公司是擁有“硅藻精土水處理工藝”發明專利技術的水處理專業公司,在運用和實踐“硅藻精土水處理工藝”技術過程中有些體會,愿與同仁共享。
關鍵詞:硅藻精土 工藝實踐
如何在城市污水處理中,改變先做“二級生化處理”,再做“中水處理”的城市節水模式,建立一套將污水一次處理到“中水”的工藝技術,為社會節約寶貴的資金、土地資源,為創建生態城市,為保護我們的生存環境,大理白族王慶中先生在國家兩院院士王希季先生的指導下,完成了“硅藻精土水處理工藝”,并發展到了“第六代”技術的水平,即完成了將城市污水一次性處理達到GB18918-2002一級A標的水平。以云南省大理市城市污水“登龍河工程”為例,將硅藻精土水處理工藝及“慶中生化工藝”介紹如下:
一、硅藻精土水處理工藝污染物的去除機理
(一) SS的去除
污水中的SS去除主要靠硅藻精土的吸附、絮凝、沉淀作用而去除。污水處理中懸浮物的濃度不僅僅只涉及到出水的SS指標,而且與出水的BOD5和CODcr等指標也有關,這是因為組成出水懸浮物主要是活性污泥絮體,所以控制污水處理廠出水的SS指標是最基本的,也是很重要的環節。為了盡量去除水中的懸浮物,需在工程中采用適當的措施,常用的傳統生化法措施有選用適當的污泥負荷率以保持活性污泥的凝聚及沉降性能,采用較小的二次沉淀表面負荷、采用較低的出水堰負荷、充分利用活性污泥懸浮層的吸附網絡作用等。通過綜合比較,最好的方法是采用硅藻精土水處理劑,并結合高效水力循環澄清池,該方案可使廢水中SS的去除率達到99%。
(二) BOD5的去除
污水中BOD5的去除主要是靠硅藻精土水處理劑的吸附與代謝作用去除,然后對吸附代謝物進行泥水分離來完成。在硅藻精土水處理劑與污水接觸初期,會出現很高的BOD5去除率,這是由于污水中有機顆粒和膠體被吸附在硅藻精土水處理劑表面,從而被去除所致。但是這種吸附作用僅對污水中懸浮物和膠體起作用,對溶解性有機物不起作用。對溶解性有機物需硅藻精土的離子交換功能形成的代謝來完成,在有氧的條件下將污水中一部分有機物合成新的細胞,將另一部分有機物進行分解代謝以便獲得細胞合成所需的能量,其最終產物是CO2和H2O等穩定物質。因此,可以使處理后污水中的殘余BOD5濃度很低。出水水質低于10mg/L。
(三) CODcr的去除
污水中CODcr去除的原理與BOD5基本相同,但CODcr的去除率與落水村生活污水的組成有關。對于那些主要以生活污水及其成分與餐飲廢水組成的綜合污水,BOD5/CODcr比值往往接近0.5甚至大于0.5,出水中CODcr值可控制在較低的水平。而成分主要以工業廢水為主的城市污水,其BOD5/CODcr比值較小,其污水的可生化性較差,此類污水,采用硅藻精土水處理劑,并使用高效水力循環澄清池污水處理設備,將充分發揮該工藝強于其他工藝的突出特點,處理后污水中殘存的CODcr將獲得最高的效果,去除率在90%以上,甚至在95%以上。大理登龍河工程進出水指標測試結果如下:
![]() |
從上表可知,經處理后出水滿足CODcr≤50mg/L,完全可以達到國家一級排放標準(GB18918-2002)。
(四) N的去除
氮是蛋白質不可缺少的組成部分,它廣泛存在于城市污水中。廢水中的氮一般以有機氮、氨氮、亞硝酸鹽氮和硝酸鹽氮等四種形式存在。生活污水中氮的主要存在形態是有機氮和氨氮。其中有機氮占生活污水含量的40-60%,氨氮占50-60%,亞硝酸鹽氮和硝酸鹽氮僅占0-5%。廢水中生物脫氮在傳統二級生物處理中的基本原理是:將有機氮轉化為氨氮的基礎上,通過硝化和反硝化菌的作用,將氨氮轉化為亞硝態氮、硝態氮,再通過反硝化作用將硝態氮轉化為氮氣,從而達到從廢水中脫氮的目的。
廢水的生物脫氮處理過程,實際上是將氮在自然界中循環的基本原理應用于廢水生物處理,并借助于不同微生物的共同協調作用以及合理的人為運行控制,而將生物去碳過程中轉化而產生以及原廢水中存在的氨氮轉化為氮氣而從廢水中脫除的過程。在廢水的生物脫氮處理過程中,首先在好氧條件下,通過好氧硝化菌的作用,將廢水中的氨氮氧化為亞硝酸鹽氮或硝酸鹽氮;然后在缺氧條件下,利用反硝化菌(脫氮菌)將亞硝酸鹽和硝酸鹽還原為氮氣從水中逸出。在硝化與反硝化過程中,影響其脫氮效率的因素是溫度、溶解氧、PH值以及反硝化碳源。生物脫氮系統中,硝化細菌增長速度較緩慢,所以要有足夠的污泥泥齡,也就是要求系統必須維持在較低的污泥負荷條件下運行,以便使系統的泥齡大于維持硝化所需最小泥齡。反硝化菌的生長,主要在缺氧條件下運行,并且要有充裕的碳源提供能量,才可促使反硝化作用順利進行。生物脫氮系統中硝化與反硝化反應需要具備如下條件:硝化階段:足夠的溶解氧,DO值2mg/L以上,合適溫度,最好20度,不能低于10度,足夠長的污泥泥齡,合適的PH條件。反硝化階段:硝酸鹽的存在,缺氧條件,DO值0.2mg/L左右,充足的碳源(能源),合適的PH條件。需要控制足夠的污泥齡與進水的碳氮化。還有進入生物處理池中的CODcr濃度、TKN/CODcr比值及P/CODcr比值。TKN/CODcr值小于0.08,有去除硝酸鹽效果,若在0.08-0.11之間,不能完全去除硝酸鹽,在0.11-0.14之間,UCT工藝也不能完全消除厭氧池中硝酸鹽,需要控制回流比,以便減少硝酸鹽對厭氧的影響。倘若TKN/CODcr大于0.14,城市污水不能用生物脫氮除磷方法。由于傳統的A2/O、UCT工藝處理構筑物多,占地較大,投資多,運行管理較復雜,尤其對于中型以下的城市污水廠已較少采用,為此不予推薦。傳統的氧化溝沒有除磷功能,也沒有設置專門的缺氧池,脫氮是在各曝氣器之間形成的缺氧區域,因此脫氮能力有限。
采用硅藻精土水處理劑,并使用高效水力循環澄清池污水處理設備,由于硅藻在精選過程中把與硅藻共生的雜質分離除去,這樣使硅藻表面本已平衡的電位形成不平衡電位,在水處理進行時,硅藻精土水處理劑被微量加入污水中,在高速攪拌,或抽吸污水的泵機葉片旋轉下,瞬間分散于水體之中,硅藻表面的不平衡電位能中和懸浮離子的帶電性,使其相斥電位受到破壞而與硅藻形成繆羽,電價中和與沉淀作用,凝集成較大的絮花,借重力沉淀至底部,加上硅藻巨大的表面積,巨大的孔體積和較強的吸附力,利用硅藻精土水處理劑對凱氏氮(TKN)有吸附、絮凝以及過濾作用,把污水中的有機物和無機物細微和超細微物質吸附到硅藻表面,形成鏈式結構。由非晶體活性二氧化硅組成的硅藻,具有在水體中相聚和自由沉降為硅藻餅的性能。再加上精土被改性后的絮凝作用加快硅藻等凝聚到水底形成硅藻餅的速度,使硅藻吸附時電位中和,污染物質和細菌,瞬間下沉與水體分離。
(五) P的去除
將磷從污水中去除,傳統的方法可以采用化學法,也可以采用生物法。
化學除磷是向污水中投加三價鹽(一般是鋁鹽和鐵鹽,二價鐵應保證在曝氣池內被氧化為三價鐵),使之與污水中的磷酸鹽形成難溶化合物,經過沉淀從水中去除。采用化學除磷的優點是工藝簡單,除加藥設備外不需要增加其它設施,因此特別適用于舊廠增加除磷功能。缺點是藥劑消耗量大、剩余污泥量增加、處理成本增加。化學藥劑的投加還要消耗水中的堿度。
生物除磷是污水中的聚磷菌在厭氧條件下,受到壓抑而釋放出體內的磷酸鹽,產生能量用以吸收快速降解有機物,并轉化為PHB(聚β羥丁酸)儲存起來。當這些聚磷菌進入好氧條件下時就降解體內儲存的PHB產生能量,用于細胞的合成和吸磷,形成高濃度污泥,并隨剩余污泥一起排出系統,從而達到除磷的目的。缺點是為了避免剩余污泥中磷的再次釋放,對污泥處理工藝的選擇有一定的限制。好氧段磷的吸收取決于厭氧段磷的釋放,而磷的釋放又取決于厭氧段的厭氧條件(厭氧要求既無分子態的氧也無硝態氮的氧)以及可快速降解的有機物的含量(此值一般為進水CODcr的1/4~1/3),即P/CODcr比值越小越好。除磷效率的高低與進入生物處理池中易生物降解的CODcr濃度有很大的關系,當易生物降解的CODcr濃度小于50mg/L時(此時進水CODcr濃度大致為150-200mg/L),幾乎沒有除磷效果,P/CODcr比值應小于0.025,方能達到除磷的要求。這些條件均很難達到,為此生物除磷工藝總的來說效果不好。
從一般城市污水處理廠的進水水質和要求達到的目標,我們認為,最佳的處理工藝是采用硅藻精土水處理劑,并使用高效水力循環澄清池污水處理設備的工藝,該工藝對總磷的去除率能穩定的確保在90%以上,甚至達到99%,是目前任何一類工藝均不能達到;并且在除磷的同時也對污水中的重金屬離子進行特別有效的去除。在滿足除磷脫氮要求的前提下,BOD5、CODcr和SS的去除都能同時解決。
二、污水處理廠生產中水工藝方案選擇
綜合上述幾種主要的脫氮除磷方法,A2/O、UCT、氧化溝由于要設置專門的二沉池,占地面積較大,投資運轉費用都較大;T型氧化溝雖然不需設置二沉池,但由于使用的曝氣裝置限制了其水深,占地面積很大,且設置利用率,容積利用率均很低;傳統的SBR(包括循環曝氣法CAST),雖然構筑物少,水頭損失小,但容積利用率僅50%;使用硅藻精土水處理工藝和慶中生化工藝(在BC比值很小條件下的生化技術),具有投資小、占地少、運轉費低、去除率高、結構簡單、能耗少、沉渣能回收再利用、無二次污染、適應性強、無論氣候、溫度、污水濃度發生變化均能不受影響。
三、硅藻精土水處理工藝及設備
(一)硅藻土
1、硅藻土的性質和用途
硅藻土[DIATEMITE]是一種生物成因的硅質沉積巖,主要由硅藻(一種單細胞的水生藻類)遺骸和軟泥固結而成的沉積礦。具有孔隙度高、比表面積大、吸附性強、質輕、堅固、隔音、隔熱、耐磨、耐酸和熱傳導性低等特性,廣泛用于水處理、飲食、建材、化工、橡膠、石化、醫藥、冶金、油漆、化妝品、涂料、機械、能源等行列,可制水處理劑、助濾劑、填料、吸附劑、隔熱材料、催化劑載體、色譜固定劑等,是近代工業不可缺少的材料,至今尚未獲得令人滿意的替換物質。
2、國外硅藻土開發的情況
硅藻土礦業在世界礦業中占的比例很小,約萬分之一至萬分之二。在一九七九年以后,硅藻土礦業增長不快,主要原因是:世界硅藻土資源不豐富,特別是經濟品質適合開發的硅藻土資源不多,產品受原礦土品質限制,即無需選礦就可以達到硅藻精土質量的礦山儲量很少,需要選礦才能利用的低品質原礦土的利用越來越迫切,低品位原土優選為精土的選礦工藝成為世界各國急需迫切解決的攻關課題,但至今難于解決,不能適應需求量越來越大的硅藻精土的要求,從而使硅藻土工業的發展受原材料的制約而難于較快發展。
由于硅藻土礦業不大,因此研究硅藻土礦業的人很少,硅藻土礦的開發,特別是低品位礦的開發,由于缺少實際經驗和理論指導進展不快。
硅藻土原礦的物理性質,化學成分和極其復雜的共生雜質,因礦山不同而差異很大,這又增加了開發的困難。總的來說,世界硅藻土礦業增長不快的主要原因,不是需求的減退,而是高品質原礦土的供應因上述原因而產生困難。
3、我國硅藻土開發的情況
我國對硅藻土開發僅處于起步階段,不論在基礎理論研究還是在應用研究方面都遠遠不足,與硅藻土應用研究發達的領先國家相比,僅僅只是一個萌芽。
我國現有的權威部門和科研單位,由于缺乏硅藻土基礎知識的了解,又無實踐經驗,多次發生誤將其它礦種,當作硅藻土進行開發的情況,浪費大量的人力和財力。
我國忽視硅藻土基礎理論研究和對國外技術的信息交流,致使研究工作長期停留在低水平階段,從而缺少對一些較深的基礎理論研究和較高層次的產品開發,研制成果幾乎為零。
我國對硅藻土的研究起步較晚,各類專業人才非常缺乏,為此有一些根本不懂硅藻土知識的學者,出國取經,組織研討會,結果使已出現的科技成果被壓抑,而純理論甚至是謬誤的技術在大量發表,至使我國硅藻土開發進退徘徊。
我國硅藻土精土產品外銷幾乎為零,并且目前仍不能擺脫依靠進口的局面。
硅藻土工業的開發,對于儲量豐富的我國,是迫在眉睫的重大課題,但我國的硅藻土資源,絕大多數均屬中、低品位“貧礦”。為此,中國硅藻土的大量開發的首要問題是解決選礦工藝,只有找到經濟、適用、可行的中低品位“貧礦”優選為精土的選礦工藝,我國的硅藻土工業才能迅速發展,否則將繼續停留在目前現狀上。
4、我國硅藻土資源情況
通過20余年來的努力,我國在硅藻土資源調查方面,做了一些工作,就目前已知的資料來看,我國硅藻土礦的形成分布具有以下幾個特點:
我國硅藻土礦主要分布在云南省中部和西南地區以及我國東部浙江嵊縣,東北部吉林省和內蒙古,四川攀西地區,廣東雷州半島。
我國硅藻土礦的形成時期從中新世開始一直延續到全新世,其中新世形成的硅藻土礦規模一般都較大。
我國的硅藻土礦均屬非海相沉積,其中以淡水湖泊相沉積為主。
我國許多地區的硅藻土礦的形成和分布都與新生代以來火山活動(玄武巖)有密切聯系。
我國硅藻土礦絕大多數均屬中、低品位,必須經過選礦才能用作工業產品的原料。
我國的14個省,已勘明了七十余個硅藻土礦,以吉林、浙江和云南形成三足鼎立形勢。東部沿海、西部新疆、北部黑龍江、南部廣東、海南,中部內蒙、河北、山東、四川等均儲藏著大量硅藻土,除吉林長白馬鞍山礦品質較好外,全國原土均屬中、低品位,王慶中教授研制的國家發明專利技術“硅藻土純物理選礦工藝”均能把各地原土優選為精土。為此,我國硅藻土工業開發可在各地建選礦廠,就近供給精土。在近數百年內,僅勘明的儲量,可以說開采量再大也開采不完。
(二)硅藻精土水處理劑工藝所取得的成績
實踐證明,硅藻精土水處理劑是“硅藻精土水處理工藝”的核心,硅藻精土水處理工藝適用于城市污水和各類工業廢水處理。該工藝在經國內水處理專家組成的專家組及中國硅藻土協會評定為國內首創,并具有世界領先水平的技術。在廣東、江蘇、云南、貴州、廣西、內蒙古建成的污水處理工程,在各省環境監測中心站等部門的監測下,成功地把城市污水、工業廢水處理達到國家排放標準并可循環使用。 去除率分別達到BOD5 92-92.8%、CODcr 95%以上、SS 99%、TN 78%、TP 90.7%。一九九六年十月四日由云南省主管部門十四個單位十八名專家組成專家組對該污水處理工藝及試驗進行評審,給予較高的評價并建議立即推廣,該工藝的發明,為治理污染廢水,提供了既經濟又適用的最佳技術,使徹底根治污水由希望變為現實。
(1)一九九六年九月,在昆明明通河上進行了治理城市污水的試驗,在省環保科研所參加下,由云南省監測中心站測示的結果如下:
![]() |
以上工程取得了懸浮物達到未檢出的最佳效果,各項去除率均超過傳統工藝。
(2)一九九六年九月,用該技術在昆明自祥飯店污水處理工程和昆明盤龍衛生巾廠污水處理工程中取得排水污染物指標全面達到國家一級排放標準,多項污染物指標遠遠超過國家效果一級排放標準的要求。
(3)一九九七年七月,用該技術建成的昆明大觀河污水處理工程,排水遠遠超過國家一級排放標準,該工程轟動了昆明,云南日報在一個月內登載了三個版面,春城晚報也連載三篇文章,昆明日報等均進行報導,并且國外報刊也多次報導。云南電視臺,昆明電視臺等十多家電視臺,廣播電臺均紛紛報導,省市領導親自現場參觀,省外紛紛聞訊趕來現場看。
(4)一九九八年三月,用該技術建成澄江祿充風景區污水處理站,又一次引起轟動,從試運轉第一天起至今,多次接待省市領導及環保主管部門前往參觀。電視、報刊也多次進行報導。
(5)一九九八年六月,用該技術建設貴州省六盤水市礦務局老鷹山煤礦8000m3/日廢水處理工程。
(6)一九九八年三月起,用該技術參加九九博覽會重點工程——滇池草海藍藻應急治理試驗,試驗結果表明,該技術取得最好成績。
(7)一九九八年三月在昆明市明通河上建成1000m3/d和4000m3/d兩座城市污水處理展示工程。
(8)二000年在云南省瑞麗市造紙廠建成1000m3/d造紙黑液污水處理工程。
(9)二000年在廣西省桂林市荔浦電鍍廠建成500m3/d電鍍廢液工程。
(10)二00一年一月在內蒙古呼和浩特市建成10000m3/d城市污水處理工程。在零下17度的低溫情況下,經該工藝處理后,出水水質的各項指標均達到國家規定排放標準。2001年2月21日香港文匯報C14港聞專題刊登了大幅版面“內地發明硅藻精土處理污水——較傳統工藝具多項優勢,可作本港污水處理方案借鑒”,對內蒙古呼和浩特市城市污水處理工程所取得的成果進行報導。
(11)二00二年六月廣東清遠市建成20000m3/d城市生活污水處理一期樣板工程,廣州日報多次進行報道。
(12)二00四年用慶中水處理技術第二代成功地在大理建成5000m3/d的城市生活污水出水已達到《城鎮污水處理廠污染物排放標準》一級A標準GB18918-2002。目前正在協商的有:內蒙古呼和浩特市50000m3/d城市污水處理工程;廣東省湛江市30000m3/d城市污水處理工程(用BOT方式);廣東省中山市三鄉鎮20000m3/d城市污水處理工程。
(三)硅藻土純物理選礦工藝
該工藝是當今世界上唯一能用物理方法把中低品位硅藻原土優選為精土的工藝,與化學法即酸洗法比較,具有投資小、效益高、無污染、耗電少、用水可循環,成本低,回收率高,操作簡便,適應性強,設備結構緊湊,能連續生產,分離效率高等特點。工藝的要點是:原礦土采集后按不同品級堆放。投料前測定原土水分,按干料計重定量投入特制低速擦洗機中加水變細為濃礦漿。再流入高速分散機加水稀釋為低濃度礦漿,此時在除粗砂設備中除去粗砂。然后進入高速攪拌機,加入硅藻土選礦專用重磁水,在葉片高速旋轉下礦漿產生靜摩擦,利用三氧化二鐵,三氧化二鋁等原土中雜質微粒帶負電,重磁水帶正電而二氧化硅保持中性的原理,用內摩擦產生的高壓靜電使雜質處于不沉降狀態。礦漿進入負壓爆破設備和超聲波振震設備后,進入粗選設備,精選設備,除去細粒晶體二氧化硅、碎屑礦物,最后進入硅藻富集設備。不沉降的粘土和雜質向外排出,硅藻自由沉降富集為硅藻餅,從而把超低品位硅藻原土中的硅藻精選出來為高品質精土。所采集的原土品位高低,僅影響到精土的回收率高低,而不影響精土質量。因在選礦工藝流程中,僅有硅藻才能富集為餅,其余雜質均分選出去。為此,所得精土,純度可達92%以上。
(四)硅藻精土處理劑處理污水的工藝
該工藝不但具有各傳統工藝的綜合優點,同時彌補各處理工藝的不足,并且具有各傳統工藝所做不到的,沉渣可徹底取走并回收使用的特殊優點。本工藝不僅投資小,耗電少,成本低,占地少,處理質量好、去除率高,污染物可全部取走并再利用,而且適用性強,設備簡單,操作方便,可作為各類大、中、小型企業工業廢水和城市污水處理,是一種優于國內外各傳統工藝的具有國際先進水平的污水處理工藝。它采用硅藻土純物理選礦工藝優選提純的硅藻精土改性配制而成處理劑,在專用的污水處理設備中,由于硅藻具有強烈的吸附性,把污水中的有機物和無機物吸附,在絮凝作用下,瞬間沉降至底部,獲得潔凈清水。清水可循環使用。而被硅藻吸附絮凝為餅的沉渣,可以徹底分離取出。因其中硅藻占一定量,按污染物類別的不同,分別再制成硅藻土系列產品。本工藝建設成本僅是生化法的40%。運轉費僅是混凝法的50-60%。
1、硅藻精土改性配制成硅藻精土水處理劑
硅藻精土水處理劑是獲國家發明專利的專有產品。硅藻是一種單細胞藻類,它的形體極為微小,一般只有幾微米到十幾微米,直到顯微鏡問世后,人們對它才逐漸有所了解。硅藻能進行光合作用,自制有機物,是水域中需氧動物的氧氣提供者。在水體中以驚人的速度生長繁殖,它們的遺骸沉積形成硅藻土。經過選礦,除去與其共生的粘土、石英砂、碎屑礦物等雜質后,把硅藻富集到92%以上稱為精土。硅藻精土與硅藻土的區別,關鍵在“精”字。世界上沒有純凈的硅藻土,為此, 硅藻土中有很多雜質, 硅藻含量少,不但在處理水時難于把水處理清,還可能把水攪混。經過特殊方法提純,把硅藻富集到92%以上稱為精土。顏色為白色,緊堆密度0.3-0.4g/ml,比表面積50-60m2/g, 數量2-2.5億個/g,孔體積0.6-0.8cm3/g,孔半徑2000-4000Å,吸水率能吸收自身重量的3-4倍。具有質輕、多孔、隔音、耐酸、而堿、比表面積大、化學性質穩定、熱穩定和吸附能力強等特點。在水處理中根據污水的類別在精土中加一定量的改性物質,改性配制成處理各種水質的硅藻精土水處理劑。
2、硅藻精土處理污水的工藝要點
硅藻在精選過程中把與硅藻共生的雜質分離除去,這樣使硅藻表面本已平衡的電位形成不平衡電位,在水處理進時,硅藻精土處理劑被微量加入污水中后,在高速攪拌,或抽吸污水的泵機葉片旋轉下,瞬間散于水體之中,硅藻表面的不平衡電位能中和懸浮離子的帶電性,使膠體顆粒的膠團結構的ξ電位減小或為零,從而達到膠體顆粒脫穩作用的目的,促使水中的污染物快速絮凝、沉淀。使其相斥電位受到破壞而與硅藻形成繆羽,電價中和與沉淀作用,凝集成較大的絮花,借重力沉淀至底部,加上硅藻巨大的表面積,巨大的孔體積和較強的吸附力,把細微和超細微物質吸附到硅藻表面,形成鏈式結構。由非晶體活性二氧化硅組成的硅藻,具有在水體中相聚和自由沉降為硅藻餅的性能。再加上精土被改性后產生的絮凝作用,加快硅藻等凝聚到水底形成硅藻餅的速度,使硅藻吸附時電位中和,污染物質和細菌,瞬間下沉與水體分離,清水向上流出。并且硅藻還具有能自身脫水的功能,當沉渣被排放到廂式脫水機上時, 通過機械擠壓壓榨脫水。沉渣被吸附著留在濾布上而水質透過硅藻被過濾到濾布外回流到調節池。沉渣保持在含水57%左右,成餅狀裝袋取走,從而達到污水處理為清水的目的。
3、沉渣回收再利用
用硅藻精土作水處理劑處理污水后所獲得的沉渣均可以回收再利用。因為該沉渣中含有大量的硅藻、粘土質,有機質和無機鹽,但沉渣不會變質腐爛,經試驗,我們把沉渣做成輕質建材保溫磚和普通輕型建材產品,由于沉渣中含有氮和磷,而硅藻土是酸性土壤改良劑,為此該沉渣也可以作為肥料,該沉渣經試驗不會使土壤變硬,而相反能把硬質土變得更松散。承辦水處理工程的公司是選礦為主的公司,既然能把超低品位原土提純為精土,就能把沉渣中的硅藻土再精選富集為精土,這一點是勿需置疑的。而重新提純的精土可以再次用于污水處理。提純方法有兩種,其一是用純物理濕法選礦工藝,在附近建一個專門提選沉渣中精土的選礦廠。其二是用風選,此方法已做了試驗,沉渣在850度高溫下用推板窯,立窯或回轉窯煅燒,此時有機質揮發,粘土質被燒結,而硅藻溶點是1200度保持完整狀態,然后用旋風頭式風選機( 三級旋風頭)分選,被燒結的粘土和粗粒晶體礦物被分選出去,而硅藻以它特殊結構被第二級收集,第三級是粉層回收作填料,獲得富集的硅藻再改性為水處理劑。
(五)用硅藻精土處理污水工藝與其他工藝比較
目前國內外處理污水方法歸結起來主要有物理化學法和生化法兩大類。
1、物理化學法
采用格柵->沉砂->絮凝->沉淀->出水的簡單工藝流程。優點是投資小、占地少、節約能源、設備簡單,去除重金屬、磷、色度效果好。但缺點是對有機物和氮的去除不理想。單獨使用在濃度低的情況下不經濟,特別是各型絮凝劑的加入在水底形成濃液不能徹底分離取走,最終仍然排放造成更嚴重的第二次污染。目前,該方法在各企業的污水處理中被普通采用,一般不能把污水處理達到國家排放標準,由于絮凝的大量污泥無法處理,目前一般采用填埋的方式。所以,這類工藝不是污水處理的理想工藝。
2、生化法
采用氧化溝,A2/O、AB、ICEAS,SBR工藝為主流。優點是工藝已較為成熟,去除污水中的有機污染物及營養物質氮、磷等有一定效果。但缺點是CODcr去除率低,脫色效果差、投資大、占地多、耗電高、設備復雜、管理要求嚴格。另外該工藝還有一個很大的缺點,就是大量的污泥難于處置,仍易產生二次污染。為此,該類工藝也不適于我國國情,不是污水處理的理想工藝。
3、硅藻精土處理劑處理污水工藝與傳統方法的比較
以10000m3/d工程規模為例
![]() |
要徹底治理污水必須尋求切實可行的新技術、新工藝。目前國內外處理污水的傳統工藝,均不能使污泥與水分離后徹底取出,更談不上把污泥再制成可用產品。加之各類工藝的嚴重缺點,使污水處理工作形成老大難問題。要徹底治理污水,必須尋求切實可行的新技術、新工藝。硅藻精土處理劑處理污水的工藝不但具有各傳統工藝的綜合優點,同時彌補各處理工藝的不足,并且具有各傳統工藝所做不到的,沉渣可徹底取走并回收使用的特殊優點。本工藝不僅投資小、耗電少、成本低、占地少、處理質量好,去除率高,污染物可全部取走并再利用,而且適用性強,設備簡單,操作方便,能連續處理,可作為各類大、中、小型城市污水處理。是優于國內外傳統工藝的具有國際先進水平的污水處理工藝。 處理污水的理想工藝,應該是處理后出水水質好,投資少,耗電低,占地小,運轉成本低,污泥能徹底分離取出,并能再加工制成其他產品的最佳工藝,本可行性報告提出的工藝,是目前所有污水處理均辦不到而唯有該工藝能做得到的理想工藝,這正是本方案優勢。
4、工藝優勢
1、投資費用低,本工藝與傳統工藝相比,占地面積小,工藝流程短,故10000T/d以上規模的工程項目投資總額僅為其它工藝的50-65%。
2、運行費用省,實際運行費用中的大頭是藥劑費,其用量約在十萬分之五至七,水處理劑單價為2100元/噸(含運費),故每處理1立方米污水藥劑費不超過0.15元,加上電力、人工,每處理1立方米污水的運行費用不超過0.40元, 運行費僅是其它工藝的30-45%。
3、總磷總氮去除率高,去除重金屬有明顯效果。由于硅藻精土水處理工藝的特殊作用,對污水中的總磷、總氮和重金屬有比較高的去除率。以本工藝在昆明明通河城市污水工業性試驗為例,由云南省環境保護科研所參加,經省環境監測中心站測試,TN 33.51 mg/L 到7.12 mg/L,去除率78.7%,TP 8.58 mg/L 到0.79 mg/L 去除率91.8%。
4、治污與補水相結合,本工藝對懸浮物SS等指標特別明顯,處理后的清水達到國家《城鎮污水處理污染物排放標準》,水體清澈透明,完全可以滿足補給水的要求。采用硅藻精土水處理工藝,治污與補水一次解決,一舉兩得可節省許多投資。
5、廢渣處理簡單且用途多樣不會造成二次污染。硅藻精土水處理的廢渣收集簡單,廢渣可以從排渣口直接裝袋,也可以經機械脫水后運出廠外,不需要添加藥劑處理。硅藻土本身具有質輕、隔熱、保溫特性、是無毒天然物質,故廢渣可以制造保溫磚、輕質建材,也可以做農田肥料,如果量大,還可以重新提取硅藻,生產硅藻精土水處理劑,循環使用。
6、管理費用低。由于該工藝簡單,處理設施小,工藝流程短,因此操作管理方便,管理費用低
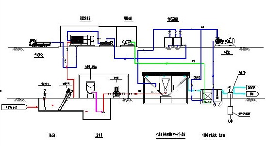
四、硅藻精土水處理工藝流程圖
![]() |






