公布日:2023.09.15
申請日:2023.07.18
分類號:C02F1/04(2023.01)I
摘要
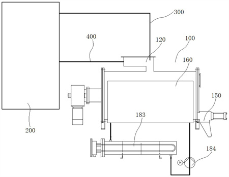
本發明提出工業廢水濃縮干化一體機,包括:MVR蒸發器,MVR蒸發器對工業廢水進行預濃縮;干化機對MVR蒸發器預濃縮的液體進行干化;MVR蒸發器、干化機組裝在一個框架內,共用一套配電柜和PLC控制系統;干化機包含有筒體,筒體的外壁設置有為干化機提供熱能的導熱源,導熱源采用電熱板直接加熱或導熱油傳熱,通過改進干化機不屬于高壓容器,管理全自動化,蒸發量可以應需設置,特別是與MVR蒸發器結合,起到雙效干化的技術效果,極大的降低能耗。

權利要求書
1.工業廢水濃縮干化一體機,其特征在于,包括:MVR蒸發器,MVR蒸發器對工業廢水進行預濃縮;干化機,干化機對MVR蒸發器預濃縮的液體進行干化;MVR蒸發器、干化機組裝在一個框架內,共用一套配電柜和PLC控制系統;干化機包含有筒體,筒體的外壁設置有為干化機提供熱能的導熱源,導熱源采用電熱板直接加熱或導熱油傳熱。
2.根據權利要求1所述的工業廢水濃縮干化一體機,其特征在于,筒體的外筒壁設有中空的外夾套,外夾套內通導熱油傳熱,導熱油采用電熱器加熱,導熱油通過循環泵循環。
3.根據權利要求1所述的工業廢水濃縮干化一體機,其特征在于,筒體的外筒壁上固定有電熱板。
4.根據權利要求1所述的工業廢水濃縮干化一體機,其特征在于,MVR蒸發器上安裝有輸送預濃縮液體的粘稠液進料管路,粘稠液進料管路接入干化機的進料口,干化機上的二次蒸汽通過蒸汽出口連接蒸汽輸送管路,蒸汽輸送管路連接MVR蒸發器上壓縮機的出口管路,為MVR蒸發器提供啟動用蒸汽或為MVR蒸發器在運行中的蒸汽補充。
5.根據權利要求1所述的工業廢水濃縮干化一體機,其特征在于,MVR蒸發器的預濃縮液體通過粘稠液進料管路導入緩沖計量罐,緩沖計量罐通過管路導入干化機的進料口或通過計量儀表入干化機的進料口。
6.根據權利要求1所述的工業廢水濃縮干化一體機,其特征在于,所述干化機的筒體內設置有內軸,內軸上分布有刮板,干化機的進料口內設置有除沫器,干化機的出料斗上安裝有放料閥。
7.根據權利要求1所述的工業廢水濃縮干化一體機,其特征在于,MVR蒸發器采用臥管降膜蒸發器或立管降膜蒸發器或強制循環蒸發器,強制循環蒸發器采用列管換熱器或板式換熱器。
發明內容
本發明的目的是提供工業廢水濃縮干化一體機,結構簡單,采用MVR蒸發器和干化機相結合的形式,不但能夠提升工業廢水的蒸發干化效率,同時能耗低,利用使用。
本發明為解決其技術問題所采用的技術方案是:
工業廢水濃縮干化一體機,包括:
MVR蒸發器,MVR蒸發器對工業廢水進行預濃縮;
干化機,干化機對MVR蒸發器預濃縮的液體進行干化;
MVR蒸發器、干化機組裝在一個框架內,共用一套配電柜和PLC控制系統;
干化機包含有筒體,筒體的外壁設置有為干化機提供熱能的導熱源,導熱源采用電熱板直接加熱或導熱油傳熱;
進一步,所述筒體的外筒壁設有中空的外夾套,外夾套內通導熱油傳熱,導熱油采用電熱器加熱,導熱油通過循環泵循環。
進一步,所述筒體的外筒壁上固定有電熱板。
進一步,MVR蒸發器上安裝有輸送預濃縮液體的粘稠液進料管路,粘稠液進料管路接入干化機的進料口,干化機上的二次蒸汽通過蒸汽出口連接蒸汽輸送管路,蒸汽輸送管路連接MVR蒸發器上壓縮機的出口管路,為MVR蒸發器提供啟動用蒸汽或為MVR蒸發器在運行中的蒸汽補充。
進一步,MVR蒸發器的預濃縮液體通過粘稠液進料管路導入緩沖計量罐,緩沖計量罐通過管路導入干化機的進料口或通過計量儀表入干化機的進料口。
進一步,所述干化機的筒體內設置有內軸,內軸上分布有刮板,干化機的進料口內設置有除沫器,干化機的出料斗上安裝有放料閥。
進一步,MVR蒸發器采用臥管降膜蒸發器或立管降膜蒸發器或強制循環蒸發器,強制循環蒸發器采用列管換熱器或板式換熱器。
與現有技術相比,本發明具有如下有益的技術效果:
本發明將MVR蒸發器蒸發效率高的特點及干化機能夠將粘稠液體干化的優點結合在一起,既提高蒸發效率,又解決物料結垢,使用質量高;
本發明干化機采用電加熱的方式或導熱油傳熱的加熱方式,使干化機不屬于高壓容器,蒸發量可以根據需求設置,降低干化機的使用門檻,更方便和MVR蒸發器結合使用,起到雙效干化的技術效果,以取得更低的單位能耗,能耗能夠降低一半,在啟動的時候,MVR蒸發器需要蒸汽,現有技術蒸汽需要外部的鍋爐等其它設備導入,本發明可直接將干化機的蒸發導入到MVR蒸發器里邊,極大的節省能耗,在MVR蒸發器工作中,由于蒸汽會流失,干化機的蒸汽可以起到很好的補充,MVR蒸發器正常作業中,干化機的蒸汽導入MVR蒸發器,可以提高蒸發量,加快液體的蒸發,極大的節省能耗,采用電加熱即解決了干化機自身所需要的蒸汽,又能為MVR蒸發器提供支持。
(發明人:俎寶來;姜廣義)






