前 言
現代膜分離技術是指在分子水平上不同粒徑分子的混合物在通過半透膜時,實現選擇性分離的技術,半透膜又稱分離膜或濾膜,是一種固定的膜組件,通常由特定的膜材料加工而成,膜壁布滿小孔,根據孔徑大小可以分為:微濾膜(MF)、超濾膜(UF)、納濾膜(NF)、反滲透膜(RO)等,這種固態膜分離過程通常采用錯流過濾或死端過濾方式。
膜分離是在20世紀初出現,20世紀60年代后迅速崛起的一門分離新技術。膜分離技術由于兼有分離、濃縮、純化和精制的功能,又有高效、節能、環保、分子級過濾及過濾過程簡單、易于控制等特征,因此,已廣泛應用于食品、醫藥、生物、環保、化工、冶金、能源、石油、水處理、電子、仿生等領域,產生了巨大的經濟效益和社會效益,已成為當今分離科學中最重要的手段之一。
液膜分離也是一種有效的工業化分離技術,同樣屬于物理分離過程,也屬于現代膜分離技術的一種。
但液膜分離不采用固定的膜組件,而是模擬生物膜的結構,利用選擇性透過原理,以膜兩側溶質的化學濃度差為傳質推動力,使料液中待分離溶質在膜內相富集濃縮來分離待分離物質。分離過程依托的液膜通常由膜溶劑、表面活性劑和流動載體組成。
我們可以看出,無論是采用固定膜組件完成的固膜分離過程,還是由膜溶劑、表面活性劑和流動載體構成液膜后完成的液膜分離過程,其傳質過程都是借助于相對穩定的傳質膜界面完成的,我們可視之為靜態膜。此類靜態膜的傳質過程都必須消耗外加機械動力或化學力才能完成,因此項目投資與處理成本相對較高。
經現有研究和工業實踐表明,還有另外一種特殊的液膜分離技術,我們稱之為動態膜分離技術,既不需要固定的膜組件,亦不是利用特定液膜的選擇性透過原理,而是利用溶質在氣液兩相間的濃度差為傳質推動力,利用溶質分子在兩相間的相平衡原理為推動力,使兩相間的有效傳質面積、傳質推動力和傳質速率最大化,促使液相中的溶質快速向氣相轉移,從而達到預期的傳質效果。
因為動態膜分離為純物理方法,而且可以在常溫下操作,設備結構簡單、適用性強運行成本低,加上傳質效率又遠高于傳統設備,所以特別適用于各類吸收與解吸過程。工業實踐證明,用于環保領域的高氨氮污水處理,尤其是高于2000mg/L的特高氨氮污水處理,有十分明顯的技術優勢與經濟效益。
一.動態膜分離技術及其工作原理
1.1旋轉泡沫動態膜分離技術及其工作原理
此類液膜分離的傳質過程原理與一般的氣液相平衡過程完全一樣,只不過其相應的液相已更換為液膜。由于這種液膜是不穩定的,在正常操作時會不斷更新,相互接觸的氣液兩相也會不斷變換,從而使相平衡關系也在不斷改變。如下圖所示:

這種在特定環境下形成的氣泡層,液相L依然是連續相,氣泡層內被包裹的氣相V是分散相。氣泡的內、外表面即氣液相傳質的相界面。兩相接觸時,氣泡膜的內外表面上隨即發生相平衡的物質轉移,并完成液膜傳質過程。因為氣泡層內氣泡的直徑較小,因此兩相之間的傳質距離極短,氣泡的數量巨大,氣泡層的更新頻率較高,從而使我們可以在一定時間內獲得遠高于傳統氣液傳質設備的比表面積和傳質速率,大幅度提高設備的傳質效率。

實測數據表明,氣泡層內氣泡直徑約為2~8mm,氣泡層的更新頻率約為35~45次時,我們可獲得的氣液相動態傳質面積可達到24200m2/m3.h,污水中氨氮的吹脫速率可達到53.1g/m3.h,遠遠高于傳統的汽提與吹脫等傳質設備,而且在常溫下即可進行,可大幅度減少裝置的能源消耗與污水的處理成本。
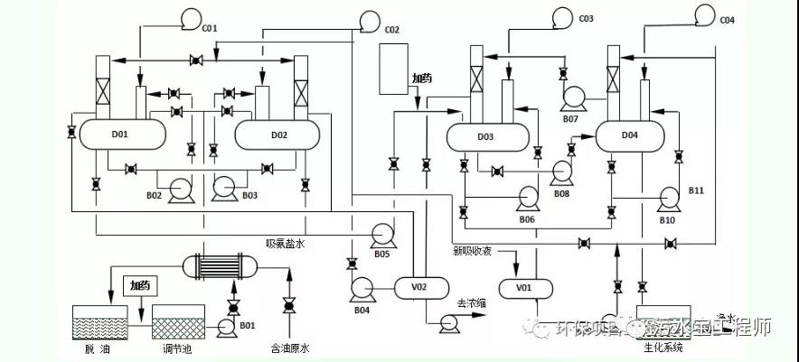
實際工程應用的動態膜旋轉泡沫分離裝置由波管、尾氣管、循環槽、風機和循環泵等
五個主要部分構成。污水通過循環泵送至波管,與進入波管的高速氣流直接接觸,在液相流體的作用下而被分散、扭轉和壓縮,形成相對穩定的氣泡。當兩相動量達到平衡時,便會在波管內形成一段由大量微細泡沫構成、高度湍動的駐波區,即動態膜旋轉泡沫分離區。
正常工作時,動態膜旋轉泡沫分離裝置的氣相由風機送入,液相由循環泵送入。尾氣管承擔尾氣凈化任務,循環槽承擔氣液固三相的分離任務。根據污水處理用戶的項目現場和實際水質狀況、污水水量和處
理要求,裝置可設計為不同規格尺寸、不同級數,以及不同安裝形式的工藝系統。以滿足不同行業各類不同污水處理量、不同氨氮濃度和處理要求的高氨氮污水處理需求。
動態膜旋轉泡沫分離技術與設備,在化學工程領域屬于一種全新的傳質單元操作,其傳質原理依然是氣液相平衡,但所依賴的傳質設備,和傳統的板式塔、填料塔、鼓泡塔、噴淋塔和轉盤塔完全不同,主要借助于駐波層的泡沫完成兩相傳質,借助于特定的動態液膜傳質,不僅可獲得很高的動態傳質比表面積,亦可獲得很高的傳質推動力,從而有極高的傳質效率。該技術可以應用于氣液兩相,甚至氣液固三相間的各類吸收、解吸與反應過程。在環境工程領域則可應用于各種大氣污染的治理和各行業排放的高難度污水處理。
1.2動態膜旋轉泡沫分離法常溫脫氨的技術優勢
目前,高鹽、高CODcr、高氨氮是各行業污水處理的最大難題。工業實踐表明,采用動態膜旋轉泡沫分離法可進行常溫脫氮,而且是純物理法,不需要借助于任何化學試劑,即可在常溫下將任意高濃度的高氨氮污水直接處理至200mg/L以下。而且,項目投資與污水處理成本均遠低于蒸餾、汽提和大氣量吹脫等傳統工藝。
工業實踐還表明,在高氨氮污水,尤其是特高氨氮(2000mg/L以上)污水處理領域,采用動態膜旋轉泡沫分離法進行常溫脫氮,至少有以下明顯技術與經濟優勢:
(1)純物理法處理,無須添加任何化學試劑,對后續生化系統無任何影響;
(2)常溫、常壓操作,不需任何加壓、加熱等特殊輔助設備,能耗低,適用性強;
(3)裝置沒有塔板,也沒有填料,不怕結垢與堵塞;
(4)對進口廢水氨氮、CODcr和鹽含量均無上限限制,特別適用于高難度工業污水處理;
(5)裝置內部無任何活動部件和特殊內構件,設備運行穩定,后期維護簡單;
(6)自帶尾氣凈化裝置,氣相可閉路全循環操作,實現系統無尾氣排放;
(7)易被吹脫的氨可以循環利用,亦可加工成各種期望的氨產品;
(8)系統獨立運行能力強,易與其他污水處理工藝組合使用,實現達標排放;
(9)設備具有三相反應與分離的功能,允許液相帶固操作,對污水的適應能力強;
(10)節能降耗明顯,技術含量高,可大幅度降低項目投資與污水處理成本。
動態膜旋轉泡沫分離技術作為一種新的單元操作過程,項目工程實踐還表明,不僅應用于高氨氮污水處理領域有較高的技術優勢與經濟效益,應用于工業尾氣處理和餐飲油煙的凈化處理,以及鍋爐煙氣的脫硫脫硝與除塵,亦有一定的技術優勢與經濟效益。
二. 動態膜旋轉泡沫分離技術的工程應用
2.1工程實例一:水合肼高氨氮污水常溫脫氮處理工程
工程項目概況:
設計日處理水量:400t/d
實測處理水量:403t/d
設計進口氨氮含量:3000 mg/L
實測進口氨氮含量:2367 mg/L
設計出口氨氮含量:≦300 mg/L
實測出口氨氮含量: 136 mg/L
本項目是動態膜旋轉泡沫分離技術與裝置經中試裝置研發成功后,完成的第一套較大規模的工業化裝置,也是在化工高氨氮廢水處理實施常溫脫氮的第一套成功案例。原設計為三級吹脫,但增加至第二級時就已經達到項目方的預期處理目標,因此第三級的設計也隨之被取消。該裝置連續運行了5年未發生過任何設備故障,也未出現設備結垢與堵塞現象,其運行效果深受用戶歡迎。
2.2工程實例二:焦化高氨氮廢水常溫脫氮處理工程
工程項目概況:
設計日處理水量:1440 t/d
實測處理水量:5.67t/h
設計進口氨氮含量:5000 mg/L
實測進口氨氮含量:5135 mg/L
設計出口氨氮含量:≦200 mg/L
實測出口氨氮含量: 187 mg/L


本項目是動態膜旋轉泡沫分離技術在焦化高氨氮廢水處理領域實施常溫脫氮的第一一個案例。設計為兩級吹脫。該項目實施前進行了現場中試,處理水量為5.6t/h。中試裝置和操作人員由我方提供,原水和氨氮檢測由項目方提供。項目方原建設有一套40t/h專門處理焦化廢水的蒸餾裝置。中試結果遠超過了他們的預期,因為在項目方廠區內已經有四家國內均有一定影響力的環保公司做過現場中試,我們是第5家。該公司告訴我們,他們現在實際上是將蒸餾處理后的污水經稀釋3倍后才送至后續生化處理系統的。如果采用我們的新技術,高氨氮污水經動態膜旋轉泡沫分離裝置處理后,不需要再補加任何稀釋水即可直接送生化系統處理。不僅可以在原生化系統不增加容量的情況下,增加50%以上的污水處理量,而且每噸污水的至少可以下降40元左右的處理成本。根據當時的估算,該項目的投資回收期不足一年,每年可節省的污水處理費用將高達2000萬元,與傳統的工藝相比,項目實施的經濟效益十分明顯。
但該項目的中試結果也告訴我們,不同的水質與廢水中氨氮所存在的形態,對動態膜旋轉泡沫分離裝置的工藝設計和處理效果均有一定影響。
2.3工程實例三:對苯二甲醛化工高氨氮廢水處理
工程項目概況:
設計日處理水量:80 t/d
實測處理水量:4.5 t/h
設計進口氨氮含量:8000 mg/L
實測進口氨氮含量:9060 mg/L
設計出口氨氮含量:≦500 mg/L
實測出口氨氮含量: 429 mg/L

本項目是動態膜旋轉泡沫分離技術與裝置在實際工程應用中最為成熟一個案例,這不僅表現在其吹脫效果完全達到了設計的預期效果,而且還實現了尾氣的閉路循環,達到了完全無尾氣排放的新環保要求。
氨的回收利用也是本項目關注的重點之一。利用該企業的廢酸做吸收液,與來自動態膜旋轉泡沫分離裝置尾氣管排出的尾氣直接接觸,通過反應即可生成需要的銨產品。
三、結論
動態膜旋轉泡沫分離和傳統的蒸餾、吸收、噴淋和鼓泡一樣,也是一種用于氣液相傳質的單元操作過程。同時,因為其傳質過程完全是依靠由高速旋轉的泡沫構成的動態液膜來完成的,因此也可看作是一種新型的動態液膜分離技術。這種全新的動態膜旋轉泡沫駐波層設計,不僅可以獲得極高的動態傳質比表面積,還可獲得操作工況下的最大的傳質推動力和較高的駐波更新頻率,從而可以獲得極高的傳質效率。借助于這種高效的傳質單元設備與技術,使我們可以實現任意高濃度的高氨氮污水在常溫下的高效率脫氨氮。
新型的動態液膜分離技術,不同于傳統的靜態膜分離,不需要固定的膜組件和外加機械動力,也無須加入特定的表面活性劑或其他的第三組分,而是直接利用廉價的環境空氣與液相接觸,在特殊設計的波管內生成由高速旋轉的氣泡群構成的駐波層完成特定的氣液相傳質過程,不僅高效,而且價廉,有極高的實際應用價值。
動態液膜分離技術與裝置特別適用于各類高氨氮,包括特高氨氮(2000mg/L以上,無上限限制)污水的常溫脫氮,采用純物理操作,即可將污水中的任意高濃度的氨氮值直接降至200mg/L以下,如果結合其他輔助方法,亦可直接處理至達標排放。
動態膜旋轉泡沫分離法常溫脫氮技術與工藝,設備結構簡單,工藝配置靈活,可以滿足從每天幾噸至幾千噸,甚至幾萬噸的污水處理量的需要。如果需要,該工藝系統可以獨立運行,亦可實現與其他任何預處理工藝與后續污水深度處理工藝的無縫連接,以滿足各行業各類不同水質高氨氮污水達標處理的需要。
采用動態膜旋轉泡沫分離技術與裝置處理高氨氮污水,不僅可以實現“常溫脫氮”,不僅高效,項目投資與實際處理成本均低于傳統工藝,而且項目建設所需要的占地面積也要少于傳統工藝。
動態膜旋轉泡沫分離技術與裝置,作為一種氣液相傳質的單元操作過程,和其他傳統的傳質單元操作一樣,不僅可以用于高氨氮污水的處理,同樣可應用于工業煙氣的處理。(湘潭大學 周大軍)




