水環境污染問題已經對我國經濟的發展產生嚴重影響,同時也給人們的生活帶來危害與不便,因此政府對污水中氮磷排放標準也相應提高,這給水處理行業帶來新的挑戰與機遇。在處理污水標準提升的今天,水處理界更加重視研究、開發脫氮除磷處理的新工藝并期待其在工程應用方面的效果。現在污水處理廠中廣泛應用 A2O(厭氧 - 缺氧 - 好氧法)工藝或改良 A2O 工藝、CASS 工藝及氧化溝工藝等。
近年來,作為國外為克服傳統脫氮除磷的缺點而開發的分段進水多級 AO 工藝工藝,資料顯示,日本是世界上運用多級 AO 工藝最為廣泛的國家之一,據日本下水道事業團統計,截止到 2004 年,日本已建和在建的采用分段進水多級AO 工藝的污水廠數量已達到 20 余座,總處理水量達 400 余萬t/d。現如今已在我國污水廠的改造升級中得到大力推廣和廣泛應用。現階段在污水廠升級改造中多段多級 AO 工藝被普遍應用,具體實例見表 1。且結果表明,其出水水質均可達到設計要求,滿足了規定的新標準。
表 1 多段多級 AO 工藝在污水廠升級改造中的應用實例
|
污水廠名稱 |
處理能力/(m 3 · d) |
級數 |
|
北京碧水污水處理廠 |
180 000 |
3 |
|
石家莊市橋西污水處理廠 |
160 000 |
3 |
|
西安市第二污水處理廠 |
160 000 |
3 |
1 多段多級 AO 工藝概況
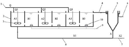
多段多級 AO 工藝是使生物反應池形成多組缺氧池與好氧池交替的形式。在缺氧反應池主要由聚磷菌利用少量碳源釋放體內的磷且其以硝酸鹽為電子受體做無氧呼吸,產生的能量進行吸磷,而污泥回流液中的硝酸鹽被反硝化菌還原脫氮,池內以攪拌器混合并維持缺氧環境。在好氧段吸磷并使有機氮氨化,同時進行硝化作用以及降解BOD、COD,而充分反應后的混合液與下段進水一起進入下一段的缺氧反應池,其余各段污水處理流程同首段。由進水管分段流入每一級的缺氧段的污水既降低了前級出水的DO、pH 對后級缺氧處理的干擾又為反硝化菌提供了足夠的碳源。該工藝只需設污泥回流不必設硝化液回流,污泥由二沉池回流至第一段。反應池出水流入二沉池,然后在其中進行固液分離,上層清液由二沉池出水管排出流入下一個污水處理單元。剩余污泥分為 2 個部分進行處理,一部分剩余污泥排入污泥濃縮池,另一部分通過剩余污泥回流管進入多段多級 AO 反應池的開始端來維持反應池中的微生物量。從鼓風機房接出的曝氣管由曝氣盤向各級 AO 池中的好氧池進行曝氣,讓其保持一定的溶解氧濃度,如圖 1 所示。
2 多段多級 AO 工藝特點
多段多級 AO 工藝具有運行成本低、占地面積小、管理強度低、脫氮除磷率高和抗沖擊負荷能力強等特點。
2.1 運行成本低
由于多級 AO 工藝缺氧好氧交替排列,好氧池的混合液直接進入下一級 AO 工藝的缺氧池,不必使用硝化液回流(內回流)設施,與 A2O 工藝相比,這樣能夠減小很多電耗,可以在一定程度上降低運行成本。
同時由于多段進水的優勢,可對有機碳源進行充分利用,節省投加碳源的成本。
2.2 占地面積小
該工藝中反應池的 MLSS(混合液懸浮固體濃度)明顯要比其他工藝高,因此單位池容可處理的污水負荷較大,在處理污水量相同的情況下,多段多級 AO 工藝可以縮小建筑面積,節省建設費用。如果在污水廠改造中,由于原有工藝的占地面積比較大,給遠期建設預留的場地相對較小,那么就非常適合采用該工藝。

1- 污水進水管;2- 多段多級 AO 反應池;3- 攪拌裝置;4-AO 反應池出水管;5- 二沉池;6- 二沉池出水管;7- 剩余污泥排放管;8- 剩余污泥回流管;9- 曝氣管;10- 曝氣盤圖 1 多段多級 AO 工藝流程
2.1 管理強度低
該工藝由于設計上采用在各段中以等量營養源對應等量生物量,所以各段的污泥負荷基本相同,因此在運行中可采用統一標準化的方式對各段進行管理。例如各段好氧池需要的需氧量相同,可以采用同樣的曝氣設備,并維持相同的溶解氧濃度。而且由于采用相同的管理方式便于及時發現某段出現的問題并進行解決。
2.2 脫氮除磷率高
多段進水在按比例分配好每一段的碳源的同時,也使反應池內混合液懸浮固體濃度得到提高。而污泥的回流及水力停留時間的延長讓好氧段產生的硝態氮可反復反硝化脫氮,提高了脫氮的效率。厭氧環境中聚磷菌把磷排出體外,在好氧環境中超量攝取磷,因此厭氧、好氧輪換進行反應,也大大地提高了磷的去除效率。而反硝化菌和聚磷菌在串聯交替的缺氧好氧環境也可以更好地生長繁殖。具體聯系污水寶或參見http://www.bnynw.com更多相關技術文檔。
2.3 抗沖擊負荷能力強
多段進水相對于單一進水能夠分配污水負荷,降低了由于各種原因導致的進水污染物濃度變化對系統的沖擊,加強了系統的穩定性與抗沖擊負荷能力。
3 影響多段多級 AO 工藝處理效率的主要因素
3.1 溫度對處理效率的影響
硝化菌與反硝化菌等微生物對溫度變化敏感,在我國北方漫長寒冷的冬季,平均水溫在 4 ℃ ~15 ℃的情況下,其活性受到嚴重影響。根據污水處理廠在低溫環境下的運行經驗,水溫降低會導致有機物、氮磷去除效果受到較大影響,污泥沉降性能變差,液面產生大量泡沫并伴隨結冰,出水水質受到影響。
有實驗數據表明,在水溫為 10 ℃的情況下,(1)COD的去除效果良好,出水 COD 平均去除率可穩定達到 87.6 %。出水水質可穩定達標。(2)運行期內,前期的氨氮去除效果較差,后期的出水中,NH3-N 平均去除率達到 97.1 %,穩定達標。(3)前期因硝化效果不理想出水總氮較高。中后期出水 TN 的平均處理效率達到 67.2 %,脫氮率遠高于同條件下傳統活性污泥法的脫氮率。(4)前期的低溫的抑制作用,導致磷的平均去除率很低。后期聚磷菌等微生物適應了低溫環境,高磷污泥的規律排放為除磷提供了保證,出水 TP 的去除效率達到 94.3 %,穩定達標。
如果在冬季水溫確實很低或者進水總氮維持在較高濃度的情況下,可使段內回流全部開啟以達到出水總氮的規定標準。與此同時,可在最末級出水端采用投加化學絮凝劑的方法進一步確保出水總氮穩定達標。而在水溫較高的夏季或者進水總氮維持在較高濃度的情況下,可使段內回流全部關閉。這樣可使生物除磷效果達到最佳。既保證了出水總氮達標,又減少了除磷藥劑的投加量,達到經濟運行的目的。
3.2 BOD5污泥負荷對處理效率的影響
研究顯示 BOD5 污泥負荷對多段多級 AO 工藝穩定良好地處理有機污染物不構成影響 :當其在 0.02 d-1~0.15 d-1 時,磷去除率與 BOD5 污泥負荷成正相關,而 TN 的去除率在其為 0.05 d-1~0.10 d-1 時最佳。
2.1 污泥齡對處理效率的影響
該工藝可加強內源反硝化脫氮反應,其反應強度與污泥齡成正相關,但高泥齡使污泥量偏大。氨氧化菌活性基本不受污泥齡的影響,而亞硝酸鹽氧化菌活性受其影響較嚴重。
2.2 反應器段數對處理效率的影響
該工藝的每一個反應池都近似于完全混合反應器,串聯數量越多,整體系統就越接近于推流反應器,而在處理效率上推流反應器遠遠高于完全混合反應器。但是考慮到段數與占地面積的關系,工程上多段多級AO 工藝的段數一般為2~4段。
2.3 流量分配比對處理效率的影響
流量分配比是該工藝穩定運行、有效脫氮的關鍵,其硝化速率與污泥負荷和容積負荷的成明顯的正相關。流量比最優,能高效利用碳源,并降低出水總氮。
2.4 A、O 容積比對處理效率的影響
系統的脫氮處理效率與硝化效果直接受到該工藝的 A、O 容積比影響。在工程中,驗證了 0.6 為最佳 A、O 容積比,能讓生物池各段更好地處理污水,使有機氮盡可能地被硝化和反硝化,而偏小或偏大均會影響氮磷去除效果并導致缺氧池的二次釋磷。
3 問題和展望
(1)附著式生長系統具有很多懸浮式生長系統不具備的優勢,應多開展這方面研究。
(2)在 TN 污泥負荷對處理程度的影響這方面的探究比較缺乏,需要進一步研究,得出合適的波動范圍,方便實際應用過程中的管理。
(3)應根據低溫環境對系統處理效率的影響機理,從HRT、進水分配比、SRT、A、O 池容積比等多因素綜合考慮,進而達到良好運行,穩定出水。
目前該工藝在國內外已經得到廣泛應用,而且局限在研究證明其在低溫、低碳源及較高 BOD5 污泥負荷情況下均有良好表現,這使其具有良好的發展與研究前景,值得推廣應用。(來源:中建水務環保有限公司)


