含鹽廢水(NaCl質量分數>1%)主要來自于食品加工、石油天然氣加工等工業排放、沿海地區海水利用直接排放的污水等. 廢水中含鹽量過高時,會破壞微生物的細胞膜和菌體內的酶,對微生物的生長產生抑制或導致其死亡,而利用耐鹽型微生物處理高鹽廢水是一種行之有效的方法. 目前,部分研究者已經馴化和篩選出耐鹽脫氮微生物. 張蘭河等采用逐步提高廢水中NaCl濃度負荷的方法對活性污泥進行馴化,實現含鹽廢水序批式活性污泥法(SBR)工藝的啟動,在溫度為30℃、NaCl濃度為10g·L-1的條件下,實現了含鹽廢水的短程硝化,并將NH4+-N平均去除率維持在90%以上. 多數研究顯示異養硝化菌同時也是好氧反硝化菌,異養硝化-好氧反硝化菌對環境的適應能力強于傳統脫氮細菌,其耐鹽脫氮性能在含鹽污水脫氮處理方面有較大的應用潛力. 淡水厭氧氨氧化污泥進行長期的鹽度馴化,厭氧氨氧化污泥最終可適應高達30g·L-1的鹽度環境. Dapena-Mora等將淡水厭氧氨氧化污泥經過馴化后,可以在3%水鹽度下取得較好的脫氮性能,最大比厭氧氨氧化活性(SAA)出現在鹽度為15g·L-1時. Ma等研究表明,10 g·L-1左右的NaCl鹽度對厭氧氨氧化活性和污泥特性沒有長期的不利影響,30g·L-1 NaCl的沖擊負荷是厭氧氨氧化反應器穩定運行所能耐受的閾值. 雖然目前關于厭氧氨氧化系統所能耐受的鹽度負荷閾值不確定(30~75g·L-1NaCl),但工業高鹽度廢水中鹽度都在1%以上,有時甚至高達3%~5%,如此高的含鹽量會對常規厭氧氨氧化工藝產生明顯的抑制作用,若要實現厭氧氨氧化工藝在此類廢水處理中的有效應用,必須考慮高鹽水質對厭氧氨氧化的潛在負面影響,開發1%在高鹽環境下高效穩定厭氧氨氧化工藝的調控方法.
微生物主要通過兩種方式來應對高鹽脅迫,分別為:微生物增加細胞內離子濃度,尤其是鉀離子濃度,來平衡外部滲透壓,以便細胞內的酶能夠適應新的環境(SI策略)和細胞內積累相容溶質,使外部高滲透壓在細胞質中保持平衡(CS策略). 研究人員發現當厭氧處理系統中的Na+濃度達到7 000~8 000mg·L-1,會嚴重抑制厭氧微生物的生長. 如果加入適量的K+則抑制效應將下降60%,這種效應被稱為拮抗效應. 通過長期馴化、添加相容性溶質(如甜菜堿、海藻糖)等措施,可應用厭氧氨氧化工藝處理高氨氮高鹽度工業廢水. 另外單獨或組合投加對Na+具有拮抗作用的K+、Ca2+、Mg2+以及Fe2+等,能大大減輕生物處理高鹽肝素廢水的抑制作用.
目前的研究主要集中在脫氮微生物處理效率的影響層面,對環境脅迫響應的系統研究較少. 本實驗采用SI策略,通過向已經海水馴化后的淡水厭氧氨氧化反應中添加不同濃度的KCl,探索利用K+緩解鹽度對ANAMMOX活性抑制的可行性,從鹽分對厭氧氨氧化脫氮過程的影響以及含鹽廢水生物脫氮強化措施等方面展開研究,以期為厭氧氨氧化處理高鹽廢水提供理論支持.
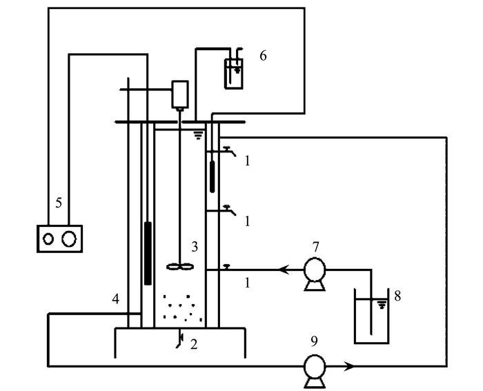
1 材料與方法1.1 實驗裝置與運行條件
實驗采用ASBR厭氧氨氧化反應器,其結構如圖 1所示. 該反應器由有機玻璃制作而成,有效體積7 L. 人工配制的廢水從反應器下部的進水口由恒流泵進入反應器內,內置電動攪拌器,整個反應器表面用黑布包裹,防止光線對厭氧氨氧化活性污泥造成負面影響. 反應器的外層有恒溫水浴,溫度控制在35℃±2℃,進水pH通過0.1 mol·L-1的鹽酸控制在7.4±0.1. 反應器運行1個周期的時間為4 h,其中進水2 min,反應時間4 h,靜置20 min,出水3 min.

1.取樣口及進出水口; 2.排泥口; 3.攪拌; 4.水浴循環進出水口; 5.水浴恒溫控制器; 6.水封; 7.進水蠕動泵; 8.儲水箱; 9.水浴循環蠕動泵
圖 1 ASBR厭氧氨氧化反應器裝置示意
實驗所選厭氧氨氧化菌已經本課題組長期馴化,能在全海水條件下穩定運行. 在本實驗開始時厭氧氨氧化效果較好,在4 h內,氨氮去除率60.35%,亞硝態氮56.83%,NLR為1.34 kg·(m3·d)-1,NRR為0.712 kg·(m3·d)-1,該污泥形態基本為顆粒狀,呈現磚紅色,污泥濃度為3.03g·L-1.
1.2 實驗廢水
實驗所用廢水由人工配置,廢水主要由海水(5 L)、KH2PO4 0.145 g、CaCl2·2H2O 0.75 g、MgSO4·7H2O 0.3 g、NaHCO3 8.4 g、微量元素Ⅰ和微量元素Ⅱ各6 mL. 微量元素Ⅰ:EDTA 5g·L-1、FeSO4·7H2O 5g·L-1;微量元素Ⅱ:EDTA 15g·L-1、H3BO4 0.011g·L-1、MnCl2·4H2O 0.99g·L-1、CuSO4·5H2O 0.25g·L-1、ZnSO4·7H2O 0.43g·L-1、NiCl2·6H2O 0.19g·L-1、CoCl2·6H2O 0.24g·L-1、(NH4)6MoO2·4H2O 0.16g·L-1、NaSeO4·10H2O 0.159 6g·L-1. NH4+由NH4Cl提供,NO2-由NaNO2提供,確保進水氨氮為110mg·L-1、亞硝態氮濃度為145.2mg·L-1,K+由KCl按需配置,由于海水條件,配水中本身含K+約0.39g·L-1. 廢水的配制過程中首先利用高純氮氣曝氣15 min,將水中的分子氧去除后,再按量投加NH4Cl、NaNO2和KCl,最后用恒流泵進水.
1.3 分析方法
NH4-N采用納氏分光光度法;NO2-N采用N-(1萘基)-乙二胺分光光度法;NO3-N采用麝香草酚分光光度法;pH 值: WTW pH/0xi 340i 便攜式pH 計;紫外/可見分光光度計:UV-5200;實驗所要測的數據包括氨氮和亞硝態氮的去除率,硝態氮的生成量.
本實驗研究不同濃度梯度下的K+對厭氧氨氧化性能的影響,K+濃度梯度設置為0、2、4、6、8、10、12、14、16、18、20和22 mmol·L-1,當所加K+濃度使反應器脫氮效能低于0 mmol·L-1時即為產生明顯抑制,此時應停止實驗,為了評價鹽度對ANAMMOX活性的影響,引入參數活性比X,計算公式如式(1),其中SAA和SAA0分別為實驗組和對照組的最大比厭氧氨氧化活性.
2 結果與分析2.1 K+濃度變化對厭氧氨氧化脫氮效能的影響
由圖 2可知,在整個實驗過程中,反應器在K+濃度提升的初期出現短暫的性能下降,但經過短暫的適應后便可恢復,隨著進水K+濃度不斷地遞增,出水NH4+-N和NO2--N濃度出現明顯的變化,未添加K+時出水NH4+-N和NO2--N平均濃度分別為35.38mg·L-1和39.95mg·L-1,當K+濃度為2 mmol·L-1時,出水NH4+-N和NO2--N平均濃度分別40.27mg·L-1和45.21mg·L-1,出水NH4+-N與NO2--N濃度有一些提高. 但隨后出水NH4+-N和NO2--N平均濃度開始下降,最終在K+濃度為8 mmol·L-1時,出水NH4+-N平均濃度達到最低,為12.26mg·L-1,此時出水NO2--N平均濃度為18.2mg·L-1. 在K+濃度為10 mmol·L-1時出水NO2--N平均濃度達到最低值,為17.66mg·L-1,此時出水NH4+-N平均濃度為13.27mg·L-1. 此后隨著K+濃度升高,出水NH4+-N和NO2--N濃度呈波動式升高,但它們的濃度還是低于0 mmol·L-1時,最終當K+濃度為22 mmol·L-1時,出水NH4+-N和NO2--N平均濃度分別為46.75mg·L-1和43.91mg·L-1,已低于0 mmol·L-1時的出水濃度,K+對厭氧氨氧化菌的作用呈現先促進后抑制的總趨勢.

圖 2 K+濃度變化對反應器各主要指標的影響
在K+濃度為0 mmol·L-1時,NH4+-N 和NO2--N的平均去除率為60.4%和56.8%,ΔNO3--N為12~15mg·L-1,NLR和NRR分別為1.341 kg·(m3·d)-1和0.712 kg·(m3·d)-1,反應器運行穩定. 當K+濃度為2 mmol·L-1時,出水NH4+-N與NO2--N濃度呈先下降后上升再下降的趨勢,在本濃度梯度末期,與0 mmol·L-1時相比,出水NH4+-N與NO2--N的去除率已有一些提高,NH4+-N與NO2--N的平均去除率由60.35%和56.83%上升到62.0%和57.9%,去除負荷NRR由0.712 kg·(m3·d)-1上升至0.746 kg·(m3·d)-1. 而ΔNO3--N有所下降,為6.55~11.62mg·L-1,且X為94%. 由數據分析可知,由于K+的突然加入破壞了原先反應器中的平衡狀態,因此出水NH4+-N與NO2--N會首先呈上升趨勢,但經過5 d的適應過程,在本濃度實驗末期反應器已適應了K+存在,最終使得NH4+-N與NO2--N去除率上升.
在K+濃度為4 mmol·L-1的周期內,出水NH4+-N與NO2--N的平均去除率為68.5%和65.3%,ΔNO3--N變化幅度較大,但生成量逐漸提升,NRR達到0.848 kg·(m3·d)-1,K+對厭氧氨氧化處理高鹽廢水產生強化作用,厭氧氨氧化的脫氮效能得到明顯提升. 當K+濃度持續上升,在6~8 mmol·L-1的周期內,厭氧氨氧化的脫氮效能繼續提升,最終在K+濃度為8 mmol·L-1時達到最佳去除效果,NH4+-N與NO2--N的平均去除率為89.2%和84.9%,NO3--N的平均生成量為14.9mg·L-1,NRR為1.12 kg·(m3·d)-1,SAA較對照組提高了58%,厭氧氨氧化菌活性達到最大. 在這一周期內厭氧氨氧化菌已適應鉀離子變化,且適當提高進水鉀離子的濃度有利于強化高鹽環境下厭氧氨氧化脫氮效能.
K+濃度10 mmol·L-1時反應器處于臨界點,K+濃度的升高不再提升反應的脫氮效能,NH4+-N、NO2--N的平均去除率為87.2%和84.8%,NRR達到1.09 kg·(m3·d)-1,X為142%,去除效果有些下降,但下降趨勢不明顯,K+并沒有產生明顯抑制,仍表現為對厭氧氨氧化的促進作用. 在K+濃度為12、14和16 mmol·L-1時的周期內,NH4+-N、NO2--N和NRR的變化波動幅度較大,去除效率和NRR較10 mmol·L-1時呈進一步下降趨勢,ΔNO3--N開始逐漸降低. K+濃度的提升不再促進厭氧氨氧化反應,在K+濃度為18、20 mmol·L-1周期內,去除率穩定下降,反應器已適應高濃度鉀離子. 當K+濃度大于22 mmol·L-1時,NH4+-N 與NO2--N 出水濃度低于0 mmol·L-1時濃度,去除率基本保持在56%以內,NRR為0.708 kg·(m3·d)-1. 說明ANAMMOX 活性污泥受到抑制甚至死亡.
在整個海水馴化過程,ASBR 厭氧氨氧化反應器基本遵循厭氧氨氧化反應原理,其計量比與理論值1∶1.32∶0.26相接近. 由圖 2(c)中可以看出,進水鉀離子濃度變化時,NO2--N/NH4+-N去除量比值和NO3--N/NH4+-N 的比值開始偏離理論值1∶1.32∶0.26,但隨著鉀離子濃度的升高,反應器運行越來越穩定,而且,從NO2--N/NH4+-N 比值的趨勢可以看出,其比值在整個反應器運行過程中隨著鉀離子濃度升高而降低. NO3--N/NH4+-N 的比值從K+濃度為2 mmol·L-1后,一直小于理論值0.26,這可能由于海水中存在有機物質,為反硝化作用提供了碳源. 當K+濃度升高到4 mmol·L-1時,反應器中NO3--N/NH4+-N 的比值有所提高,這說明,提高鉀離子濃度一定程度上緩解了鹽的毒害作用,有助于ANAMMOX 菌的生長.
2.2 周期內K+濃度變化對厭氧氨氧化脫氮性能的影響
選取具有代表性的6個K+濃度梯度(0、2、8、14、20和22 mmol·L-1),考察了一個周期內NH4+-N、NO2--N和NO3-N的濃度變化. 由圖 3(a)~3(c)可知,隨著K+濃度的提升,在8 mmol·L-1時去除率達到最大,其NH4+-N和NO2--N去除率為86.8%和84.%,隨后K+濃度的提升對反應產生抑制,最終在K+為22 mmol·L-1時反應器脫氮效能已低于0 mmol·L-1時,此時可認為K+對反應產生明顯抑制. 進水NO3--N則隨著K+濃度提升而增加,這是由于前一濃度梯度NO3--N的積累導致的,而NO3--N變化量是不斷增加的,但在14、20和22 mmol·L-1濃度時,進水NO3--N幾乎保持不變,NO3--N變化量卻不斷減少,這可能由于K+的增加對厭氧氨氧化菌活性產生抑制,卻促進了反硝化作用,使得NO3--N被消耗.

圖 3 不同K+濃度下周期內各主要指標變化
由圖 3(d)、3(e)可知,各K+濃度條件下體系pH值快速增加,與之相對應ORP呈遞減趨勢,隨著K+濃度的增加,反應體系pH值增加越大,在K+濃度為8 mmol·L-1時pH增加量最大為0.44,此后pH增加量呈遞減趨勢,這說明在8 mmol·L-1時厭氧氨氧化菌活性達到最佳效果,此后過多K+產生不良影響,厭氧氨氧化菌活性開始降低.,由圖 3(f)可知,在4 h內,基質濃度(NH4+-N 和NO2--N 濃度之和)呈下降趨勢,且基質去除速率各不相同. 在0 mmol·L-1時,基質的去除速率呈先下降后逐漸提升再下降的趨勢,且幾乎每1h達到峰值;而在2、8和14 mmol·L-1濃度時,其變化趨勢呈先上升后下降再上升的趨勢,又在8 mmol·L-1時基質去除速率達到最大,約為64.8mg·(L·h)-1,這應該是由于K+濃度適宜厭氧氨氧化菌生長而起到促進作用. 此后過高的K+濃度使微生物的代謝受阻,基質轉化率降低.
2.3 實驗過程中污泥狀態
反應器運行初始時所接種的厭氧氨氧化活性污泥的顏色為鮮紅色[圖 4(a)],但隨著K+濃度的增加,在10倍顯微鏡下觀察到,厭氧氨氧化活性污泥的顏色逐漸呈現出暗紅色[圖 4(b)],鹽度增強了ANAMMOX 顆粒污泥的聚集能力,并且隨著K+濃度的提升活性污泥的密度也逐漸增大;實驗結束后在電鏡下[圖 4(c)]觀察可以看到這些細菌呈球形,兩面有火山口型凹陷,推測是典型的厭氧氨氧化細菌,這說明K+濃度的提升不會損害厭氧氨氧化菌的生長.
![]()
圖 4 實驗過程中污泥狀態
3 討論
李智行等在對高效耐海水型厭氧氨氧化污泥的馴化過程中發現,當海水鹽度提高過程中,厭氧氨氧化反應速率經歷了升高、降低、再升高的過程,反應器對鹽度沖擊的響應可分為3個階段:敏感期、過渡穩定期和恢復期. 齊泮晴等、Windey等在其研究過程中發現,通過梯度提高海水鹽度對淡水污泥進行馴化后,厭氧氨氧化菌的耐海水鹽度性能增強,最終可以適應高達3%的海水鹽度環境. 在本實驗中,通過60d的連續培養可知,K+濃度變化對高鹽環境下厭氧氨氧化的影響較大,具體可以分為4個階段:適應階段,隨著K+濃度的提高(0~2 mmol·L-1),厭氧氨氧化污泥不斷適應K+的存在,厭氧氨氧化污泥的活性獲得刺激,有利于污泥脫氮效能的提高,刺激后的NRR是刺激前的1.19倍;活性提升階段(2~8 mmol·L-1),K+濃度在此范圍內變化時,厭氧氨氧化污泥活性隨K+濃度變化而增大,污泥脫氮效能持續提高,在8 mmol·L-1時達到最佳去除效果,這時的NRR是未加K+前的1.56倍;活性穩定階段(8~20 mmol·L-1),隨著K+濃度的進一步提高,厭氧氨氧化污泥活性開始下降,但NRR仍大于未加K+時的NRR,K+并未對厭氧氨氧化脫氮效能完全產生抑制;抑制階段(大于20 mmol·L-1),隨著K+濃度的進一步提高,厭氧氨氧化污泥活性進一步下降,最終處于完全抑制狀態.
研究人員發現在厭氧處理系統中加入適量的K+可有效抑制鈉鹽的毒害作用,產生拮抗效應的機理可能與嗜鹽菌具有吸K+排Na+的功能有關,此功能使得微生物細胞內一直處于一種高K+低Na+的情形. 何娟等在厭氧條件下馴化污泥發現K+在鹽濃度大于16g·L-1時開始表現出解抑效應,一些耐鹽微生物的蛋白質和酶類需要較高的K+濃度才能維持正常的功能和結構. 有研究發現,在高鹽環境下厭氧氨氧化菌內K+濃度隨著NaCl濃度的提高而迅速增加,而胞內的Na+濃度并沒有明顯變化趨勢. 在本實驗中,K+對細胞膜的通透性強于Na+,厭氧氨氧化菌會優先吸收K+用來維持微生物滲透壓,且K+維持微生物滲透壓的作用遠遠大于Na+. 隨著K+濃度的升高,厭氧氨氧化菌吸收越來越多K+以用來維持微生物滲透壓,減輕了高鹽環境對厭氧氨氧化菌的毒害作用,有效的提升了厭氧氨氧化脫氮效能.
根據嗜鹽微生物的耐鹽機制推斷,厭氧氨氧化菌在極端的高鹽環境下可以產生更多的胞外聚合物(EPS)來抵御極端的環境,厭氧氨氧化微生物通過主動運輸調節滲透壓或產生胞外聚合物來抵抗高鹽環境都要消耗大量能量,導致菌體擴增的時間受阻,而通過在厭氧處理系統中投加K+可以緩解高鹽環境對微生物的毒害作用,從而達到提高系統的處理效果. 本實驗結合嗜鹽微生物耐鹽機制推斷厭氧氨氧化體內酶的產生、穩定和活性都需要較高濃度的K+來實現的,其吸收K+主要是通過鈉鉀泵和K+通道來實現. 研究發現K+對厭氧氨氧化顆粒污泥的影響與濃度有關:在一定濃度范圍內,K+≤20 mmol·L-1可作為輔酶或激活某些酶的活性. 何健研究發現保持反應器中較高的K+質量濃度(50mg·L-1以上)可以減輕Na+對微生物的抑制作用,在本實驗,厭氧氨氧化反應中K+也對Na+產生拮抗效應,促進了厭氧氨氧化菌的酶活性,鈉鹽的毒害作用被削弱,使菌體有更多能量用于擴增,提高了反應器的脫氮效能;高于一定濃度時(≥20 mmol·L-1),過量的K+也會產生鹽毒害作用,抑制厭氧氨氧化顆粒污泥的酶活性.
基因組研究發現厭氧氨氧化菌利用通道轉運蛋白進行基質轉運,Na+-K+-2Cl協同轉運蛋白和K+-Cl協同轉運蛋白是厭氧氨氧化菌的銨離子轉運蛋白,且NH4+和K+的理化性質非常接近,NH4+和K+常常競爭細胞膜上的共用離子通道. 厭氧氨氧菌中的脫氫酶是厭氧氨氧化反應的關鍵酶,過量Na+進入細胞后,會破壞脫氫酶、DNA等細胞內物質,并引起細胞凋亡,進而影響到了厭氧氨氧化污泥活性. 在本實驗中,隨著K+濃度的不斷提高,K+與Na+、NH4+競爭離子通道的能力越來越強,在Na+-K+-2Cl協同轉運蛋白和K+-Cl協同轉運蛋白的作用下,細胞內處于一種高K+低Na+的情形,脫氫酶活性提高,在K+為8 mmol·L-1時脫氮效能達到最佳效果,在此之后,厭氧氨氧化菌對K+的吸收達到飽和,脫氫酶活性不會再提升,而過量的K+含量則會破壞脫氫酶,厭氧氨氧化的脫氮效能也會隨之降低.具體參見污水寶商城資料或http://www.bnynw.com更多相關技術文檔。
4 結論
(1) 鉀離子濃度變化對厭氧氨氧化菌脫氮效能影響研究結果表明,不同濃度的鉀離子對厭氧氨氧化污泥脫氮效能影響有顯著性差異,K+離子對厭氧氨氧化污泥脫氮效能的影響可分為4個階段:適應階段(0~2 mmol·L-1),厭氧氨氧化適應K+的存在;活性提升階段(2~8 mmol·L-1),K+對厭氧氨氧化生物系統有促進作用,氮去除率顯著提升;活性穩定階段(8~20 mmol·L-1),脫氮效能處于穩定狀態;抑制階段(大于20 mmol·L-1),對厭氧氨氧化產生抑制作用,效果越來越明顯.
(2) 在K+濃度為8 mmol·L-1時達到最佳去除效果,NH4+-N與NO2--N的平均去除率為89.24%和84.87%,NRR為1.113 kg·(m3·d)-1,NH4+-N和 NO2--N的去除率較未添加鉀離子時分別提升了32.4%和33%,NRR提升了36%.


