1 引言
目前,在氯化鉀等無機鹽浮選中應用了陽離子胺類捕收劑.這類捕收劑的分子有1個由10~24個碳原子組成的疏水鏈和1個親水氨基(—NH2),而且不溶于水,具有強堿性,故在使用前必須用鹽酸中和處理,此類胺中最常用的是十八烷胺.
十八烷胺(ODA,C18H39N,octadecylamine)是一種具有較長烷基的高級脂肪胺,其分子結構中含有親水端和憎水端,是陽離子表面活性劑、非離子型表面活性劑.在鉀鹽的浮選中,由于長碳鏈的伯胺類物質在自然界中很難自然降解,長期使用會在鹽湖鹵水中積累,不但污染環境,而且會給高品質的氯化鉀的生產帶來不利影響.因此,研究浮選過程中的胺類——十八烷胺的去除方法很有意義.廢水的處理方法主要有自然凈化法、混凝沉降法、化學氧化法、生物處理法、吸附法等.由于吸附法具有去除水中污染物速度快、吸附容量大、無二次污染、適應性強和易操作等優點而受到了廣泛的關注.
埃洛石(HNTs)是一種含水層狀結構的、雙層的1 ∶ 1型鋁硅酸鹽材料,具有典型的結晶結構.相比于其他納米材料(如碳納米管),HNTs具有良好的離子交換性、吸附性和比表面積,在水處理領域具有廣闊的應用前景.然而,當吸附劑和溶液作用后,通過離心的方法使吸附劑和溶液分離,即耗時又費力.為使吸附劑與溶液快速有效的分離,將具有磁性微粒負載到具有交換吸附性能的微孔礦物表面,使磁性復合材料在外磁場的作用下能夠快速分離.
Fe3O4是一種理想的磁性粒子,特別是其超順磁行為,容易在外磁場作用下實現定位、定向移動.目前,有關磁性埃洛石復合材料及其在處理廢水后快速回收利用的研究報道并不多見.因此,本研究是在埃洛石表面負載Fe3O4微粒得到磁性埃洛石(MHNTs),并以該材料為吸附劑,對十八烷胺的吸附性能進行研究,從吸附劑濃度、溶液pH值、溫度及時間等因素進行考察,并進一步研究十八烷胺在磁性埃洛石上的吸附動力學和熱力學行為.
2 實驗部分
2.1 材料與儀器
材料:六水合氯化鐵、七水合硫酸亞鐵、異丙醇、三氯甲烷、乙酸、乙酸鈉、鹽酸、氫氧化鈉,均為分析純.十八烷胺,埃洛石納米材料(HNTs)(購買于河北省靈壽縣錦川礦產品加工廠).
儀器:BSA224S-CW電子天平(賽多利斯科學儀器有限公司)、KQ-250DV型數控超聲清洗器(昆山市超聲儀器有限公司)、微量進樣器(上海高鴿工貿有限公司)、IKAKS 4000i控溫搖床(成都智誠科靈儀器儀表有限公司)、pH計(賽多利斯科學儀器有限公司)、TU-1901雙光束紫外可見分光光度計(北京普析通用儀器有限公司)、透射電子顯微鏡(日本電子JSM)、Nexus 670 FT-IR(美國Nicolet公司)、振動樣品磁強計VSM(Lake Shore 7410).
2.2 實驗方法
2.2.1 磁性埃洛石復合材料的制備
準確稱取5.9 g FeCl3 · 6H2O和3 g FeSO4 · 7H2O放置在250 mL的燒杯中,并加入150 mL蒸餾水,然后加入3 g 埃洛石粉(200目),在N2條件下,逐滴加入0.05 mol · L-1 NaOH溶液調節pH值至11,并轉入三頸圓底燒瓶中,在70 ℃ 恒溫水浴條件下,機械攪拌4 h 后停止,得到的磁性埃洛石冷卻至室溫,利用蒸餾水洗滌至中性,最后用乙醇洗滌兩次,在真空70 ℃ 條件下干燥,密封保存.
2.2.2 吸附實驗
采用靜態批式法,量取一定量的磁性埃洛石和十八烷胺儲備液于15 mL 的聚乙烯離心管中,并通過微量進樣器添加NaOH或HCl來調節溶液的pH值,將聚乙烯離心管置于恒溫振蕩器上振蕩24 h,然后再利用磁鐵使溶液與吸附劑進行快速分離,取一定量的上層清液,采用紫外分光光度計在波長425 nm 處測定上清液中十八烷胺的含量.所有實驗數據均為3次實驗數據的平均值,所測數據的相對誤差約為±5%.
2.2.3 數據處理
十八烷胺的吸附率(Y)的計算公式見式(1).
Kd 的表達式見式(2).
式中,C0 為十八烷胺的初始濃度(mol · L-1),Ce 為吸附平衡后溶液中十八烷胺的濃度(mol · L-1);V 為體系體積(mL);Kd 為表觀分配系數(mL · g-1);m 為吸附劑的質量(g).
3 結果與討論
3.1 結構表征
3.1.1 TEM
分析 圖 1是 HNTs和MHNTs 在透射電子顯微鏡下的掃描圖,從圖 1a中可以看出,HNTs為形態完整的管狀結構,尺寸分布均勻穩定.在圖 1b中可以很明顯的觀察到Fe3O4 納米粒子成功負載在埃洛石表面.
圖1 HNTs和MHNTs的TEM圖譜
3.1.2 紅外光譜分析
圖 2是 HNTs和MHNTs的紅外光譜圖,從圖 2c中可以看出埃洛石在高頻區3699 cm-1、3622 cm-1和3453 cm-1處有吸收峰,三峰呈鋸齒型,是埃洛石中 —OH 的伸縮振動峰.在中頻區,912 cm-1 的吸收峰為 —OH 的彎曲振動吸收峰,1097 cm-1和1035 cm-1為Si—O—O伸縮振動吸收.在低頻區,695 cm-1和751 cm-1為 —OH 的振動特征吸收帶,468 cm-1 為Si—O彎曲振動吸收峰,534 cm-1為Al—O伸縮振動吸收峰.圖 2a四氧化三鐵和圖 2b磁性埃洛石所對應的紅外光譜圖中,都在586 cm-1 處出現一個小的吸收峰,則為Fe—O—Fe伸縮振動峰,即表明Fe3O4微粒較好的負載到埃洛石表面.
圖2 Fe3O4、HNTs和MHNTs的紅外光譜圖
3.1.3 XRD
分析 圖 3顯示了MHNTs和HNTs 的X射線衍射(XRD)圖譜.從圖中可以看出,HNTs在2θ=12.0、20.1、21.2、24.1、26.2、35.3、39.1、55.2、 63.3處出現特征峰,而且在2θ為20°~70°的范圍內,Fe3O4的4個特征峰與MHNTs相對應(2θ=30.2°、35.6°、43.3°、57.3°).結果表明,Fe3O4納米粒子成功負載到HNTs上,并沒有改變其晶形結構.
圖3 HNTs、Fe3O4和MHNTs的XRD圖譜
3.1.4 磁滯回線
由圖 4A可知,該磁性復合材料的飽和磁化強度為28.67 emu · g-1,這意味著制備出來的磁性復合材料具有很強的磁性.磁滯回線過原點,且以原點為中心,幾乎沒有剩磁現象,且該粒子的矯頑力為0,表明MHNTs 具有良好的順磁性.從圖 4B中可以清楚的看到,MHNTs 能夠有效的被外加磁場吸引.結果表明,磁性離子成功的負載到HNTs上,并且能夠作為一個可行的磁分離載體.
圖4 (A)MHNTs的磁滯回線,(B)外磁場作用圖
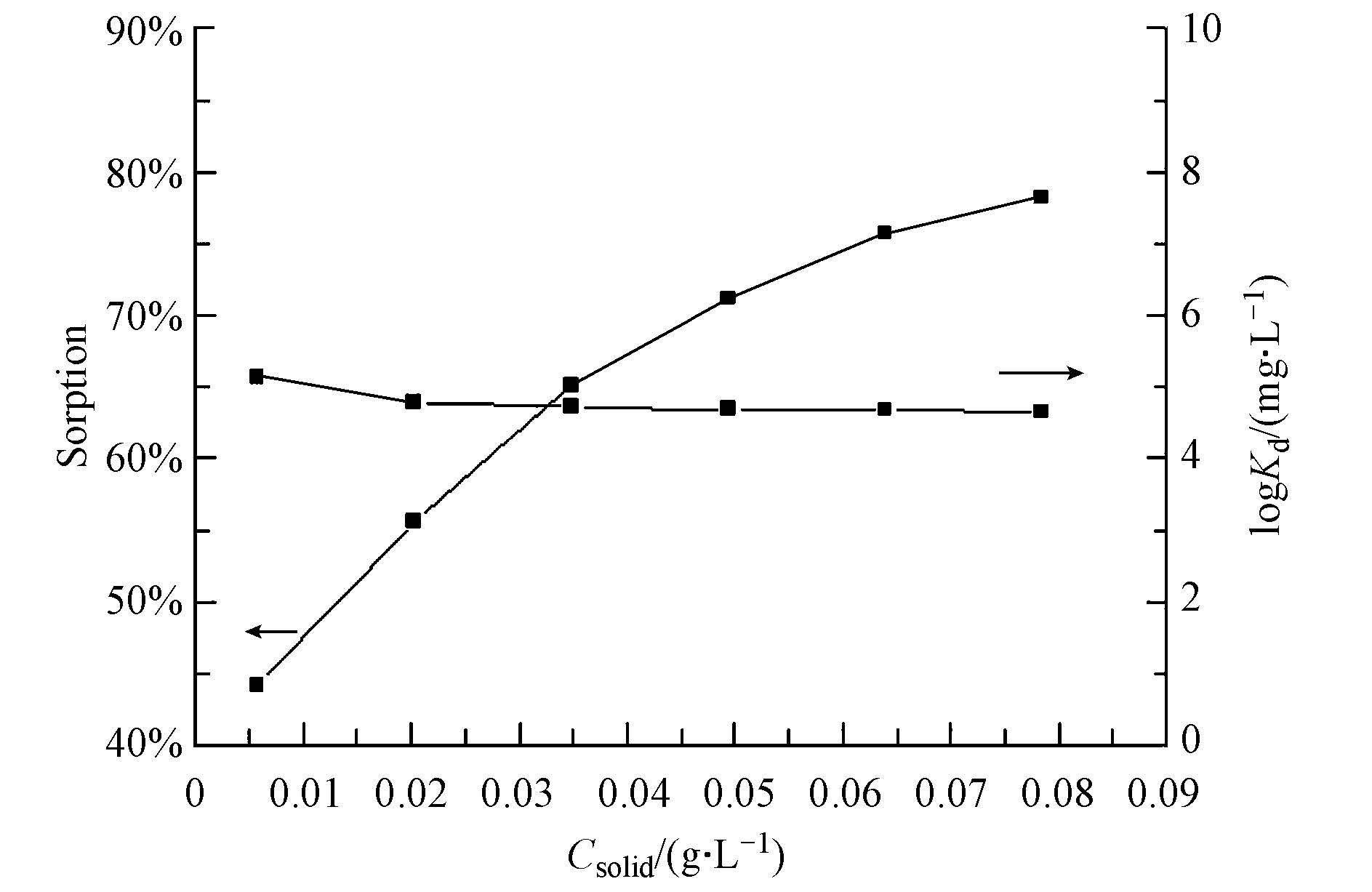
3.2 初始濃度、吸附時間、pH值及溫度對十八烷胺吸附的影響 3.2.1 吸附劑初始濃度
研究不同吸附劑初始濃度對十八烷胺吸附效果的影響,控制十八烷胺濃度為1 mg · L-1,T=293.15 K,pH=3.5,反應時間為8 h時取一定體積的十八烷胺溶液,并測定其濃度,考察不同吸附劑初始濃度對十八烷胺的吸附效果影響.由圖 5可知,隨著MHNTs濃度的增加,對十八烷胺的吸附率逐漸增大,這主要是因為隨著吸附劑濃度的增加,對十八烷胺提供的吸附點位就越來越多,對于同一個吸附點位參與競爭的十八烷胺相對有效的減弱,故而吸附率也就越高.從圖 5還可以發現分配系數Kd 隨著吸附劑濃度的增加而逐漸減小.可能是由于吸附劑添加量的改變,使得吸附劑表面的官能團存在團聚或競爭.即增多的吸附點位提高了十八烷胺的吸附率,同時也增加了官能團之間的競爭,從而使吸附劑的吸附和絡合能力下降,導致Kd值的下降.
圖5 MHNTs的初始濃度對十八烷胺吸附的影響(實驗條件:T=293.15 K,pH=3.5±0.1,C(octadecylamine)initial=1 mg · L-1,I=0.01 mol · L-1 NaCl)
3.2.2 吸附時間的影響及其動力學特征
研究不同吸附時間對十八烷胺吸附效果的影響,控制十八烷胺濃度為1 mg · L-1,T=293.15 K,pH=3.5,吸附劑初始濃度為0.5 mg · L-1時取一定體積的十八烷胺溶液,并測定其濃度,考察不同吸附時間對十八烷胺的吸附效果影響,結果如圖 6所示.從圖中可以看出,十八烷胺的吸附率隨著時間的增加而上升,并且逐漸趨于平衡的狀態.在3 h 內吸附率達到平衡,表明了MHNTs吸附十八烷胺以化學吸附為主,物理吸附為輔.為了更好的探索MHNTs對十八烷胺的吸附動力學機理,應用動力學準二級方程式對數據進行分析.方程式如下:
式中,qt和qe 分別為吸附t時和平衡時的吸附量(mg · g-1);t為吸附時間(h);k為吸附速率常數(g · mg-1 · h-1).圖 6b 為t/qt-t的線性擬合曲線,其相關動力學參數如下:qe =32.959 mg · g-1,k=0.083 g · mg-1 · h-1,R2=0.9972,表明準二級動力學模型能夠很好的擬合十八烷胺在磁性埃洛石上的吸附動力學.
圖6 吸附時間對十八烷胺吸附的影響(a)和磁性埃洛石吸附十八烷胺的準二級動力學程(b)(實驗條件:T=293.15 K,pH=3.5 ± 0.1,C(octadecylamine)initial=1 mg · L-1,m/V=0.029 g · L-1,I=0.01 mol · L-1 NaCl)
3.2.3 pH值和離子強度對十八烷胺吸附的影響
研究不同pH值對十八烷胺吸附效果的影響,控制十八烷胺濃度為1 mg · L-1,T=293.15 K,反應時間為8 h,吸附劑初始濃度為0.5 mg · L-1時取一定體積的十八烷胺溶液,并測定其濃度,考察不同pH值對十八烷胺的吸附效果影響,結果如圖 7 所示.從圖 7可以看出,溶液的pH值對十八烷胺的吸附效果有直接的影響,隨著pH值的增大,吸附率也逐漸增大,pH值到10.6左右,對十八烷胺的吸附率達到最大,當pH > 10.6時,吸附率稍微降低,變化不大.這種變化可能由于埃洛石表面官能團和表面電荷所致.埃洛石的主要化學成分為二氧化硅和氧化鋁,其外表面的化學性質類似于二氧化硅的性質和屬性,內部圓筒狀表面化學性質和氧化鋁相關聯.體系pH在2~12之間,埃洛石表面帶負電荷,由于外層二氧化硅所帶的負電荷多余內層圓筒狀氧化鋁表面的正電荷.隨著pH的增加,埃洛石表面帶有更多的負電荷,而在pH值較小時,即H+濃度較大,十八烷胺以離子態存在從而增加了埃洛石和十八烷胺之間的靜電引力.在另一方面,H+對十八烷胺在磁性埃洛石上存在競爭吸附,所以隨著pH值的增大,吸附率增加明顯,且主要是通過外層絡合或通過與占據了吸附表面點位的H+進行離子交換來實現的.當pH 增大到10.6左右時,十八烷胺以分子態存在于水溶液中,十八烷胺分子中的極性基(—NH2)的中心原子N含有未共享電子對,它可以與Fe的d電子空軌道進行配位結合,從而使得十八烷胺在MHNTs上的吸附率明顯增加.從圖 7可以看出,磁性埃洛石對十八烷胺的吸附在0.001 mol · L-1 NaCl的溶液中達到最大,在0.1 mol · L-1 NaCl的溶液中最低.表明離子強度影響磁性埃洛石對十八烷胺的吸附效果,可能是由于鈉離子對十八烷胺在磁性埃洛石上存在著競爭吸附,或磁性埃洛石吸附十八烷胺的吸附是通過離子交換來實現的.
圖7 pH值對磁性埃洛石吸附十八烷胺的影響(實驗條件:T=293.15 K,C(octadecylamine)initial=1 mg · L-1,m/V=0.029 g · L-1)
3.2.4
溫度對十八烷胺吸附的影響及吸附熱力學 研究不同溫度對十八烷胺吸附效果的影響,控制pH=3.5,反應時間為8 h,吸附劑初始濃度為0.5 mg · L-1時取一定體積的十八烷胺溶液,并測定其濃度,考察不同溫度對十八烷胺的吸附效果影響,結果如圖 8 所示.通過在不同溫度(T=293.15 K,308.15 K,323.15 K)下對十八烷胺在磁性埃洛石上的吸附進行了研究.由圖 8可以看出,在十八烷胺濃度較低的情況下,溫度對十八烷胺的吸附效果影響較小.此時,影響吸附效果的主要因素是十八烷胺的初始濃度.但是,整體趨勢是隨著溫度的升高,十八烷胺的吸附量逐漸增大,即升高溫度有利于磁性埃洛石對十八烷胺的吸附.具體參見污水寶商城資料或http://www.bnynw.com更多相關技術文檔。
圖8 十八烷胺在不同溫度下的吸附等溫線(實驗條件:pH=3.5 ± 0.1,m/V=0.029 g · L-1,I=0.01 mol · L-1 NaCl)
用Langmuir和Freundlich模型對不同溫度下十八烷胺在磁性埃洛石上的吸附進行擬合,結果如圖 9所示,相關參數示于表 1.圖 9(a)是根據Langmuir等溫線方程擬合的曲線,表達式如下:
式中,Ce為吸附平衡后液相中十八烷胺的濃度(mol · L-1);Cs為平衡時固相上吸附十八烷胺的濃度(mol · g-1);Csmax 為飽和吸附量(mol · g-1);b為Langmuir常數(L · mol-1).對Ce/Cs—Ce的線性擬合,則3種溫度下的R2值分別為0.996,0.999,0.993.
圖 9(b)是根據Freundlich等溫方程擬合的曲線,表達式如下:
式中,KF為吸附容量(mol1-nLn · g-1);n為Freundlich常數.
對lgCs—lgCe的線性擬合,則3種溫度下的R2值分別為0.992,0.984,0.992.結果表明,十八烷胺在磁性埃洛石上的吸附符合Langmuir模型,是單層吸附.
表1 不同溫度下Langmuir和Freundlich模擬的擬合參數
圖9 不同溫度下十八烷胺在磁性埃洛石上的吸附模型(實驗條件:pH=3.5 ± 0.1,m/V=0.029 g · L-1,I=0.01 mol · L-1 NaCl)
圖10 十八烷胺在磁性埃洛石上吸附的熱力學參數(實驗條件:pH=3.5 ± 0.1,m/V=0.029 g · L-1,I=0.01 mol · L-1 NaCl)
十八烷胺在磁性埃洛石上的吸附相關熱力學函數ΔH0,ΔG0,ΔS0,可以由在不同溫度下的吸附等溫線得到,計算公式見式(6)、式(7):
由吸附等溫線可以得出表 2中的數據,由表 2可以看出,ΔH0 > 0表明十八烷胺在磁性埃洛石上的吸附是吸熱過程,ΔG0 < 0表明十八烷胺在磁性埃洛石上的吸附過程為自發過程,且高溫有利于十八烷胺在磁性埃洛石上的吸附.
表2 十八烷胺在磁性埃洛石上的吸附熱力學參數
4 結論
1)采用共沉淀法制備Fe3O4/埃洛石復合材料并作為吸附劑,吸附溶液中的十八烷胺.MHNTs具有較高的磁性強度,在外加磁場的條件下,很容易達到固液分離.
2)研究了不同因素對磁性埃洛石吸附十八烷胺的影響,結果表明MHNTs復合材料對十八烷胺具有較好的吸附性能,其最大吸附容量達到66.84 mg · L-1.
3)吸附劑用量、pH值、溫度、時間、離子強度等都影響磁性埃洛石對十八烷胺的吸附效果.吸附量隨著吸附劑用量、溫度和時間的增加,離子強度的減小而增加,pH值為10.6時的吸附效果最好.


