隨著我國城市化進程加快及城市基礎設施的進一步完善,污水處理量越來越大。統計數據顯示,2010年全國城鎮污水排放量接近400億m3,且國家對污水處理廠氮磷排放的要求越來越高〔1〕。近20 a來城市污水處理已由去除含碳有機物為目標轉向含碳有機物和氮、磷營養元素的去除。研究和開發高效、經濟的生物除磷脫氮技術已成為一大研究熱點,出現了一系列城市污水處理新工藝,如同時硝化及反硝化、短程硝化反硝化、厭氧氨氧化及反硝化除磷等技術。反硝化除磷技術是反硝化聚磷菌(DPAOs)利用亞硝酸鹽、硝酸鹽為電子受體,胞內儲存物聚羥基烷酸酯(PHA)為電子供體,通過“一碳兩用”來同步完成反硝化脫氮和過量吸磷的目的〔2〕。序批式間歇活性污泥反應器(SBR)具有運行方式靈活、節省費用和用地、脫氮除磷效果好等優點〔3〕。在目前的實際應用中脫氮除磷的效率都不是很高,難達到滿意的處理效果〔4〕,如何在SBR工藝中實現反硝化除磷是人們關注的熱點。
筆者采用厭氧/好氧/缺氧模式運行的SBR處理人工配水模擬生活污水,并研究了泥齡、溫度、曝氣量對反硝化除磷過程的影響。
1 材料和方法
1.1 SBR反應器的運行
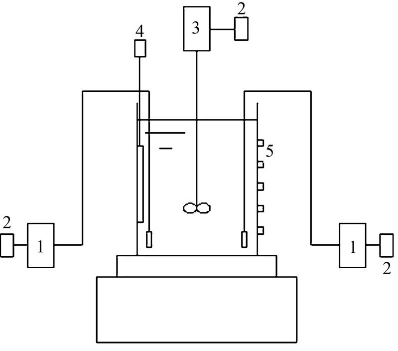
實驗裝置為有機玻璃制成的長方體容器,其尺寸為20 cm×20 cm×30 cm,有效容積為7 L,如圖 1所示。

圖 1 SBR系統實驗裝置
1-空氣壓縮機;2-時間控制開關;3-磁力攪拌器;4-加熱棒;5-取樣口
好氧曝氣階段采用微孔曝氣頭向反應器中充氣,厭氧和缺氧階段采用多功能攪拌器攪拌,攪拌速度約為50 r/min,該攪拌棒材質為不銹鋼,尺寸為D 6 mm×43 cm,每隔10 cm有1個葉片,共有3個。每個階段的開始及結束時間均由定時器控制。工藝流程為:瞬時進水,厭氧攪拌1 h,好氧曝氣4 h,缺氧攪拌2 h,靜置沉淀0.5 h,排水閑置0.5 h。每天3個周期,每周期8 h,每個周期的排水比為0.5。
實驗采用人工配水,其中葡萄糖0.4 g/L、氯化銨0.153 g/L、磷酸氫二鉀0.129 g/L以及一定的微量元素。該模擬廢水的水質為COD 400 mg/L、氨氮40 mg/L、磷酸鹽5 mg/L。
實驗使用的活性污泥泥種取自太原市河西北中部污水廠的回流污泥。先將取回的污泥悶曝1 d,設定溫度為25 ℃、pH為7.5左右、曝氣量為40 L/h。之后按照瞬時進水,厭氧攪拌2 h,好氧曝氣5 h,缺氧攪拌3 h,靜置沉淀1.5 h,排水閑置0.5 h進行培養馴化,每天運行2個周期,每周期12 h,每周期進出水量為3.5 L。培養過程采用COD、氨氮投加量逐漸遞增的方式,COD從200 mg/L提升到400 mg/L,氨氮從20 mg/L提升到40 mg/L,每2 d提升1次,每次提升10%~20%。當MLSS保持在4 500 mg/L左右,MLVSS/MLSS為0.8左右,且COD、氨氮的去除率達到90%以上時,污泥培養結束。
1.2 測定方法及分析項目
水質監測采用國家環保總局頒布的標準方法,具體如表 1所示。

1.3 實驗設計
采用單因素分析法,首先將溫度定為室溫25 ℃、曝氣量為64 L/h,測定缺氧段出水中磷酸鹽、硝態氮和亞硝態氮的濃度來研究泥齡(15、20、25、30 d)對系統反硝化除磷的影響;在曝氣量為64 L/h及最佳泥齡條件下,研究溫度(15、20、25、30 ℃)對系統反硝化除磷效果的影響。最后將泥齡和溫度都調至最佳,研究曝氣量(32、48、64、80 L/h)對系統反硝化除磷效果的影響。
2 結論與分析
2.1 泥齡對反硝化除磷效果的影響
在溫度25 ℃、曝氣量64 L/h條件下,研究泥齡對反硝化除磷效果的影響,結果見表 2。

由表 2可知,泥齡對反硝化除磷效果影響較大。泥齡為15 d時,缺氧段的吸磷速率、脫氮速率為0,沒有反硝化除磷現象發生。泥齡>15 d時,吸磷速率、脫氮速率隨著泥齡的增加而增加,但30 d時吸磷速率為0,說明20、25 d有反硝化除磷現象,30 d無反硝化除磷現象發生。25 d時系統在缺氧段的吸磷速率最大,為0.043 3 mg/(g·h)。泥齡為15 d時沒有反硝化除磷現象是因為反硝化聚磷菌DPB在厭氧/好氧/缺氧條件下生長,其利用的是一種較為復雜的有機物PHB作碳源,基質的利用速率較慢〔5, 6〕,則DPB的生長速率就慢,而過短的泥齡又導致DPB從系統中流失,影響了污泥的除磷效果,甚至失去除磷能力。該實驗結果與M. Merzouki等的研究相似〔7〕。泥齡除對SBR工藝中反硝化除磷性能有較大影響,同時還會影響去除單位磷和氮所需的COD〔8〕。隨著泥齡的延長,缺氧段在系統中所起的吸磷作用越來越明顯,但泥齡>25 d除磷效率降低,污泥發生釋磷“自溶”現象。這是因為系統排泥量減少,通過污泥排出的磷也減少,DPB沒有足夠的能量攝取多余的磷,造成系統在缺氧段除磷效果不好〔9〕。
綜上,厭氧/好氧/缺氧模式運行的SBR泥齡過長或過短都不利于缺氧段反硝化除磷現象的發生,泥齡為25 d時系統的反硝化除磷效果最好。
2.2 溫度對反硝化除磷的影響
在曝氣量為64 L/h、泥齡為25 d的條件下,考察溫度對反硝化除磷效果的影響,結果見表 3。

由表 3可知,溫度為15 ℃時缺氧段的吸磷速率、脫氮速率為0,沒有發生反硝化除磷現象。溫度在15~30 ℃時缺氧段的吸磷速率隨溫度的增加而增加。溫度為20~25 ℃時,缺氧段的脫氮速率隨溫度的增加而增加,30 ℃時脫氮速率下降。這可能是溫度在20~25 ℃時反硝化除磷和利用碳源的反硝化作用同時發生,導致脫氮速率較高。溫度為30 ℃時吸磷速率最大,為0.051 3 mg/(g·h)。實驗結果與P. ELefiniotis等研究結論相近〔10〕。
在微生物生理活性中起影響作用的因素很多,其中溫度對生物蛋白的活性影響很大,酶自身具有的蛋白質特性決定了污水生物處理必須在一定溫度范圍內才能取得良好的處理效果。在低于中溫和常溫條件下,細菌的酶活性受到抑制,降低了反硝化除磷效果〔11〕。因此該系統適宜溫度確定為30 ℃。
2.3 曝氣量對反硝化除磷的影響
在溫度為30 ℃、泥齡為25 d條件下研究曝氣量對反硝化除磷效果的影響,結果見圖 2~圖 4、表 4。其中圖 2~圖 4為該系統缺氧段在不同曝氣量下的磷酸鹽、硝態氮、亞硝態氮的變化情況。

圖 2 不同曝氣量下磷酸鹽在缺氧段的變化
圖 3 不同曝氣量下硝態氮在缺氧段的變化
圖 4 不同曝氣量下亞硝態氮在缺氧段的變化
由圖 2~圖 4可知,曝氣量為32 L/h時,缺氧段的磷酸鹽沒有下降趨勢,系統中沒有發生反硝化除磷現象。當曝氣量增大到48 L/h時,反應第1 h磷酸鹽與硝態氮都逐漸降低,反硝化聚磷菌利用硝態氮進行反硝化除磷;第2 h磷酸鹽及硝態氮繼續降低,亞硝氮也開始降低,當硝態氮<0.5 mg/L時,反硝化聚磷菌同時利用硝態氮和亞硝氮進行反硝化除磷。由表 4可知,曝氣量為48 L/h時系統缺氧段的吸磷速率、脫氮速率分別為0.045 1、0.248 7 mg/(g·h)。
曝氣量為64 L/h時缺氧段一開始NO3-下降,磷酸鹽隨之下降,這說明此過程中反硝化聚磷菌利用NO3-作為電子受體;當NO3-<0.5 mg/L時,系統中的NO2-開始被消耗,表明反硝化聚磷菌開始利用NO2-作為電子受體。筆者認為,當系統中的NO3-和NO2-共存時,NO3-首先被消耗,但當NO3-下降到一定程度時,NO2-隨之被消耗。
當曝氣量繼續增大到80 L/h時,整個缺氧段的磷酸鹽及硝態氮呈下降趨勢,亞硝氮上升。說明此過程中反硝化聚磷菌只利用硝態氮作為電子受體進行反硝化除磷。由表 4可知,此曝氣量下缺氧段的吸磷速率、脫氮速率最高,分別為0.035 4、0.458 0 mg/(g·h)。
在反硝化除磷工藝中,缺氧段反硝化除磷的效果與厭氧條件控制的好壞有直接關系。厭氧段曝氣量過高會影響釋磷,而缺氧段曝氣量過高則影響反硝化過程。令云芳等〔12〕認為反硝化除磷的厭氧和缺氧段應保持DO < 0.2 mg/L。缺氧段的DO過高會導致分子態氧與硝態氮競爭,影響聚磷菌的缺氧反硝化過程,因此缺氧段的溶解氧需控制在≤0.5 mg/L〔13〕。實驗中,曝氣量為64 L/h時厭氧段、缺氧段的DO適合反硝化細菌和反硝化聚磷菌的生長,缺氧段吸磷速率、脫氮速率最高,故適宜的曝氣量確定為64 L/h。具體參見http://www.bnynw.com更多相關技術文檔。
3 結論
(1)在溫度25 ℃、曝氣量64 L/h條件下,泥齡過長或過短都不利于反硝化除磷現象的發生,泥齡在25 d時效果最好。
(2)在曝氣量64 L/h、泥齡為25 d條件下,溫度為20、25、30 ℃時都出現一定的反硝化除磷,30 ℃時較為明顯,缺氧段吸磷速率最高為0.051 3 mg/(g·h),脫氮速率為0.180 1 mg/(g·h)。
(3)在溫度30 ℃、泥齡25 d條件下,曝氣量為64 L/h時反硝化除磷效果最好,吸磷速率最高為0.054 0 mg/(g·h),脫氮速率為0.594 6 mg/(g·h)。


